电脑桌面
添加小米粒文库到电脑桌面
安装后可以在桌面快捷访问

年度内审计划VIP专享VIP免费

年度内审计划_第1页
1/18
年度内审计划_第2页
2/18
年度内审计划_第3页
3/18
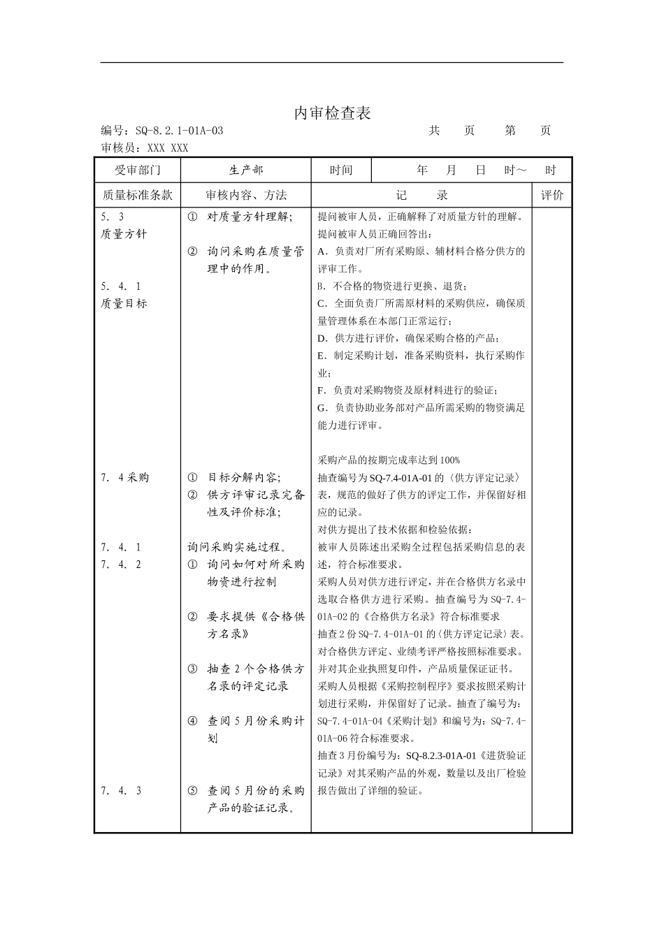
年度内审计划编号:SQ-8.2.1-01A-01审核目的:检查本公司的质量管理体系的符合性和运行的有效性。包括:质量手册是否适用于本公司起重吊具产品的制造和服务。对其实现全过程是否进行的控制与管理,是否可以证实其有能力稳定地提供满足顾客和适用的法律法规要求的产品。通过体系的有效运行和持续改进,以及保证符合顾客与适用的法律法规要求是否能增进顾客的满意。被审核部门(岗位):总经理,管理者代表,办公室,车间,业务部,质检部;审核依据:1.GB/T19001-2000idtISO9001:20002.质量手册与程序文件3.与质量管理体系有关的管理标准、工作标准、操作规程、检验规范、作业指导书以及应用到的所有相关的法律法规。审核方法:集中式审核审核时间、持续时间:2004-07-08至2004-07-09编制:时间:审核:时间:批准:时间:审核实施计划编号:SQ-8.2.1-01A-02审核组组长:XXX组员:XXX2004年07月8-9日第页,共页1.审核目的:检验质量管理体系的符合性,是否可以迎接外审;2.审核依据:GB/T19001—2000idtISO9001:20003.审核覆盖产品:起重吊具的制造与服务;4.审核时间:2004年07月08日至2004年07月09日首次会议时间:07月08日9时分末次会议时间:07月09日16:00时分5.现场审核期间请被审核方有关人员参加下列活动:首、末次会议:最高管理者或其代表及与审核有关的管理人员参加。审核活动:按审核日程安排,被审核方有关人员在本岗位。6.审核安排:日期时间部门审核涉及的质量管理体系标准要求7月8日首次会议9:00-11:3014:00-16:0016:30-17:30总经理、管理者代表办公室业务部4.1;5.1;5.2;5.3;5.4;5.5;5.6;6.1;6.4;8.1;8.4;8.54.2;5.4.1;5.5.1;5.5.3;5.6.1;5.6.3;6.2.1;6.2.2;8.2.2;8.2.3;8.4;8.57.2;8.2.1;8.3审核组会议7月9日9:00-11:3014:00-15:00生产部(车间)质检部5.5.1;6.3;6.4;7.1;7.4;7.5;8.2.3;8.37.6;7.4.3;8.2.3;8.2.4;8.3;8.516:30-17:00审核组会议17:00-17:30末次会议内审检查表编号:SQ-8.2.1-01A-03共页第页审核员:XXXXXX受审部门生产部时间年月日时~时质量标准条款审核内容、方法记录评价5.3质量方针5.4.1质量目标7.4采购7.4.17.4.27.4.3①对质量方针理解;②询问采购在质量管理中的作用。①目标分解内容;②供方评审记录完备性及评价标准;询问采购实施过程。①询问如何对所采购物资进行控制②要求提供《合格供方名录》③抽查2个合格供方名录的评定记录④查阅5月份采购计划⑤查阅5月份的采购产品的验证记录。提问被审人员,正确解释了对质量方针的理解。提问被审人员正确回答出:A.负责对厂所有采购原、辅材料合格分供方的评审工作。B.不合格的物资进行更换、退货;C.全面负责厂所需原材料的采购供应,确保质量管理体系在本部门正常运行;D.供方进行评价,确保采购合格的产品;E.制定采购计划,准备采购资料,执行采购作业;F.负责对采购物资及原材料进行的验证;G.负责协助业务部对产品所需采购的物资满足能力进行评审。采购产品的按期完成率达到100%抽查编号为SQ-7.4-01A-01的〈供方评定记录〉表,规范的做好了供方的评定工作,并保留好相应的记录。对供方提出了技术依据和检验依据:被审人员陈述出采购全过程包括采购信息的表述,符合标准要求。采购人员对供方进行评定,并在合格供方名录中选取合格供方进行采购。抽查编号为SQ-7.4-01A-02的《合格供方名录》符合标准要求抽查2份SQ-7.4-01A-01的〈供方评定记录〉表。对合格供方评定、业绩考评严格按照标准要求。并对其企业执照复印件,产品质量保证证书。采购人员根据《采购控制程序》要求按照采购计划进行采购,并保留好了记录。抽查了编号为:SQ-7.4-01A-04《采购计划》和编号为:SQ-7.4-01A-06符合标准要求。抽查3月份编号为:SQ-8.2.3-01A-01《进货验证记录》对其采购产品的外观,数量以及出厂检验报告做出了详细的验证。内审检查表编号:SQ-8.2.1-01A-03共页第页审核员:XXXXXX受审部门办公室时间年月日时~时质量标准条款审核内容、方法记录评价5.35.4.14.24.2,34.2.24.2.45.5.3询问质量方针与目标查看体系文件,看是否符合QMS要求询问文件保管有哪些注意事项?询问质量...

1、当您付费下载文档后,您只拥有了使用权限,并不意味着购买了版权,文档只能用于自身使用,不得用于其他商业用途(如 [转卖]进行直接盈利或[编辑后售卖]进行间接盈利)。
2、本站所有内容均由合作方或网友上传,本站不对文档的完整性、权威性及其观点立场正确性做任何保证或承诺!文档内容仅供研究参考,付费前请自行鉴别。
3、如文档内容存在违规,或者侵犯商业秘密、侵犯著作权等,请点击“违规举报”。

碎片内容

年度内审计划

确认删除?
VIP
微信客服
  • 扫码咨询
会员Q群
  • 会员专属群点击这里加入QQ群
客服邮箱
回到顶部