电脑桌面
添加小米粒文库到电脑桌面
安装后可以在桌面快捷访问

硬母线安装交底记录VIP免费

硬母线安装交底记录_第1页
1/14
硬母线安装交底记录_第2页
2/14
硬母线安装交底记录_第3页
3/14
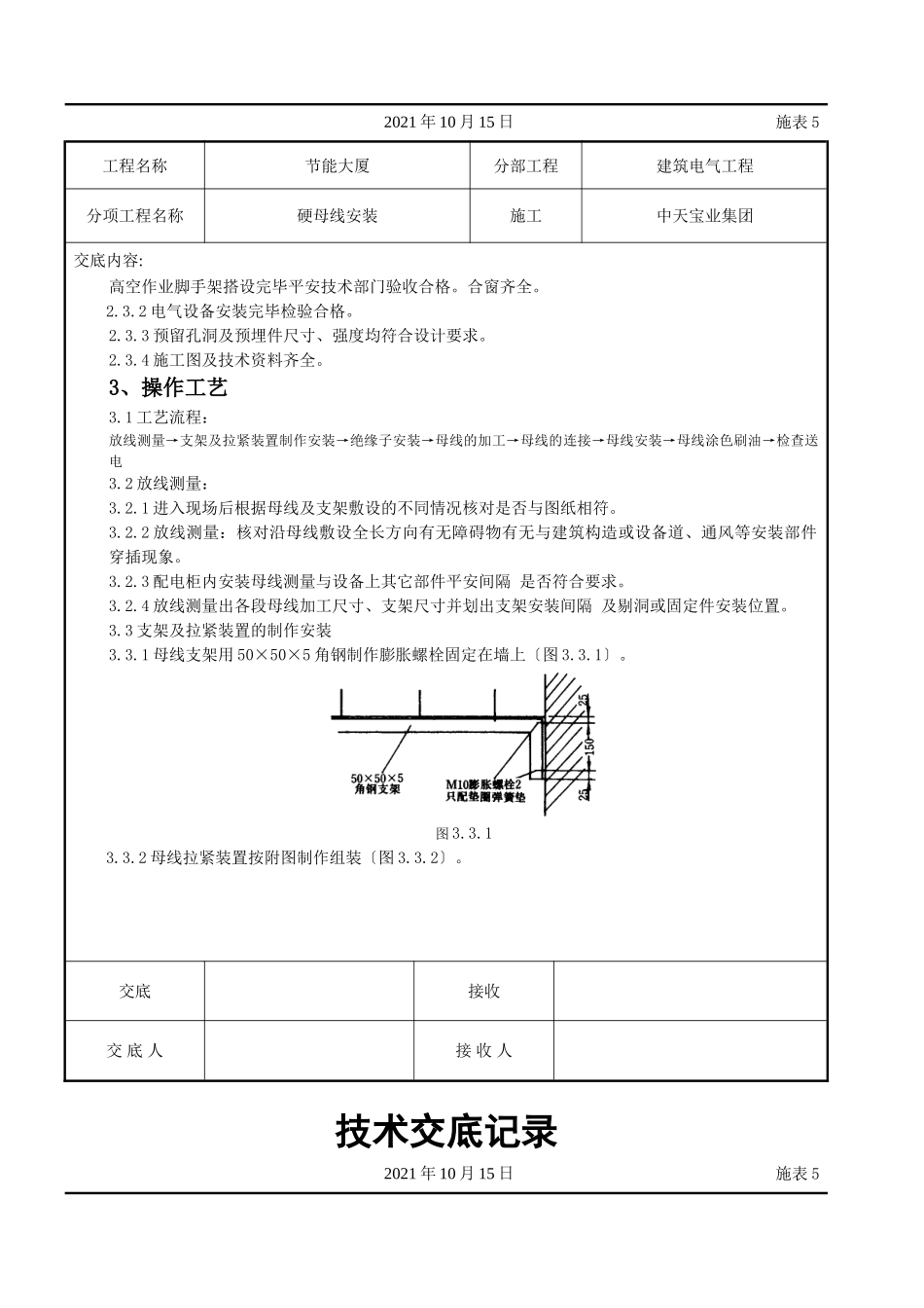
技术交底记录2021年10月15日施表5工程名称节能大厦分部工程建筑电气工程分项工程名称硬母线安装施工中天宝业集团交底内容:1、根据:?建筑工程施工质量验收统一?GB50300-2001?建筑电气工程施工质量验收?GB50303-20022、施工准备2.1材料要求:2.1.1铜、铝母线应有合格及材质证明并符合表2.1.1的要求。母线的机械性能和电阻率表2.1.1母线名称母线型最小抗拉强度(N/mm2)最小伸长率〔〕20℃时电阻率〔Ω·mm2/m〕铜母线TMY25560.0177铝母线1MY11530.02902.1.2母线外表应光洁平整不应有裂纹、折皱、夹杂物及变形和扭曲现象。2.1.3绝缘子及穿墙套的瓷件应符合执行和有关电瓷技术条件的规定并有合格证。2.1.4绝缘材料的型、规格、电压等级应符合设计要求。外观无损伤及裂纹绝缘良好。2.1.5金属紧固件及卡具均应采用热镀锌件。2.1.6其他辅料有调合漆樟丹池、焊条、焊粉等。2.2主要机具:2.2.1母线煨弯器、电焊、汽焊工具、钢锯、电锤、砂轮、台钻、手电钻、板锉、钢丝刷、木锤、力矩扳手、铜丝刷。2.2.2测试器具:皮尺、钢卷尺、钢板尺、程度、线坠、摇表、万用表、细钢丝或小线。2.3施工条件:2.3.1母线安装对土建要求:屋顶不漏水墙面喷浆完毕场地清理干净并有一定的加工场所。交底接收交底人接收人技术交底记录2021年10月15日施表5工程名称节能大厦分部工程建筑电气工程分项工程名称硬母线安装施工中天宝业集团交底内容:高空作业脚手架搭设完毕平安技术部门验收合格。合窗齐全。2.3.2电气设备安装完毕检验合格。2.3.3预留孔洞及预埋件尺寸、强度均符合设计要求。2.3.4施工图及技术资料齐全。3、操作工艺3.1工艺流程:放线测量→支架及拉紧装置制作安装→绝缘子安装→母线的加工→母线的连接→母线安装→母线涂色刷油→检查送电3.2放线测量:3.2.1进入现场后根据母线及支架敷设的不同情况核对是否与图纸相符。3.2.2放线测量:核对沿母线敷设全长方向有无障碍物有无与建筑构造或设备道、通风等安装部件穿插现象。3.2.3配电柜内安装母线测量与设备上其它部件平安间隔是否符合要求。3.2.4放线测量出各段母线加工尺寸、支架尺寸并划出支架安装间隔及剔洞或固定件安装位置。3.3支架及拉紧装置的制作安装3.3.1母线支架用50×50×5角钢制作膨胀螺栓固定在墙上〔图3.3.1〕。图3.3.13.3.2母线拉紧装置按附图制作组装〔图3.3.2〕。交底接收交底人接收人技术交底记录2021年10月15日施表5工程名称节能大厦分部工程建筑电气工程分项工程名称硬母线安装施工中天宝业集团交底内容:图3.3.23.4绝缘子安装:3.4.1绝缘子安装前要摇测绝缘绝缘电阻值大于1兆欧为合格。检查绝缘子外观无裂纹、缺损现象绝缘子灌注的螺栓、螺母结实前方可使用。6~10kV支柱绝缘子安装前应做耐压试验。3.4.2绝缘子上下要各垫一个石棉垫。3.4.3绝缘子夹板、卡板的制作规格要与母线的规格相适应。绝缘子夹板、卡板的安装要结实。3.5母线的加工:3.5.1母线的调直与切断3.5.1.1母线调直采用母带调直器进展调直手工调直时必须用木锤下面垫道木进展作业不得用铁锤。3.5.1.2母线切断可使用手锯或砂轮锯作业不得用电弧或乙炔进展切断。3.5.2母线的弯曲:3.5.2.1母线的弯曲应用专用工具〔母线煨弯器〕冷煨弯曲处不得有裂纹及显著的皱折。不得进展热弯。3.5.2.2母线平弯及立弯的弯曲半径〔图2-39〕不得小于表2-12的规定。3.5.2.3母线扭弯、改变局部的长度不得小于母线宽度的2.5倍~5倍〔图3.5.2.3〕。交底接收交底人接收人技术交底记录2021年10月15日施表5工程名称节能大厦分部工程建筑电气工程分项工程名称硬母线安装施工中天宝业集团交底内容:图3.5.2.3图3.5.2.33.6母线的联接:母线的联接可采用焊接或螺栓连接方式。3.6.1母线的焊接:3.6.1.1焊接的位置:焊缝间隔弯曲点或支持绝缘子边缘不得小于50mm同一相如有多片母线其焊缝应互相错开不得小于50mm。3.6.1.2焊接的技术要求:铝及铝合金母线的焊接应采用氩弧焊铜母线焊接可采用201#或202#紫铜焊条、301#铜焊粉或硼砂为节约材料亦可用废电线芯或废电缆芯线代替焊条但外表应光洁无腐蚀并须擦净油污方可施焊。焊接前应当用铜丝刷去除母线坡口处的氧化层将母线用耐火砖等垫平对齐防止错口坡口...

1、当您付费下载文档后,您只拥有了使用权限,并不意味着购买了版权,文档只能用于自身使用,不得用于其他商业用途(如 [转卖]进行直接盈利或[编辑后售卖]进行间接盈利)。
2、本站所有内容均由合作方或网友上传,本站不对文档的完整性、权威性及其观点立场正确性做任何保证或承诺!文档内容仅供研究参考,付费前请自行鉴别。
3、如文档内容存在违规,或者侵犯商业秘密、侵犯著作权等,请点击“违规举报”。

碎片内容

硬母线安装交底记录

确认删除?
VIP
微信客服
  • 扫码咨询
会员Q群
  • 会员专属群点击这里加入QQ群
客服邮箱
回到顶部