电脑桌面
添加小米粒文库到电脑桌面
安装后可以在桌面快捷访问

工程设计行业及建设规模划分表(全)VIP免费

工程设计行业及建设规模划分表(全)_第1页
1/42
工程设计行业及建设规模划分表(全)_第2页
2/42
工程设计行业及建设规模划分表(全)_第3页
3/42
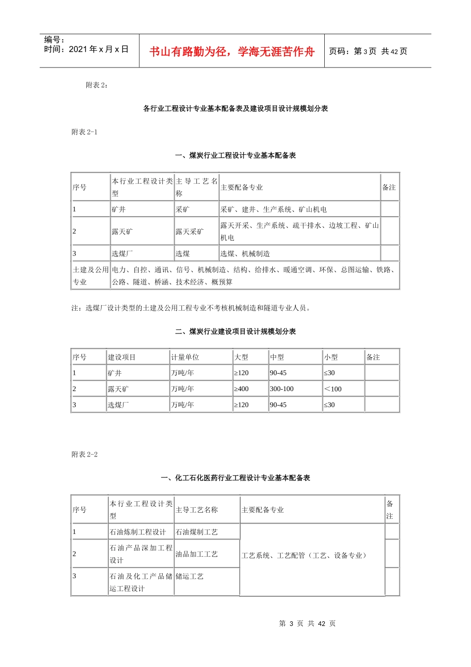
第1页共42页编号:时间:2021年x月x日书山有路勤为径,学海无涯苦作舟页码:第1页共42页附表1:工程设计行业划分表序号行业备注(一)煤炭(二)化工石化医药含原石化、化工、医药(三)石油天然气(四)电力含原火电、水电、核电、新能源(五)冶金含原冶金、有色、黄金(六)军工含原航天、航空、兵器、船舶(七)机械(八)商物粮含原商业、物资、粮食(九)核工业(十)电子通信广电含原电子、通信、广播电影电视(十一)轻纺含原轻工、纺织(十二)建材(十三)铁道(十四)公路(十五)水运(十六)民航(十七)市政(十八)海洋(十九)水利(二十)农林含原农业、林业(二十一)建筑含原建筑、人防第2页共42页第1页共42页编号:时间:2021年x月x日书山有路勤为径,学海无涯苦作舟页码:第2页共42页第3页共42页第2页共42页编号:时间:2021年x月x日书山有路勤为径,学海无涯苦作舟页码:第3页共42页附表2:各行业工程设计专业基本配备表及建设项目设计规模划分表附表2-1一、煤炭行业工程设计专业基本配备表序号本行业工程设计类型主导工艺名称主要配备专业备注1矿井采矿采矿、建井、生产系统、矿山机电2露天矿露天采矿露天开采、生产系统、疏干排水、边坡工程、矿山机电3选煤厂选煤选煤、机械制造土建及公用专业电力、自控、通讯、信号、机械制造、结构、给排水、暖通空调、环保、总图运输、铁路、公路、隧道、桥涵、技术经济、概预算注:选煤厂设计类型的土建及公用工程专业不考核机械制造和隧道专业人员。二、煤炭行业建设项目设计规模划分表序号建设项目计量单位大型中型小型备注1矿井万吨/年≥12090-45≤302露天矿万吨/年≥400300-100<1003选煤厂万吨/年≥12090-45≤30附表2-2一、化工石化医药行业工程设计专业基本配备表序号本行业工程设计类型主导工艺名称主要配备专业备注1石油炼制工程设计石油煤制工艺工艺系统、工艺配管(工艺、设备专业)2石油产品深加工程设计油品加工工艺3石油及化工产品储运工程设计储运工艺第4页共42页第3页共42页编号:时间:2021年x月x日书山有路勤为径,学海无涯苦作舟页码:第4页共42页4无机化工工程设计无机化工工艺5有机化工工程设计有机化工工艺、合成制药工艺6合成材料及加工工程设计合成材料及加工工艺7橡胶加工工程设计橡胶加工工艺工艺、机械8化工矿山工程设计化工矿山采矿、选矿生物化学(含半合成、精制、干燥、包装)9生化、生物工程设计生物化工工艺、生物制药工艺生物化学(含半合成、精制、干燥、包装)生物制药(含发酵、提炼)10中成药工程设计中成药工艺中成药(含中成药制剂)11药物制剂工程设计制剂工艺净化空调12医疗器械工程设计医疗器械工艺医疗器械土建及公用专业建筑、结构、设备、自控、总图运输、给排水、电气、热力、通讯、暖通空调、环境保护、技术经济、概预算二、化工石化医药行业建设项目设计规模划分表序号项目名称单位大型中型小型备注1石油炼制工程常减压蒸馏万吨/年≥500250气体分离万吨/年>2010-20<102石油产品深加工程催化反应加开亿元>20.5-2<0.5投资加氢反应及制氢亿元>10.3-1<0.3投资或压力Mpa>84-8<4渣油加工亿元10.3-1<0.3投资炼厂气加工亿元>0.20.1-0.2<0.1投资润滑油加工万吨/年>155-15<53油气储运工程输油万吨/年≥600<600<300能力或长度Km≥12030-120<30输气亿m3/年≥2.5<2.5能力或长度第5页共42页第4页共42页编号:时间:2021年x月x日书山有路勤为径,学海无涯苦作舟页码:第5页共42页Km≥12030-120<30油库①石油、成品油万立方米≥83-8<3总容积万立方米≥21-2<1单罐容积②天然气万立方米≥1.5<1.5总容积万立方米≥0.5<0.5单罐容积③常温液体石油气立方米≥2000<2000总容积立方米≥400<400单罐容积④低温液化石油气万立方米≥2<2总容积万立方米≥1<1单罐容积4无机化工合成氨万吨/年>188-18<8尿素万吨/年>3013-30<30硫酸万吨/年>168-16<8磷酸万吨/年>123-12<3烧碱万吨/年>53-5<3纯碱万吨/年>308-30<8磷肥(酱钙、钙镁磷肥)万吨/年>5020-50<20复肥万吨/年>2010-20<10无机盐万元>100005000-10000<5000投资5有机化工、石油化工①原料及单体乙烯...

1、当您付费下载文档后,您只拥有了使用权限,并不意味着购买了版权,文档只能用于自身使用,不得用于其他商业用途(如 [转卖]进行直接盈利或[编辑后售卖]进行间接盈利)。
2、本站所有内容均由合作方或网友上传,本站不对文档的完整性、权威性及其观点立场正确性做任何保证或承诺!文档内容仅供研究参考,付费前请自行鉴别。
3、如文档内容存在违规,或者侵犯商业秘密、侵犯著作权等,请点击“违规举报”。

碎片内容

工程设计行业及建设规模划分表(全)

精华资料店+ 关注
实名认证
内容提供者

大量教育教学资料

确认删除?
VIP
微信客服
  • 扫码咨询
会员Q群
  • 会员专属群点击这里加入QQ群
客服邮箱
回到顶部