电脑桌面
添加小米粒文库到电脑桌面
安装后可以在桌面快捷访问

通信国家标准VIP专享VIP免费

通信国家标准_第1页
1/15
通信国家标准_第2页
2/15
通信国家标准_第3页
3/15
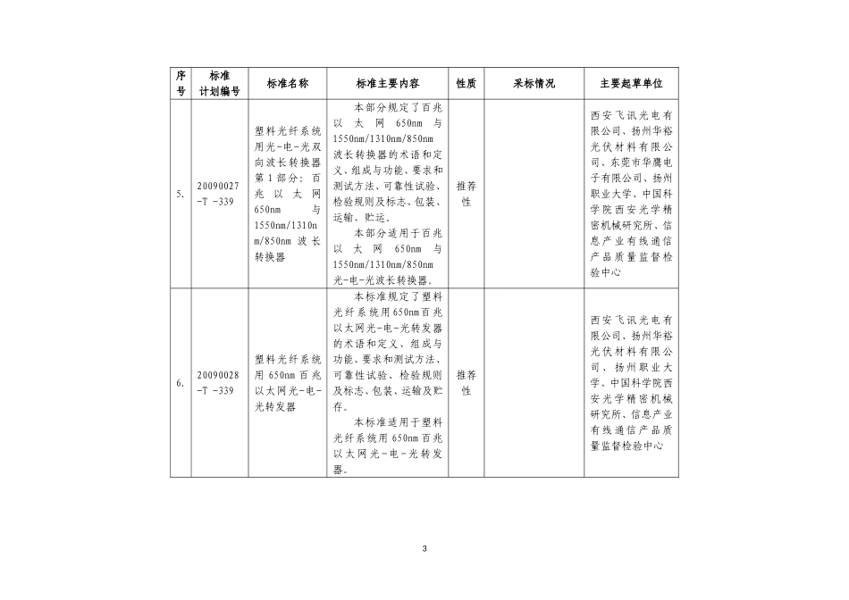
35项通信行业国家标准名称及主要内容序号标准计划编号标准名称标准主要内容性质采标情况主要起草单位1.20076644-T-339No.7信令与IP互通适配层技术要求消息传递部分(MTP)第二级对等适配层(M2PA)本标准规定了NO.7信令消息传递部分第二级对等适配层(M2PA)协议的功能、消息参数、格式和程序。本标准适用于采用M2PA协议作为信令传送适配协议的IP信令点、信令网关等设备。推荐性IETFRFC4165,NEQ工业和信息化部电信研究院、上海贝尔股份有限公司、中兴通讯股份有限公司2.20076646-T-339No.7信令与IP互通适配层技术要求消息传递部分(MTP)第三级用户适配层(M3UA)本标准规定了No.7信令消息传递部分(MTP)第三级用户适配层(M3UA)协议的功能、消息参数格式以及程序。本标准适用于采用M3UA协议的信令网关设备、软交换设备等。推荐性IETFRFC4666,NEQ工业和信息化部电信研究院、华为技术有限公司、中兴通讯股份有限公司、上海贝尔股份有限公司1序号标准计划编号标准名称标准主要内容性质采标情况主要起草单位3.20076662-T-339光缆防鼠性能测试方法本标准规定了三种防鼠性能测试方法,包括测试的试样、装置、程序、结果的表示和试验报告等。本标准适用于具有单层或多层金属铠装且不含忌避剂等任何化学药剂的光缆、护套材料、金属铠装材料的防鼠性能评估。其中的金属铠装层可以是金属管、纵包(或绕包)金属带或绞合(或编织)金属丝。具有类似结构的其它线缆等产品的防鼠性能测试也可参照使用。推荐性北京康宁光缆有限公司、成都康宁光缆有限公司、北京邮电大学、北京通和实益电信科学技术研究所有限公司、武汉邮电科学研究院、长飞光纤光缆有限公司、江苏永鼎股份有限公司、江苏亨通光电股份有限公司4.20090031-T-339管道、直埋和非自承式架空敷设用单模通信室外光缆本标准规定了管道、直埋和非自承式架空敷设用单模通信室外光缆的结构和材料、性能要求、试验方法、包装和运输等。本标准适用于以管道、直埋、或非自承式架空方式敷设使用的单模通信室外光缆。推荐性IEC60794-3-11:2010,MOD大唐电信科技产业集团、北京通和实益电信科学技术研究所有限公司、武汉邮电科学研究院、长飞光纤光缆有限公司2序号标准计划编号标准名称标准主要内容性质采标情况主要起草单位5.20090027-T-339塑料光纤系统用光-电-光双向波长转换器第1部分:百兆以太网650nm与1550nm/1310nm/850nm波长转换器本部分规定了百兆以太网650nm与1550nm/1310nm/850nm波长转换器的术语和定义、组成与功能、要求和测试方法、可靠性试验、检验规则及标志、包装、运输、贮运。本部分适用于百兆以太网650nm与1550nm/1310nm/850nm光-电-光波长转换器。推荐性西安飞讯光电有限公司、扬州华裕光伏材料有限公司、东莞市华鹰电子有限公司、扬州职业大学、中国科学院西安光学精密机械研究所、信息产业有线通信产品质量监督检验中心6.20090028-T-339塑料光纤系统用650nm百兆以太网光-电-光转发器本标准规定了塑料光纤系统用650nm百兆以太网光-电-光转发器的术语和定义、组成与功能、要求和测试方法、可靠性试验、检验规则及标志、包装、运输及贮存。本标准适用于塑料光纤系统用650nm百兆以太网光-电-光转发器。推荐性西安飞讯光电有限公司、扬州华裕光伏材料有限公司、扬州职业大学、中国科学院西安光学精密机械研究所、信息产业有线通信产品质量监督检验中心3序号标准计划编号标准名称标准主要内容性质采标情况主要起草单位7.20090029-T-339650nm百兆以太网塑料光纤网络适配器本标准规定了650nm百兆以太网塑料光纤网络适配器的术语和定义、组成与功能、要求和测试方法、可靠性试验、检验规则及标志、包装、运输、贮存。本标准适用于650nm百兆以太网塑料光纤网络适配器。推荐性西安飞讯光电有限公司、扬州华裕光伏材料有限公司、扬州职业大学、中国科学院西安光学精密机械研究所、信息产业有线通信产品质量监督检验中心8.20091171-T-339基于公用电信网的宽带客户网络安全技术要求本标准规定了基于公用电信网的宽带客户网络的安全威胁、安全需求、安全机制和安全算法、设备认证证书轮廓以及安全功能。本标准适用于电信网络提供的业务和应用通过...

1、当您付费下载文档后,您只拥有了使用权限,并不意味着购买了版权,文档只能用于自身使用,不得用于其他商业用途(如 [转卖]进行直接盈利或[编辑后售卖]进行间接盈利)。
2、本站所有内容均由合作方或网友上传,本站不对文档的完整性、权威性及其观点立场正确性做任何保证或承诺!文档内容仅供研究参考,付费前请自行鉴别。
3、如文档内容存在违规,或者侵犯商业秘密、侵犯著作权等,请点击“违规举报”。

碎片内容

通信国家标准

确认删除?
VIP
微信客服
  • 扫码咨询
会员Q群
  • 会员专属群点击这里加入QQ群
客服邮箱
回到顶部