电脑桌面
添加小米粒文库到电脑桌面
安装后可以在桌面快捷访问

机修车间维修管理办法VIP免费

机修车间维修管理办法_第1页
1/3
机修车间维修管理办法_第2页
2/3
机修车间维修管理办法_第3页
3/3
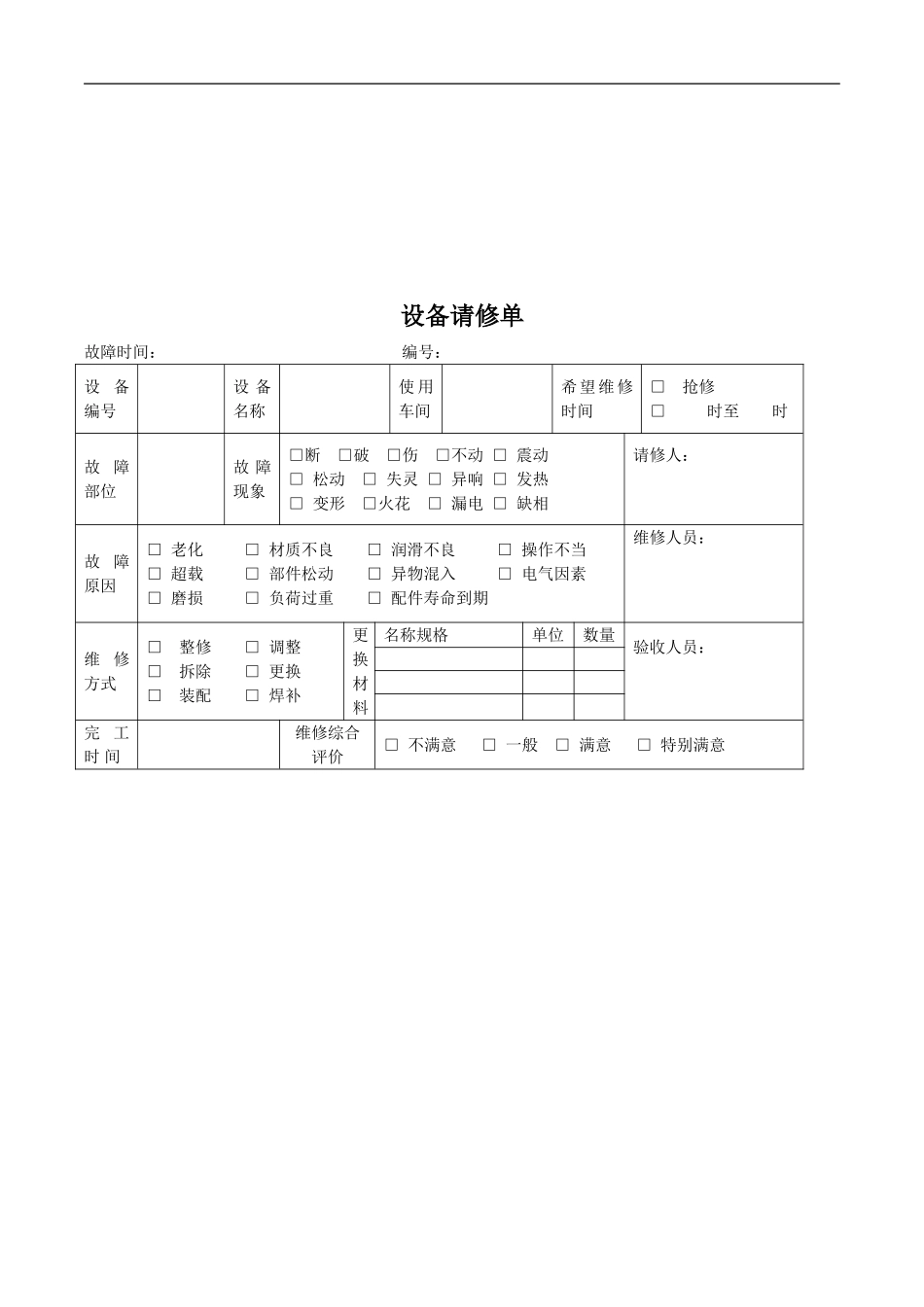
设备维修管理办法为了加强公司设备维修管理,规范设备的使用和维护,延长设备的使用寿命,节约设备维护成本,进一步提升管理水平,保证车间各项工作有序进行,结合公司实际情况,特制定本办法。一、总则1、本制度适用于公司车间管理人员、机电人员及设备、设施的操作人员。2、坚持预防为主,按规定定期维护保养的原则。3、坚持勤俭节约,追求经济效益的原则。4、坚持“内修为主,外修为辅”的原则。5、坚持严格考核,奖罚并举的原则。二、工作职责1、设备主管:负责公司设备的管理,设备维修计划的制定、监督、实施,负责监督考核机修组的日常工作,负责收集设备常发故障,组织机电维修人员进行原因分析及讨论对策方案,负责设备及人员的管辖和调配,培养、巩固骨干队伍,切实保障设施设备的安全运行与完好。2、机电组长:负责本车间人员、设施、材料以及安全、卫生等日常管理活动,建立完整的管理体系和规范系统的维修流程化、标准化,每月对机电人员本月维修质量、工期、大件更换、返修次数的进行考核。3、车间负责人:负责本车间所有设备的日常管理,监督操作人员按规定对设备进行点检和日常维护保养工作的落实情况,负责联系设备部对设备进行维修保养。4、操作人员:按规定对所使用的设备进行点检和日常维护保养工作,对发现的问题时,马上停机,并第一时间向车间负责人反映、上报设备部。三、机电人员的行为规范1、所有机电人员进入车间必须按要求穿戴工作服,配发的各类劳动保护用品,不允许穿拖鞋、赤背或衣帽不整进入车间。2、检修时,使用的工用具和零部件不得随意放置,维修完成后,点清工具和带走更换的零部件。3、禁止机电人员酒后上岗,不得在酒后上班闹事和影响工作。4、各机修车间负责人及员工应严格遵守劳动纪律,按时上下班,杜绝迟到早退、串岗脱岗。5、维修设备必须定点放置,维修车间内专用工具、设备必须贴上相应的名称。四、设备维修管理办法1、“请修单”制度的建立,维修流程:操作人员(发现问题及时上报故障情况)车间负责人(先电话通知设备维修班长或设备主管,再填写请修单)设备主管或维修班长(判定设备故障原因,安排人员维修)维修人员(维修完成后,空机试运行,再交由操作人员试机)车间负责人(签字验收,并评价本次维修质量、工期)2、公司所有设备实行定人、定机、定岗制度,明确职责范围,落实责任。3、做好各设备的维修记录,对高频故障要想办法攻克;对易脱落部件,在必要时,电焊“焊死”,防止脱落进入产品中。4、大件更换必须经设备主管同意,按照保证维修厉行节约的原则,能修复的零部件,不能随意报废,更换新件。5、机电设备部应分类妥善保管好能够利用的旧件,开展“修旧利废”的工作,节约成本。6、做好各类设备的修理技术经验统计工作,加强相互交流学习,按照设备维修检测的标准化流程,尽量避免因判断失误和经验主义等造成误修、错修,给公司造成损失。7、车间工作人员严格执行精细化管理和“手指口述”操作法(是一种从日本引进的方法,简单易学,实用操作性强。实施“手指口述”操作法,将少出错误、少出纰漏,少出事故,为安全生产打下了良好的基础,将各工种的操作行为、操作规范、注意事项等一一进行“手指口述”,如何处理避免在工作中出现的风险和问题,做到心中有数,熟练掌握岗位责任及操作规程,提高岗位技能)。8、在大型设备维修过程中,设备操作人员必须到现场,参与维修全过程,协助维修人员和进一步学习和了解设备运行原理。9、操作人员使用新设备前与维修人员维修新设备前在必须经过培训,做到“三好”(管好、用好、维护好)“四会”(会使用、会维护、会检查、会排除简单故障)的基本功,才能独立使用和维修新设备。10、机修车间应配备“金属废件”、“橡胶、塑料废件”“废机油”三种垃圾箱,待修设备、已修设备、待修复旧件或可拆卸零部件设备,并注明区分标记放置,必须挂牌管理。11、托外加工应加强监督验收管理工作,做好台账记录。12、设备采购、维修要不断应用新技术、新工艺、新材料,在保证安全运行的前提下,最大限度的简化结构,从而降低维修费用,进行小型技术改造。13、建立维修设备的三级维...

1、当您付费下载文档后,您只拥有了使用权限,并不意味着购买了版权,文档只能用于自身使用,不得用于其他商业用途(如 [转卖]进行直接盈利或[编辑后售卖]进行间接盈利)。
2、本站所有内容均由合作方或网友上传,本站不对文档的完整性、权威性及其观点立场正确性做任何保证或承诺!文档内容仅供研究参考,付费前请自行鉴别。
3、如文档内容存在违规,或者侵犯商业秘密、侵犯著作权等,请点击“违规举报”。

碎片内容

机修车间维修管理办法

您可能关注的文档

确认删除?
VIP
微信客服
  • 扫码咨询
会员Q群
  • 会员专属群点击这里加入QQ群
客服邮箱
回到顶部