电脑桌面
添加小米粒文库到电脑桌面
安装后可以在桌面快捷访问

版医院感染管理质量考核标准VIP免费

版医院感染管理质量考核标准_第1页
1/27
版医院感染管理质量考核标准_第2页
2/27
版医院感染管理质量考核标准_第3页
3/27
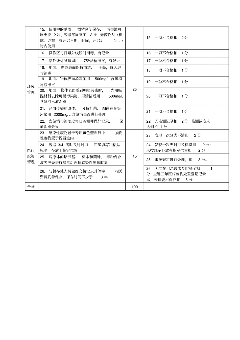
检验科医院感染管理质量考核标准项目考核内容标准分考核方法得分组织管理1.科室医院感染管理小组职责明确,有分工,小组成员每月有开展工作记录101.一人职责不明确扣1分;未按月开展工作扣0.5分//次2.科室院感小组每月对科室的院感管理工作有分析、评价,对存在的问题有反馈、督查2.院感小组每月未集中对科室的医院感染管理工作进行分析、总结,扣1分/次;分析、评价未结合实际或缺对问题的反馈、督查,扣0.5分/次3.科室院感小组每月组织本科院感知识培训至少一次,有课件内容、参加人员签名记录等;每半年进行院感知识考试一次,有试卷及成绩3.无培训记录扣0.5分/次;无考核1次扣1分4.建立完善的科室院感管理文档4.1医院相关部门发布与院感有关的文件4.2结合科室特点制定的医院感染预防与控制制度4.3院感管理质量分析、持续改进措施等4.4建立工作人员健康档案4.一项不健全扣1分5.微生物室应对常见感染部位病原谱与耐药性进行监测,每月对监测结果总结、分析,及时向院感科和医护人员公布5.一次未做到扣2分手卫生6.洗手设施齐全(洗手液、干手物品、手消毒剂)156.一项不合格扣1分7.操作前后应当严格手卫生,戴手套处理不同标本后应更换手套,有明显污染时及时更换;戴一双手套不允许处理多项标本,以免造成交叉感染7.现场检查,一次不符合要求扣1分8.考核六步洗手法8.现场考核,一人次洗手不正确扣1分职业防护9.医务人员掌握职业暴露处理流程及防护知识,能够正确使用各类防护用品159.现场考核医务人员对职业暴露发生后的处理流程,一人次考核不合格扣1分;现场查看防护用品的使用时机,一次不符合要求扣1分10.工作人员进入工作区须穿工作服、戴工作帽,必要时穿隔离衣、胶鞋,戴口罩、手套,为每位病人操作前、后洗手或手消毒。可能接触传染病病人标本及其污染的物表或设备时,应戴手套,脱手套后洗手10.现场查看一人次不符合要求扣2分11.严格执行各项技术操作规程,遵循“标准预防”的原则,发生职业暴露后及时报告、处理11.现场考核医务人员对“标准预防”的了解,一人次不合格扣1分;发生职业暴露未及时报告,处理各扣1分消毒隔离12.微量采血应一人一针一管一片2012.一人次不符合要求扣1分13.静脉采血必须一人一针一管一带一巾13.一人次不符合要求扣1分14.无过期物品:一次性医疗用品、消毒剂、试剂等14.发现一件过期物品扣3分15.使用中的碘酒、酒精密闭保存,消毒液每周更换2次,容器每周灭菌2次;无菌物品(棉球、纱布)有开启日期、时间,开启后24小时内使用15.一项不合格扣2分环境管理16.操作区每日紫外线照射消毒,有记录2516.一项不合格扣1分17.紫外线灯管每周用75%酒精擦拭,有记录17.一项不合格扣1分18.地面、物体表面保持清洁、干燥,每天进行消毒18.一项不合格扣1分19.地面、物体表面消毒采用500mg/L含氯消毒液擦拭19.一项不合格扣1分20.地面、物体表面受到明显污染时,先用吸湿材料去除可见污染物,再清洁后用500mg/L含氯消毒液消毒20.一项不合格扣1分21.经血传播病原体、分枝杆菌、细菌芽孢等污染用2000mg/L含氯消毒液进行处理21.一项不合格扣1分22.含氯消毒液浓度每日监测并做好记录,保证消毒效果22.无监测记录扣2分;监测浓度未达到扣1分医疗废物管理23.感染性废物置于专用黄色塑料袋中,损伤性废物置于锐器盒内1523.发现一次分类不清扣2分24.容器3/4满时及时封口,正确填写和粘贴标签,存放于指定位置24.发现一次无封口及标识扣2分;未按规定存放在指定位置扣2分25.病原体的培养基、标本和菌种、毒种保存液等应先进行消毒后再按感染性废物收集25.未按规定进行处理,扣3分。26.与暂存处人员做好交接记录并签字;相关资料妥善保存,保存时间不少于3年26.无交接记录或未及时签字扣1分;查近三年医疗废物处置登记记录本,未按要求保存扣5分合计100手术室医院感染管理质量考核标准项目考核内容标准分考核方法扣分组织管理1.科室医院感染管理小组职责明确,有分工,小组成员每月有开展工作记录151.一人职责不明确扣1分;未按月开展工作扣0.5分//次2.科室院感小组每月对科室的院感管理工作有分析、评价,对存在的问题有反馈、督查2.院感小组每月未集中对科室的医院感...

1、当您付费下载文档后,您只拥有了使用权限,并不意味着购买了版权,文档只能用于自身使用,不得用于其他商业用途(如 [转卖]进行直接盈利或[编辑后售卖]进行间接盈利)。
2、本站所有内容均由合作方或网友上传,本站不对文档的完整性、权威性及其观点立场正确性做任何保证或承诺!文档内容仅供研究参考,付费前请自行鉴别。
3、如文档内容存在违规,或者侵犯商业秘密、侵犯著作权等,请点击“违规举报”。

碎片内容

版医院感染管理质量考核标准

文库当当响+ 关注
实名认证
内容提供者

该用户很懒,什么也没介绍

确认删除?
VIP
微信客服
  • 扫码咨询
会员Q群
  • 会员专属群点击这里加入QQ群
客服邮箱
回到顶部