电脑桌面
添加小米粒文库到电脑桌面
安装后可以在桌面快捷访问

环境保护要素评价表VIP免费

环境保护要素评价表_第1页
1/4
环境保护要素评价表_第2页
2/4
环境保护要素评价表_第3页
3/4
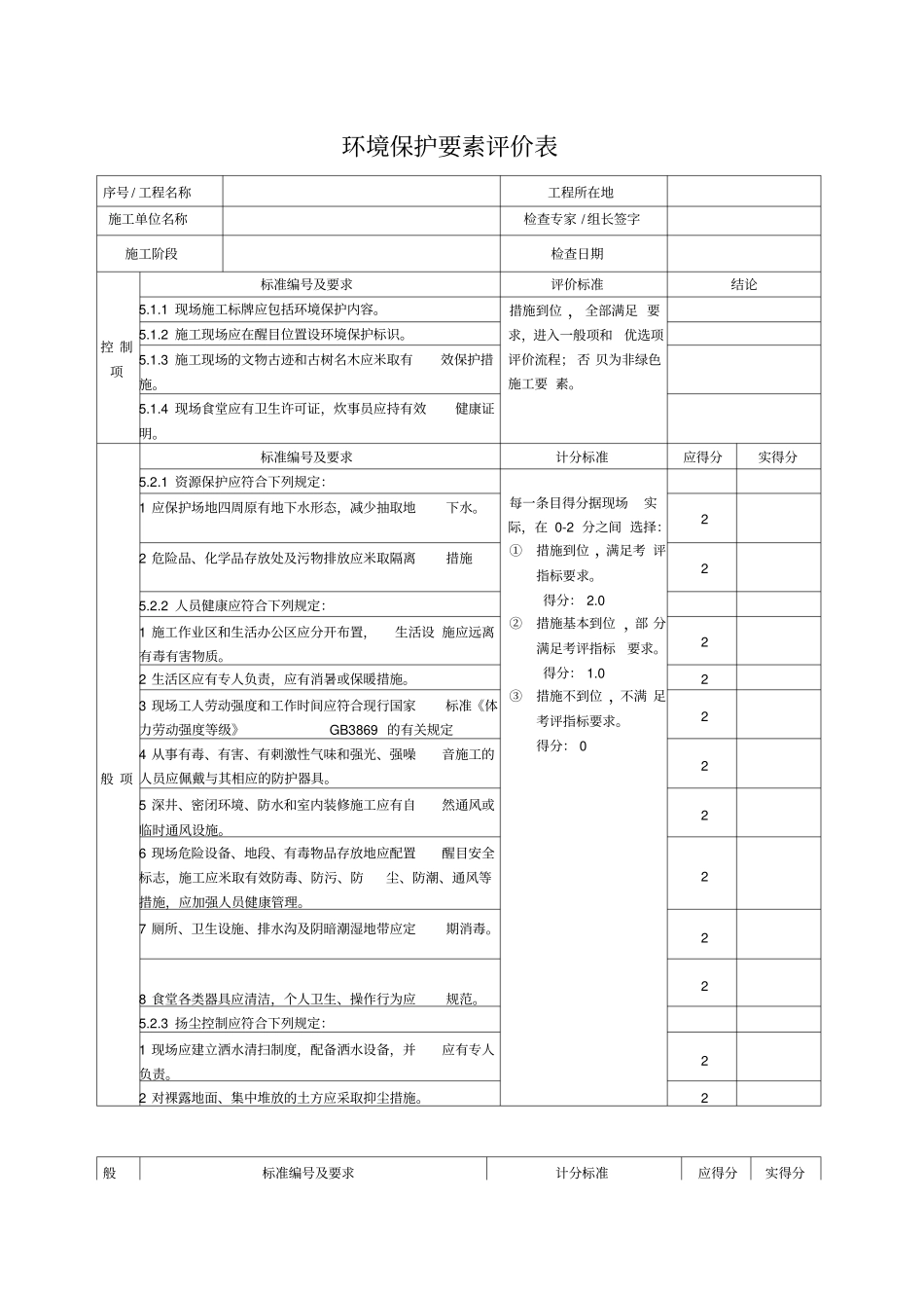
环境保护要素评价表序号/工程名称工程所在地施工单位名称检查专家/组长签字施工阶段检查日期控制项标准编号及要求评价标准结论5.1.1现场施工标牌应包括环境保护内容。措施到位,全部满足要求,进入一般项和优选项评价流程;否贝为非绿色施工要素。5.1.2施工现场应在醒目位置设环境保护标识。5.1.3施工现场的文物古迹和古树名木应米取有效保护措施。5.1.4现场食堂应有卫生许可证,炊事员应持有效健康证明。般项标准编号及要求计分标准应得分实得分5.2.1资源保护应符合下列规定:每一条目得分据现场实际,在0-2分之间选择:①措施到位,满足考评指标要求。得分:2.0②措施基本到位,部分满足考评指标要求。得分:1.0③措施不到位,不满足考评指标要求。得分:01应保护场地四周原有地下水形态,减少抽取地下水。22危险品、化学品存放处及污物排放应米取隔离措施25.2.2人员健康应符合下列规定:1施工作业区和生活办公区应分开布置,生活设施应远离有毒有害物质。22生活区应有专人负责,应有消暑或保暖措施。23现场工人劳动强度和工作时间应符合现行国家标准《体力劳动强度等级》GB3869的有关规定24从事有毒、有害、有刺激性气味和强光、强噪音施工的人员应佩戴与其相应的防护器具。25深井、密闭环境、防水和室内装修施工应有自然通风或临时通风设施。26现场危险设备、地段、有毒物品存放地应配置醒目安全标志,施工应米取有效防毒、防污、防尘、防潮、通风等措施,应加强人员健康管理。27厕所、卫生设施、排水沟及阴暗潮湿地带应定期消毒。28食堂各类器具应清洁,个人卫生、操作行为应规范。25.2.3扬尘控制应符合下列规定:1现场应建立洒水清扫制度,配备洒水设备,并应有专人负责。22对裸露地面、集中堆放的土方应采取抑尘措施。2般标准编号及要求计分标准应得分实得分3运送土方、渣土等易产生扬尘的车辆应采取2项封闭或遮盖措施。每一条目得分据现场实际,在0-2分之间选择:①措施到位,满足考评指标要求。得分:2.0②措施基本到位,部分满足考评指标要求。得分:1.0③措施不到位,不满足考评指标要求。得分:04现场进出口应设冲洗池和吸湿垫,应保持进出现场车辆清洁。25易飞扬和细颗粒建筑材料应圭寸闭存放,余料应及时回收。26易产生扬尘的施工作业应采取遮挡、抑尘等措施。27拆除爆破作业应有降尘措施。28咼空垃圾清运应采用封闭式管道或垂直运输机械完成。29现场使用散装水泥、预拌砂浆应有密闭防尘措施。2524废气排放控制应符合下列规定:1进出场车辆及机械设备废气排放应符合国家年检要求。22不应使用煤作为现场生活的燃料。23电焊烟气的排放应符合现行国家标准《大气污染物综合排放标准》GB16297的规定。24不应在现场燃烧废弃物。25.2.5建筑垃圾处置应符合下列规定:1建筑垃圾应分类收集、集中堆放。22废电池、废墨盒等有毒有害的废弃物应封闭回收,不应混放。23有毒有害废物分类率应达到100%24垃圾桶应分为可回收利用与不可回收利用两类,应定期清运。25建筑垃圾回收利用率应达到30%26碎石和土石方类等应用作地基和路基回填材料。25.2.6污水排放应符合下列规定:1现场道路和材料堆放场地周边应设排水沟。22工程污水和试验室养护用水应经处理达标后排入市政污水管道。23现场厕所应设置化粪池,化粪池应定期清理。24工地厨房应设隔油池,应定期清理。25雨水、污水应分流排放。25.2.7光污染应符合下列规定:1夜间焊接作业时,应采取挡光措施。22工地设置大型照明灯具时,应有防止强光线外泄的措施。2般项标准编号及要求计分标准应得分实得分528噪音控制应符合下列规定:每一条目得分据现场实际,在0-2分之间选择:①措施到位,满足考评指标要求。得分:2.0②措施基本到位,部分满足考评指标要求。得分:1.01应采用先进机械、低噪音设备进行施工,机械、设备应定期保养维护。22产生噪声较大的机械设备,应尽量远离施工现场办公区、生活区和周边住宅区。23混凝土输送泵、电锯房等应设有吸音降噪屏或其他降噪措施。24夜间施工噪音声强值应符合国家有关规定。③措施不到位,不满足考评指标要求,得分:025吊装作业指挥应使用对讲机传达指令。25.2.9施工现场应设置连续、密闭能有效...

1、当您付费下载文档后,您只拥有了使用权限,并不意味着购买了版权,文档只能用于自身使用,不得用于其他商业用途(如 [转卖]进行直接盈利或[编辑后售卖]进行间接盈利)。
2、本站所有内容均由合作方或网友上传,本站不对文档的完整性、权威性及其观点立场正确性做任何保证或承诺!文档内容仅供研究参考,付费前请自行鉴别。
3、如文档内容存在违规,或者侵犯商业秘密、侵犯著作权等,请点击“违规举报”。

碎片内容

环境保护要素评价表

确认删除?
VIP
微信客服
  • 扫码咨询
会员Q群
  • 会员专属群点击这里加入QQ群
客服邮箱
回到顶部