电脑桌面
添加小米粒文库到电脑桌面
安装后可以在桌面快捷访问

线外涵施工方案VIP免费

线外涵施工方案_第1页
1/7
线外涵施工方案_第2页
2/7
线外涵施工方案_第3页
3/7
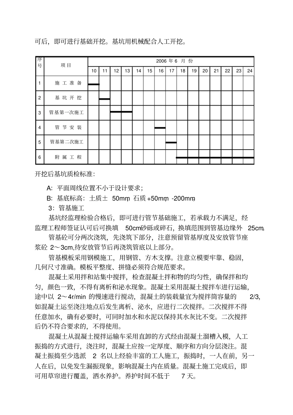
QPK10+568.5(3#、4#)线外涵施工方案一、编制依据1.威乌高速公路工程六合同投标书、设计施工图。2.交通部现行的设计、施工规范和工程质量检验评定标准:《公路桥涵施工技术规范》JTJ041--2000《公路工程质量检验与评定标准》JTGF80/1--2004《公路路基施工技术规范》JTJ033--19953.项目部相关人员对工地现场勘察测量资料。4.项目部对本工程的总体计划和质量要求。二、工程概况QPK10+568.5(3#、4#)线外涵位于普东南Ⅶ号桥两侧,与普东南Ⅶ号桥被交路成900交角,单个涵长8米,共长16米,管节直径为1米.主要工程量为:C30钢筋混凝土预制管2米的8节共5.52m3。C15现浇帽石及端墙混凝土6m3;M7.5浆砌片石6.68m3。三、施工准备1.三通一平:便道已修通,场地平整完毕;施工用水为抽取检验符合要求的地下水;施工用电为自备发电机。2.材料准备:主要材料数量见下表名称规格单位数量砂中粗m33碎石级配碎石m33.5片石30号m39.4水泥P.O32.5t0.5预制管节φ1m钢筋混凝土节/m8/16.0混凝土由在K210+500左侧的砼拌和站集中供应。各种材料均随施工进度陆续进场。3.测量放样:测量队放设QPK10+568.5(3#、4#)线外涵轴线桩,经监理复核无误后,再引出护桩,以便于施工中自我复核。4.试验:砼配合比经过试验已经确定,并经监理认可。进场水泥、砂石料经检测符合设计及规范要求。四、人员机械组合QPK10+568.5(3#、4#)线外涵施工由二工区桥涵队施工,施工负责人,主要施工人员及设施见下表:主要管理人员一览表姓名职务职责备注**施工负责人全面负责施工,材料和机械调度**技术负责人编制施工方案,技术交底,技术管理**技术员现场施工质量管理**质检工程师负责质量控制**安全负责人安全检查,安全管理**试验工程师负责砼及原材料的质量控制**测量工程师施工放样,测量复核监督**物资负责人物资供应,物资材料管理其他:技工5人;普工10人主要机械一览表机械名称规格数量机械名称规格数量砂浆拌和机350L1台混凝土罐车9m31辆挖掘机CAT2201台插入式震动器4台发电机12KW1台吊车12T1台水泵1.1KW2台五、施工进度安排计划工期:2006年06月10日至2004年06月24日,合计13天。具体见下页表:施工进度横道图六、施工方案1.施工准备开工前,做好施工现场准备。平整场地,修建施工临时设施,安装调试好施工机具。标定试验器具、测量仪器,复核测量技术资料。做好材料的储存和堆放,做好开工前的试验检测工作。2.基坑开挖场地清理完毕,测量原地面标高,确定开挖深度。放线定位经监理复核认可后,即可进行基础开挖。基坑用机械配合人工开挖。1011121314151617181920212223241施工准备2基坑开挖3管基第一次施工4管节安装5管基第二次施工6附属工程序号项目2006年6月份开挖后基坑质检标准:A:平面周线位置不小于设计要求;B:基底标高:土质±50mm,石质+50mm,-200mm。3:管基施工基坑经监理检验合格后,即可进行管节基础施工,若承载力不满足,经监理工程师签证认可后可换填50cm砂砾或碎石,换填范围到管基边缘外25cm。管基砼可分两次浇筑,先浇筑下部分,注意预留管基厚度及安放管节座浆砼2~3cm,待安放管节后再浇筑管底以上部分。管基模板采用钢模施工,用钢管、方木支撑。注意立模要牢靠、稳固,几何尺寸准确。模板平整度、拼缝必须符合规范要求。混凝土采用拌和站集中搅拌,检查混凝土拌和物的均匀性,确保拌和均匀,颜色一致,不得有离析和泌水现象。混凝土采用混凝土搅拌车进行运输,途中以2~4r/min的慢速进行搅动,混凝土的装载量宜为搅拌筒容量的2/3,如混凝土运至浇注地点后发生离析、泌水,应进行二次搅拌。二次搅拌不得任意加水,确有必要时,可同时加水和水泥以保持其水灰比不变。二次搅拌后仍不符合要求的,不得使用。混凝土从混凝土搅拌运输车采用直卸的方式经由混凝土溜槽入模,人工振捣的方式进行,浇注时,混凝土应按一定厚度、顺序和方向分层浇注。混凝土振捣至少选派2名以上经验丰富的工人施工,振捣时,一人在前,另一人在后,以免发生漏振现象,影响混凝土内在质量。混凝土施工完成后,即可用草帘进行覆盖,洒水养护。养护时间不低于7天。施工时基础沉降缝按设计位置分段施工,基础沉降缝宽...

1、当您付费下载文档后,您只拥有了使用权限,并不意味着购买了版权,文档只能用于自身使用,不得用于其他商业用途(如 [转卖]进行直接盈利或[编辑后售卖]进行间接盈利)。
2、本站所有内容均由合作方或网友上传,本站不对文档的完整性、权威性及其观点立场正确性做任何保证或承诺!文档内容仅供研究参考,付费前请自行鉴别。
3、如文档内容存在违规,或者侵犯商业秘密、侵犯著作权等,请点击“违规举报”。

碎片内容

线外涵施工方案

确认删除?
VIP
微信客服
  • 扫码咨询
会员Q群
  • 会员专属群点击这里加入QQ群
客服邮箱
回到顶部