电脑桌面
添加小米粒文库到电脑桌面
安装后可以在桌面快捷访问

新版分户验收记录表VIP免费

新版分户验收记录表_第1页
1/12
新版分户验收记录表_第2页
2/12
新版分户验收记录表_第3页
3/12
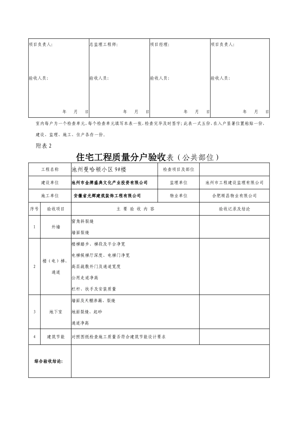
附表1住宅工程质量分户验收表(户内)工程名称池州曼哈顿小区9#楼房(户)号建设单位池州市金牌盛典文化产业投资有限公司监理单位池州市工程建设监理有限公司施工单位安徽省光辉建筑装饰工程有限公司物业单位合肥顺昌物业有限公司序号验收项目主要验收内容验收记录1楼地面、墙面和顶棚地面裂缝、空鼓、材料环保性能,墙面和顶棚爆灰、空鼓、裂缝,装饰图案、缝格、色泽、表面洁净2门窗窗台高度、渗水、门窗启闭、玻璃安装3栏杆栏杆高度、间距、安装牢固、防攀爬措施4防水工程屋面渗水、厨卫间渗水、阳台地面渗水、外墙渗水5室内主要空间尺寸开间净尺寸、室内净高6给排水工程管道渗水、管道坡向、安装固定、地漏水封、给水口位置7电气工程接地、相位、控制箱配置,开关、插座位置8建筑节能保温层厚度、固定措施9其它烟道、通风道、邮政信报箱等分户验收结论:建设单位监理单位施工单位物业或其他单位项目负责人:验收人员:年月日总监理工程师:验收人员:年月日项目经理:验收人员:年月日项目负责人:验收人员:年月日室内每户为一个检查单元,每个检查单元填写本表一张,检查完毕及时签字;此表一式五份,在入户显著位置粘贴一份,建设、监理、施工、住户各存一份。附表2住宅工程质量分户验收表(公共部位)工程名称池州曼哈顿小区9#楼检查项目及部位建设单位池州市金牌盛典文化产业投资有限公司监理单位池州市工程建设监理有限公司施工单位安徽省光辉建筑装饰工程有限公司物业单位合肥顺昌物业有限公司序号验收项目主要验收内容验收记录及结论1外墙窗角斜裂缝墙面裂缝2楼(电)梯、通道楼梯踏步、梯段及平台净宽电梯候梯厅深度、电梯门净宽高层疏散外门及通道宽度公用走道净高栏杆、扶手及安装质量3地下室墙面及天棚渗漏、裂缝地面裂缝、起砂通道净高4建筑节能对照图纸检查施工质量否符合建筑节能设计要求综合验收结论:建设单位监理单位施工单位物业单位项目负责人:验收人员:年月日总监理工程师:验收人员:年月日项目经理:验收人员:年月日项目负责人:验收人员:年月日1、公共部位检查单元划分:每个单元的外墙为一个检查单元;各单元每层楼(电)梯及上下梯段、通道(平台)为一个检查单元;地下室(地下车库等大空间的除外)每个单元或各个分隔空间为一个检查单元。2、每个检查单元填写本表一张,本表一式三份,建设、监理、施工各一份。附表3住宅工程质量分户验收汇总表附表4:住宅工程质量分户验收问题记录表工程名称池州曼哈顿小区9#楼结构层数框剪面积15522㎡建设单位池州市金牌盛典文化产业投资有限公司监理单位池州市工程建设监理有限公司总户数156户施工单位安徽省光辉建筑装饰工程有限公司物业单位合肥顺昌物业有限公司开工日期2015年8月1日验收时间年月日—年月日验收结论本工程共156户共验收户验收合格户,验收不合格户,已整改至合格户不符合住宅工程质量分户验收要求,但不影响结构安全和使用功能户不符合住宅工程质量分户验收的要求,但不影响结构安全和使功能户号为:备注建设单位监理单位施工单位物业单位建设单位项目负责人:(公章)年月日总监理工程师:(公章)年月日施工单位公司(分公司)质量技术部门负责人:项目经理:(公章)年月日物业单位负责人:(公章)年月日工程名称池州曼哈顿小区9#楼验收时间年月日房号存在问题处理情况备注建设单位监理单位施工单位物业单位项目负责人:验收人员:年月日总监理工程师:验收人员:年月日项目经理:验收人员:年月日项目负责人:验收人员:年月日附表5:住宅工程质量分户验收记录表(空间尺寸)工程名称池州曼哈顿小区8#楼房(户)号抽测时间房间编号推算值(mm)实测值(mm)计算值(mm)净高开间进深H1H2H3H4H5L1L2L3L4净高开间进深最大偏差极差最大偏差极差最大偏差极差客厅餐厅卧室卧室卧室实测房间,不符合要求房间,需整改处理房间:。抽测人员:(建设单位):(监理单位):(施工单位):(物业单位):净高、净开间、净进深测量示意图LLH2H3H5H4H1L2L1L3L4北说明:1、H1-H5代表房间净高尺寸,L1-L5代表房间开间和进深尺寸,L值宜取500mm;2、偏差为实测值与推算值之差的绝对值,不得超过12.5mm;...

1、当您付费下载文档后,您只拥有了使用权限,并不意味着购买了版权,文档只能用于自身使用,不得用于其他商业用途(如 [转卖]进行直接盈利或[编辑后售卖]进行间接盈利)。
2、本站所有内容均由合作方或网友上传,本站不对文档的完整性、权威性及其观点立场正确性做任何保证或承诺!文档内容仅供研究参考,付费前请自行鉴别。
3、如文档内容存在违规,或者侵犯商业秘密、侵犯著作权等,请点击“违规举报”。

碎片内容

新版分户验收记录表

确认删除?
VIP
微信客服
  • 扫码咨询
会员Q群
  • 会员专属群点击这里加入QQ群
客服邮箱
回到顶部