电脑桌面
添加小米粒文库到电脑桌面
安装后可以在桌面快捷访问

1-业务持续计划和灾难恢复计划VIP免费

1-业务持续计划和灾难恢复计划_第1页
1/7
1-业务持续计划和灾难恢复计划_第2页
2/7
1-业务持续计划和灾难恢复计划_第3页
3/7
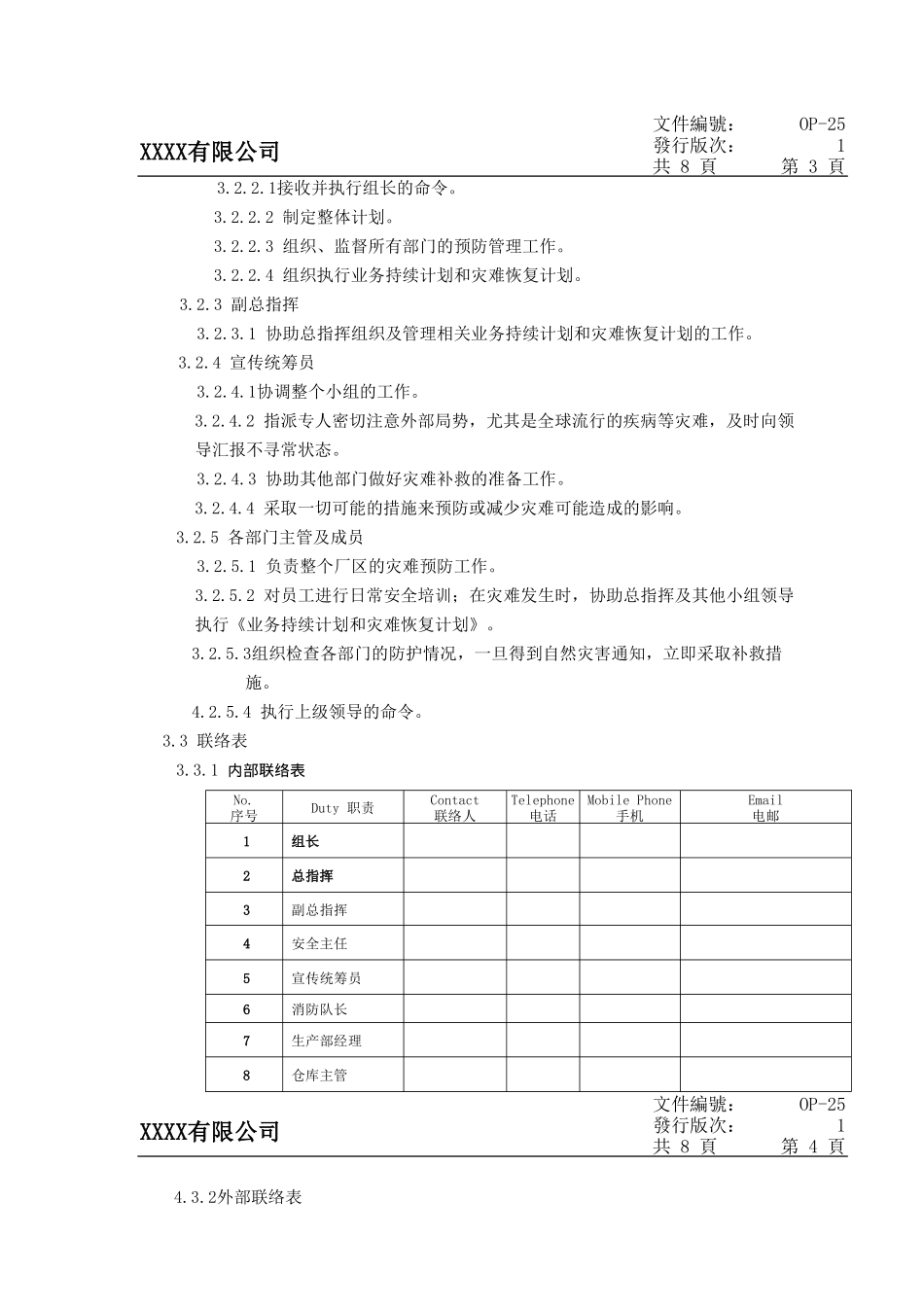
XXXX有限公司文件編號:OP-25發行版次:1共8頁第1頁題目:业务持续计划和灾难恢复计划__________________________________________________________________________________文件編號:OP-25發行版次:1生效日期:2012年12月1日總頁數:3(包括本頁)制定:_____________________日期:_____________________(程序負責人)確認:_____________________日期:_____________________(管理者代表)審批:_____________________日期:_____________________(總經理)印有受控文件章為受控文件,請參閱受控版本文件。受控印章XXXX有限公司文件編號:OP-25發行版次:1共8頁第2頁1.目的:为保障在紧急状况下客户的生产供应不受影响,我们编制了这份《业务持续计划和灾难恢复计划》,目的在于对公司内可能发生的、影响生产的自然灾害及其他人力不可抗力因素,如火灾、断水、断电、台风、劳动力缺失、关键性设备实效等影响,制定应急及补救措施,维护生产活动的正常进行,保证客户产品的供应。此程序适用于公司所有部门。2.定义:2.1“自然灾害”是指在自然界发生的、具有一定破坏性的异常现象。自然灾害通常以洪水、干旱、地震、台风等形式出现。2.2“不可抗力事件”是指由自然或社会原因所造成的不可预见、无法避及控制的客观事件。3.应急小组3.1组织架构图3.2职责与权限3.2.1组长3.2.1.1分析外部形势,决定何时、采取何种补救措施。3.2.1.2下达命令,控制整体局势。3.2.2总指挥XXXX有限公司文件編號:OP-25發行版次:1共8頁第3頁3.2.2.1接收并执行组长的命令。3.2.2.2制定整体计划。3.2.2.3组织、监督所有部门的预防管理工作。3.2.2.4组织执行业务持续计划和灾难恢复计划。3.2.3副总指挥3.2.3.1协助总指挥组织及管理相关业务持续计划和灾难恢复计划的工作。3.2.4宣传统筹员3.2.4.1协调整个小组的工作。3.2.4.2指派专人密切注意外部局势,尤其是全球流行的疾病等灾难,及时向领导汇报不寻常状态。3.2.4.3协助其他部门做好灾难补救的准备工作。3.2.4.4采取一切可能的措施来预防或减少灾难可能造成的影响。3.2.5各部门主管及成员3.2.5.1负责整个厂区的灾难预防工作。3.2.5.2对员工进行日常安全培训;在灾难发生时,协助总指挥及其他小组领导执行《业务持续计划和灾难恢复计划》。3.2.5.3组织检查各部门的防护情况,一旦得到自然灾害通知,立即采取补救措施。4.2.5.4执行上级领导的命令。3.3联络表3.3.1内部联络表No.序号Duty职责Contact联络人Telephone电话MobilePhone手机Email电邮1组长2总指挥3副总指挥4安全主任5宣传统筹员6消防队长7生产部经理8仓库主管XXXX有限公司文件編號:OP-25發行版次:1共8頁第4頁4.3.2外部联络表4.业务持续计划和灾难恢复计划4.1火灾4.1.1公司全员必须保持对火灾的高度警惕,树立火灾风险防范意识,厂区所有设备均须遵守国家消防安全部门的相关指引。为保障安全,所有危险物品均需按特别管理程序存放管理。4.1.2公司所有生产车间、仓库、办公楼及宿舍区域有畅通的消防通道,有足够的消防设备。人事人事行政部应指派专人定期检查,确保安全通道畅通,消防器材在有效的使用期限内。4.1.3当火灾发生时,公司所有员工均有义务报告火灾状况,服从消防指挥。4.1.4特殊情况,如夜班等,当班主管有负责组织关闭电源、报警、灭火,抢救物资,协助指引员工疏散的职责。4.1.5一旦发生火灾,第一发现人应立即电话通知总机及消防安全主管。消防安全主管应视火情组织灭火,将火灾消灭在萌芽状态。4.1.6保安人员获知火情后,应及时发出警报,并打开大门以便员工及时疏散。4.1.7特殊情况不能按上述方法执行时,由管理层临时决定撤离路线,各部门主管负责对疏散人员进行记录。4.1.8若火灾已破坏一些生产设施,应视破坏程度而采取不同的应急补救措施:4.1.8.1生产部会同管理人员立即组织内部或外部专业人员对灾难所影响的设备进行合力抢修,以最快的速度使其恢复正常。4.1.8.2如有需要,跟单部或业务部需立即通知客户并根据客户要求、风险及利益等情况排出优先顺序的应急生产计划,照此应急生产计划实施。XXXX有限公司文件編號:OP-25發行版次:1共8頁第5頁4.1.8.3若重要生产设备损毁...

1、当您付费下载文档后,您只拥有了使用权限,并不意味着购买了版权,文档只能用于自身使用,不得用于其他商业用途(如 [转卖]进行直接盈利或[编辑后售卖]进行间接盈利)。
2、本站所有内容均由合作方或网友上传,本站不对文档的完整性、权威性及其观点立场正确性做任何保证或承诺!文档内容仅供研究参考,付费前请自行鉴别。
3、如文档内容存在违规,或者侵犯商业秘密、侵犯著作权等,请点击“违规举报”。

碎片内容

1-业务持续计划和灾难恢复计划

黄金书屋+ 关注
实名认证
内容提供者

爱好英语教学和互联网行业,热爱教育事业,兢兢业业

确认删除?
VIP
微信客服
  • 扫码咨询
会员Q群
  • 会员专属群点击这里加入QQ群
客服邮箱
回到顶部