电脑桌面
添加小米粒文库到电脑桌面
安装后可以在桌面快捷访问

2014最新水利水电工程施工质量验收评定表及填表说明VIP免费

2014最新水利水电工程施工质量验收评定表及填表说明_第1页
1/91
2014最新水利水电工程施工质量验收评定表及填表说明_第2页
2/91
2014最新水利水电工程施工质量验收评定表及填表说明_第3页
3/91
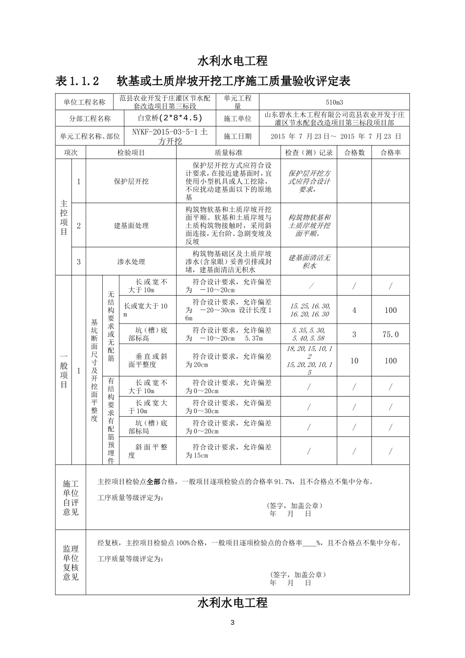
。CB18单元工程施工质量报验单(承包[2015质报号)合同名称:范县农业综合开发于庄灌区节水配套改造项目第三标段合同编号:NYK2015-03致:濮阳市兴华工程咨询监理有限公司范县农业综合开发节水配套改造项目监理部NYKF-2015-03-5-1白堂桥(2*8*4.5)土方开挖单元工程(编码)已按合同要求完成施工,经自检优良,报请贵方核验。附:NYKF-2015-03-5-1白堂桥(2*8*4.5)土方开挖单元工程质量评定表。承包人:山东碧水土木工程有限公司范县农业综合开发于庄灌区节水配套改造项目第三标段项目部项目经理:日期:年月日(核验意见)监理机构::濮阳市兴华工程咨询监理有限公司范县农业综合开发节水配套改造项目监理部监理工程师:日期:年月日说明:本表一式份,由承包人填写。监理机构审签后,承包人2份,监理机构、发包人各1份。1水利水电工程表1.1土方开挖单元工程施工质量验收评定表单位工程名称范县农业开发于庄灌区节水配套改造项目第三标段单元工程量510m3分部工程名称白堂桥(2*8*4.5)施工单位山东碧水土木工程有限公司范县农业开发于庄灌区节水配套改造项目第三标段项目部单元工程名称、部位NYKF-2015-03-5-1土方开挖施工日期2015年7月23日~2015年7月23日项次工序名称工序质量验收评定等级1表土及土质岸坡清理工序/2△软基或土质岸坡开挖工序施工单位自评意见各工序施工质量,其中优良工序占%,且主要工序达到优良等级。单元质量等级评定为:(签字,加盖公章)年月日监理单位复核意见经抽查并查验相关检验报告和检验资料,各工序施工质量,其中优良工序占__%,且主要工序达到__等级。单元工程质量等级评定为:(签字,加盖公章)年月日注1:对重要隐蔽单元工程和关键部位单元工程的施工质量验收评定应有设计、建设等单位的代表签字,具体要求应满足SL176—2007的规定。注2:本表所填“单元工程量”不作为施工单位工程量结算计量的依据。2水利水电工程表1.1.2软基或土质岸坡开挖工序施工质量验收评定表单位工程名称范县农业开发于庄灌区节水配套改造项目第三标段单元工程量510m3分部工程名称白堂桥(2*8*4.5)施工单位山东碧水土木工程有限公司范县农业开发于庄灌区节水配套改造项目第三标段项目部单元工程名称、部位NYKF-2015-03-5-1土方开挖施工日期2015年7月23日~2015年7月23日项次检验项目质量标准检查(测)记录合格数合格率主控项目1保护层开挖保护层开挖方式应符合设计要求,在接近建基面时,宜使用小型机具或人工挖除,不应扰动建基面以下的原地基保护层开挖方式应符合设计要求,2建基面处理构筑物软基和土质岸坡开挖面平顺。软基和土质岸坡与土质构筑物接触时,采用斜面连接,无台阶、急剧变坡及反坡构筑物软基和土质岸坡开挖面平顺。3渗水处理构筑物基础区及土质岸坡渗水(含泉眼)妥善引排或封堵,建基面清洁无积水建基面清洁无积水一般项目1基坑断面尺寸及开挖面平整度无结构要求或无配筋长或宽不大于10m符合设计要求,允许偏差为-10~20cm///长或宽大于10m符合设计要求,允许偏差为-20~30cm设计长度16m15.25,16.30,16.20,16.304100坑(槽)底部标高符合设计要求,允许偏差为-10~20cm5.37m5.35,5.30,5.40,5.58375.0垂直或斜面平整度符合设计要求,允许偏差为20cm18,20,15,10,1215,20,20,10,1510100有结构要求有配筋预埋件长或宽不大于10m符合设计要求,允许偏差为0~20cm///长或宽大于10m符合设计要求,允许偏差为0~30cm///坑(槽)底部标局符合设计要求,允许偏差为0~20cm///斜面平整度符合设计要求,允许偏差为15cm///施工单位自评意见主控项目检验点全部合格,一般项目逐项检验点的合格率91.7%,且不合格点不集中分布。工序质量等级评定为:(签字,加盖公章)年月日监理单位复核意见经复核,主控项目检验点100%合格,一般项目逐项检验点的合格率__%,且不合格点不集中分布。工序质量等级评定为:(签字,加盖公章)年月日水利水电工程3表1.1.2软基或土质岸坡开挖工序施工质量三检表单位工程名称范县农业开发于庄灌区节水配套改造项目第三标段单元工程量500m3分部工程名称白堂桥(2*8*4.5)施工单位山东碧水土木工程有限公司范县农业开发于庄灌区节水配套改造项...

1、当您付费下载文档后,您只拥有了使用权限,并不意味着购买了版权,文档只能用于自身使用,不得用于其他商业用途(如 [转卖]进行直接盈利或[编辑后售卖]进行间接盈利)。
2、本站所有内容均由合作方或网友上传,本站不对文档的完整性、权威性及其观点立场正确性做任何保证或承诺!文档内容仅供研究参考,付费前请自行鉴别。
3、如文档内容存在违规,或者侵犯商业秘密、侵犯著作权等,请点击“违规举报”。

碎片内容

2014最新水利水电工程施工质量验收评定表及填表说明

确认删除?
VIP
微信客服
  • 扫码咨询
会员Q群
  • 会员专属群点击这里加入QQ群
客服邮箱
回到顶部