电脑桌面
添加小米粒文库到电脑桌面
安装后可以在桌面快捷访问

CHB-系列1-2(1)温控仪表说明书VIP免费

CHB-系列1-2(1)温控仪表说明书_第1页
1/3
CHB-系列1-2(1)温控仪表说明书_第2页
2/3
CHB-系列1-2(1)温控仪表说明书_第3页
3/3
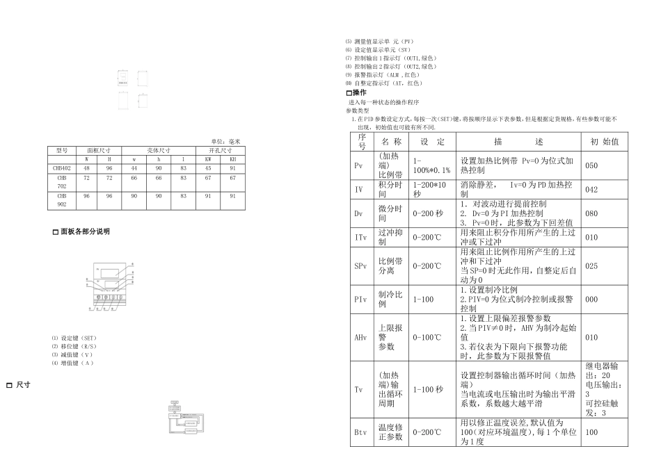
接线说明图1图2注:1.图1中OUT1为主输出,如是AC30A/220V则仅有一对常开点;OUT2一般用于报警或制冷2.图2为移项表的接线图,OUT1与OUT2为同时输出3.继电器触点输出。触点AC3A/220V(阻性负载)4.逻辑电平(用于固态继电器)DC0~12V,输出的最大电流值5.双向可控硅过零触发,用于控制晶闸管输出接线图:①继电器触点开关输出(NO:常开)②逻辑电平输出③双向可控硅过零触发输出仪表自整定功能启动自整定:1.启动自整定时,加热系统须处在工作状态,测温温度要求低于设定温度。2.按“SET”键约5秒,进入参数设定状态,连续按“SET”键直至出现参数“LKV”,将此参数值改为1。再按“SET”键至出现参数“ATV”时,输入相应自整定类型号(1,2,3可选,一般用1),按“SET”键约5秒AT灯亮,SV数据闪动,仪表开始自整定。3.长按“<”或“Ⅴ”键约5秒后放开,可以直接进入自整定状态自整定结束后,AT灯灭,仪表自动运算出一组适合加热系统的参数,仪表按新的PID参数进行控制。新的PID参数可在仪表上查找。CHB系列智能温度控制仪使用说明书首先感谢您选用汇邦产品,CN系列是公司潜心研发的普及型智能温度控制仪。它是以计算机芯片作主控单元,采用多重数字滤波电路、干扰自动恢复、PID控制及自整定等功能。产品具有测量精度高、控温准确稳定,抗干扰能力强、操作简单等优点,此款仪表适应性广、性价比极高.技术指标额定电压180V~240V,50Hz电源功耗5W准确度等级1级分辨率1℃环境温度0℃~50℃相对湿度35%~85%(无冷凝)接线方式接线端子产品符合《Q/320401HBD001-2000XMT系列PID智能温度调节仪》标准的要求型号编制说明CHB□(1)(2)(3)(4)(5)(6)(7)(8)(9)(10)(11)序号名称说明⑴外型401:48mm*48mm*100mm402:48mm*96mm*65mm702:72mm*72mm*85mm902:96mm*96mm*65mm⑵控制方式0:PID控制1:位式控制⑶输入方式1:热电偶输入2:热电阻输入⑷输出方式1:断续输出⑸制冷方式0:无制冷1:位式制冷2:比例制冷⑹报警方式0:无报警1:上限报警2:下限报警⑺输入类型1:K分度2:E分度3:Pt1004:Cu506:J分度⑻输出类型1:继电器触点开关输出2:逻辑电平输出(用于控制SSR)3:单相可控硅过零触发输出(用于控制晶闸管)⑼制冷类型0:无制冷输出1:继电器触点开关输出2:逻辑电平输出(用于控制SSR)3:单相可控硅过零触发输出(用于控制晶闸管)⑽报警类型0:无报警输出1:继电器触点开关输出2:逻辑电平输出(用于控制SSR)3:单相可控硅过零触发输出(用于控制晶闸管)⑾温度范围1:0℃~100℃2:0℃~150℃3:0℃~400℃4:0℃~600℃5:0℃~800℃6:0℃~999℃尺寸®地址:江苏省常州市新北区天安工业村A加6楼总机:0519-85109739销售热线:0519-85132277售后服务:0519-85087082传真:0519-85108252E-mail:winpark@cnwinpark.com网址:Http/www.cnwinpark.com版本号/修改号:1/2单位:毫米型号面框尺寸壳体尺寸开孔尺寸WHwhlKWKHCHB40248964490834591CHB70272726666836767CHB90296969090839191面板各部分说明⑴设定键(SET)⑵移位键(R/S)⑶减值键(Ⅴ)⑷增值键(Λ)⑸测量值显示单元(PV)⑹设定值显示单元(SV)⑺控制输出1指示灯(OUT1,绿色)⑻控制输出2指示灯(OUT2,绿色)⑼报警指示灯(ALM,红色)⑽自整定指示灯(AT,红色)操作进入每一种状态的操作程序参数类型1.在PID参数设定方式,每按一次(SET)键,将按顺序显示下表参数,但是根据定货规格,有些参数可能不出现,初始值也可能有所不同.序号名称设定描述初始值Pv(加热端)比例带1-100%*0.1%设置加热比例带Pv=O为位式加热控制050IV积分时间1-200*10秒消除静差,Iv=0为PD加热控制042Dv微分时间0-200秒1.对波动进行提前控制2.Dv=0为PI加热控制3.Pv=O时,此参数为下回差值080ITv过冲抑制0-200℃用来阻止积分作用所产生的上过冲或下过冲010SPv比例带分离0-200℃用来阻止比例作用所产生的上过冲和下过冲当SP=0时无此作用,自整定后自动为0025PIv制冷比例1-1001.设置制冷比例2.PIV=0为位式制冷控制或报警控制000AHv上限报警参数0-100℃1.设置上限偏差报警参数2.当PIV≠0时,AHV为制冷起始值3.若仪表为下限向下报警功能时,此...

1、当您付费下载文档后,您只拥有了使用权限,并不意味着购买了版权,文档只能用于自身使用,不得用于其他商业用途(如 [转卖]进行直接盈利或[编辑后售卖]进行间接盈利)。
2、本站所有内容均由合作方或网友上传,本站不对文档的完整性、权威性及其观点立场正确性做任何保证或承诺!文档内容仅供研究参考,付费前请自行鉴别。
3、如文档内容存在违规,或者侵犯商业秘密、侵犯著作权等,请点击“违规举报”。

碎片内容

CHB-系列1-2(1)温控仪表说明书

确认删除?
VIP
微信客服
  • 扫码咨询
会员Q群
  • 会员专属群点击这里加入QQ群
客服邮箱
回到顶部