电脑桌面
添加小米粒文库到电脑桌面
安装后可以在桌面快捷访问

桩基工程施工组织设计VIP免费

桩基工程施工组织设计_第1页
1/12
桩基工程施工组织设计_第2页
2/12
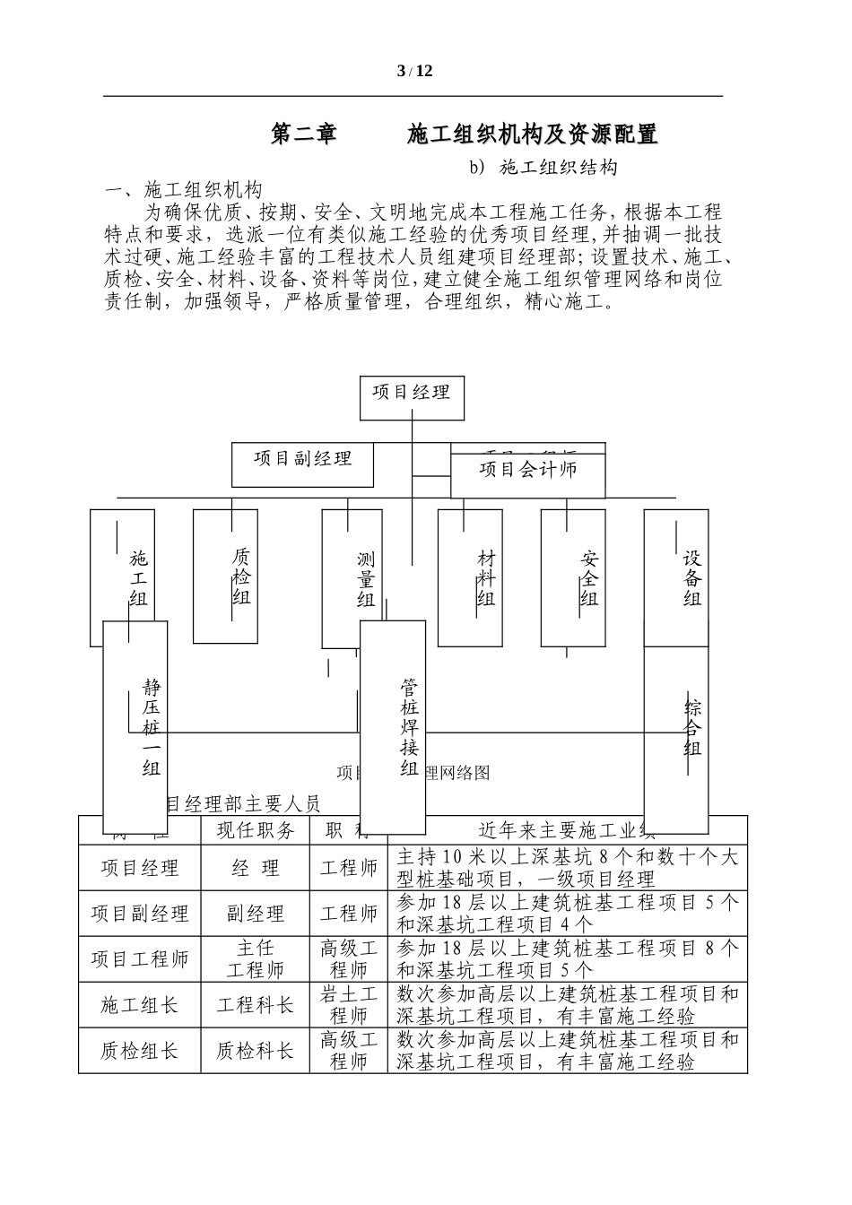
桩基工程施工组织设计_第3页
3/12
1/12第一章概述第一节编制依据(1)本工程岩土工程详细勘察报告(2)本工程设计图纸(3)《建筑桩基技术规范》(JGJ94-2008)(4)《建筑地基基础设计规范》(GB50007-2007)(5)《建筑地基基础工程施工质量验收规范》(GB50202-2002)(6)《混凝土结构工程施工质量验收规范》(GB50204-2015)(7)《工程测量规范》(GB50026-2007)(8)《建筑施工安全检查标准》(JGJ59-99)(9)《建筑工程施工质量验收统一标准》(GB50300-2013)(10)《建筑桩基检测技术规范》(JGJ106-2014)(11)《钢筋焊接及验收规程》(JGJ18-2012)(12)工程相关技术规范第二节工程概况(1)工程名称:岱骏·融汇商业中心桩基工程(2)工程地点:普洱市市区东南部、师专一号路与茶苑路延长线交汇处,西北侧毗邻思茅师范专科学院(3)建设单位:云南岱骏房地产开发有限公司普洱分公司(4)设计单位:云南工程建设总承包公司(5)勘察单位:云南木盛和岩土工程有限公司(6)监理单位:昆明建设咨询监理有限公司(7)施工单位:核工业西南建设集团公司(8)设计概况:本工程结构设计使用年限50年,结构安全等级二级,地基基础的设计等级为乙级,抗震设计按8度,(0.20g,第三组)。建筑基础桩基形式采用旋挖桩。(9)现场情况:工程所处地势较为平坦宽阔,施工测量方便,能提供足够的工作面。(10)气象水文:普洱盆地属典型的亚热带高原气候,夏无酷暑,冬无严寒,平均气温14.5摄氏度,降水主要集中在6~10月份,多年平均降雨量1018.2mm。第三节施工条件(1)环境条件拟建场区地形较平坦,交通便利,水电量供应充足,地下无管线、电缆、沟渠等障碍物。(2)工程场地地质条件详见本工程地质勘察报告。(3)工程场地水文条件地表水勘察场地地处盆地与山区接触带,位于沟口洪积扇地带,为地表、地下水汇集径流、排泄区,地表水丰富,场地内分布的小河有流水;小河水流量小,勘察期间为雨季测得流量约为101/s,据调查旱季时有断流,2/12遇强降雨时,沟渠形成洪水,流量达20-30余/s,对场地影响大,特别是对基坑开挖降水影响大。地下水特征及赋存条件根据勘察场地地层的岩性特征及赋税水条件,将地下水分为第四系松散层孔隙水及基岩裂隙水两种类型。孔隙水的含水介质主要未洪冲积层卵石、夹粉土、粉质黏土层,含水层属中等~强透水底层,其富水性强,水量较大,地下水主要接受大气降水及地表水下身补给,受季节性的降雨量控制,动态变化较大。基岩裂隙水的含水介质主要为白系下统曼岗组全~强风化岩层,以基岩裂隙为赋存和运移,主要受上层孔隙水的下渗及远场地下水补给,因裂隙多被泥质充填,其富水性较弱,局部微具承压性。场地地下水由南东向北西径流,并向深部下渗运移。由南京锦湖轮胎有限公司投资兴建的年产30万条全钢子午线轮胎增资扩建项目桩基工程位于南京市浦口区高新开发区内。基础采用先张法预应力混凝土管桩,管桩规格为PHC-400(90)AB/PHC-600(110)AB。第四节设计参数、工程量及工程特点i.设计参数、工程量:管桩桩径(mm)有效桩长(m)根数单桩竖向承载力特征值(KN)混凝土强度1800231002700C352800261153200C35ii.工程特点1.本工程桩基础持力层为4-3层(粉质粘土),桩端进入持力层长度不小于500mm。2.压桩时一节桩应一次性压入,中途不得人为停顿,确需停压应尽量缩短停压时间,接桩时,上下节桩必须接直牢焊。iii.现场施工条件1、现场:场地已平整;2、道路:待铺设以满足施工车辆的进出需要;3、电源、水源:水、电已送到现场附近,满足施工要求;4、临时设施:生产、生活用临时设施现场搭设。iv.质量、安全、工期及文明施工要求1.质量:合格2.安全:无人身安全及重大机械事故3.工期:90天(以业主书面开工令为准)4.文明施工:文明标化工地3/12第二章施工组织机构及资源配置第二章施工组织机构及资源配置b)施工组织结构一、施工组织机构为确保优质、按期、安全、文明地完成本工程施工任务,根据本工程特点和要求,选派一位有类似施工经验的优秀项目经理,并抽调一批技术过硬、施工经验丰富的工程技术人员组建项目经理部;设置技术、施工、质检、安全、材料、设备、资料等岗位,建立健...

1、当您付费下载文档后,您只拥有了使用权限,并不意味着购买了版权,文档只能用于自身使用,不得用于其他商业用途(如 [转卖]进行直接盈利或[编辑后售卖]进行间接盈利)。
2、本站所有内容均由合作方或网友上传,本站不对文档的完整性、权威性及其观点立场正确性做任何保证或承诺!文档内容仅供研究参考,付费前请自行鉴别。
3、如文档内容存在违规,或者侵犯商业秘密、侵犯著作权等,请点击“违规举报”。

碎片内容

桩基工程施工组织设计

确认删除?
VIP
微信客服
  • 扫码咨询
会员Q群
  • 会员专属群点击这里加入QQ群
客服邮箱
回到顶部