电脑桌面
添加小米粒文库到电脑桌面
安装后可以在桌面快捷访问

质量、环境、职业健康安全管理体系审核通用检查表VIP免费

质量、环境、职业健康安全管理体系审核通用检查表_第1页
1/28
质量、环境、职业健康安全管理体系审核通用检查表_第2页
2/28
质量、环境、职业健康安全管理体系审核通用检查表_第3页
3/28
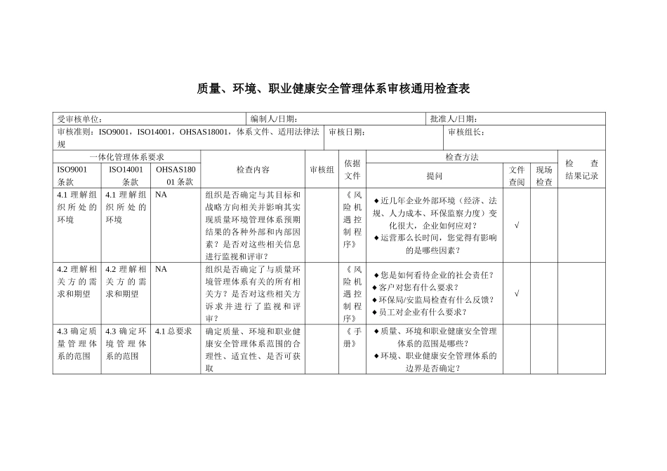
质量、环境、职业健康安全管理体系审核通用检查表受审核单位:编制人/日期:批准人/日期:审核准则:ISO9001,ISO14001,OHSAS18001,体系文件、适用法律法规审核日期:审核组长:一体化管理体系要求检查内容审核组依据文件检查方法检查结果记录ISO9001条款ISO14001条款OHSAS18001条款提问文件查阅现场检查4.1理解组织所处的环境4.1理解组织所处的环境NA组织是否确定与其目标和战略方向相关并影响其实现质量环境管理体系预期结果的各种外部和内部因素?是否对这些相关信息进行监视和评审?《风险机遇控制程序》◆近几年企业外部环境(经济、法规、人力成本、环保监察力度)变化很大,企业如何应对?◆运营那么长时间,您觉得有影响的是哪些因素?√4.2理解相关方的需求和期望4.2理解相关方的需求和期望NA组织是否确定了与质量环境管理体系有关的所有相关方?是否对这些相关方诉求并进行了监视和评审?《风险机遇控制程序》◆您是如何看待企业的社会责任?◆客户对您有什么要求?◆环保局/安监局检查有什么反馈?◆员工对企业有什么要求?√4.3确定质量管理体系的范围4.3确定环境管理体系的范围4.1总要求确定质量、环境和职业健康安全管理体系范围的合理性、适宜性、是否可获取《手册》◆质量、环境和职业健康安全管理体系的范围是哪些?◆环境、职业健康安全管理体系的边界是否确定?4.4质量管理体系及其过程4.4环境管理体系NA质量、环境管理体系所需过程和相互作用是什么?过程绩效指标、职责权限是否明确?改进的机会《过程管理表》◆是否理解管理体系过程间的关系,输入输出的内容,如何监控?◆是否策划有关系图、过程清单等?√√5.1领导作用与承诺5.1领导作用与承诺4.4.1资源、作用、职责和权限关注最高管理者对QES有效性负责的10个方面的证据,是否体现过程方法和基于风险的思维;组织如何做到以顾客为关注焦点,持续满足法律法规和应对相应的风险和机遇?《手册》◆您是基于什么样的目的申请质量、环境和职业健康安全管理体系认证?◆企业的市场地位如何?◆建立体系想达到什么高度?√5.2方针5.2环境方针4.2职业健康安全方针质量、环境、职业健康安全方针的制定方针内容的充分性,适宜性《手册》◆企业的质量、环境和职业健康安全方针是?◆如何让员工相信方针与企业的愿景、战略、价值观是一致的?√5.3组织的岗位职责和权限5.3组织的角色职责和权限4.4.1资源、作用、职责和权限关注与岗位职责权限分配有关的证据;有关职责、权限得到传达、沟通和理解的证据。《手册》职责权限分配◆岗位职责权限设置如何支持方针、目标的实现?◆企业职业健康安全管理体系的管理者代表职责和权限是?◆是否指定职业健康安全员工代表,其职责和权限是否明确?√6.1.1应对风险和机遇的措施6.1.1应对风险和机遇的措施NA识别需要对应的机遇和风险及其应对的措施,包括潜在的紧急情况(EMS)《风险机遇控制程序》◆(销量下滑、人员流失、新产品研发进度慢…….)是什么原因造成的?◆是否策划形成环境应急预案?√NA6.1.2环境因素4.3.1危险源辨识、风险评价和控制措施的确定如何确定环境因素,是否考虑了生命周期的观点,识别是否全面?是否对组织的活动及活动场所中的危险源及其风险进行了辨识?《环境因素鉴定管理程序》◆是否建立环境因素、危险源和风险评价程序?◆是否规定了识别的范围和对象?◆是否考虑了三种时态、三种状态、新建项目或变更的影响?◆是否考虑到相关方可能带来的危险源?◆受审核部门的环境因素、危险源有哪些?是否全面?√√是否建立了环境因素、危险源评价准则?重要环境因素重要危险源的评价是否合理?《危险源识别与评价程序》◆有无规定重要环境因素、重大危险源的评价方法、准则和步骤?◆评价结果是否合理?◆是否形成重要环境因素、重大危险源清单?√√如何对重要环境因素和重要危险源进行控制应急准备与响应管理程序◆是否根据评价结果,制定了重要环境因素和重大危险源控制措施计划?◆控制措施有哪些?◆对潜在重要环境因素和潜在的职业健康安全风险是否制定了应急准备和响应措施?◆是否形成文件、记录√√如何在组织各层次沟通重要环境因素沟通交流...

1、当您付费下载文档后,您只拥有了使用权限,并不意味着购买了版权,文档只能用于自身使用,不得用于其他商业用途(如 [转卖]进行直接盈利或[编辑后售卖]进行间接盈利)。
2、本站所有内容均由合作方或网友上传,本站不对文档的完整性、权威性及其观点立场正确性做任何保证或承诺!文档内容仅供研究参考,付费前请自行鉴别。
3、如文档内容存在违规,或者侵犯商业秘密、侵犯著作权等,请点击“违规举报”。

碎片内容

质量、环境、职业健康安全管理体系审核通用检查表

确认删除?
VIP
微信客服
  • 扫码咨询
会员Q群
  • 会员专属群点击这里加入QQ群
客服邮箱
回到顶部