电脑桌面
添加小米粒文库到电脑桌面
安装后可以在桌面快捷访问

职业病危害告知书(新版)VIP免费

职业病危害告知书(新版)_第1页
1/3
职业病危害告知书(新版)_第2页
2/3
职业病危害告知书(新版)_第3页
3/3
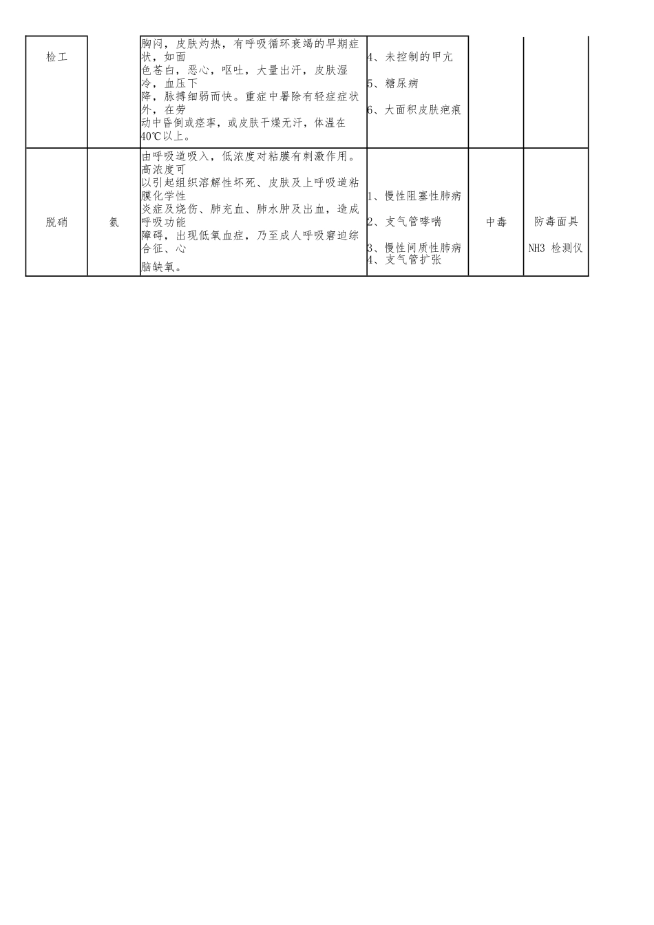
职业病危害告知书根据《职业病防治法》第三十四条的规定,用人单位(甲方)在与劳动者(乙方)订立劳动合同时应告知工作过程中可能产生的职业病危害及其后果、职业病防护措施和待遇等内容:(一)所在工作岗位、可能产生的职业病危害、后果及职业病防护措施:岗位名称职业病危健康危害职业禁忌证可能导致的职业病防护害因素职业病危害措施机关、科室生产性粉尘主要引起呼吸系统的损害,作业工人在生1、活动性肺结核病中控工产环境中长期接触不同种类的粉尘可引起不同类型的司炉工粉尘尘肺病。矽尘能导致的是矽肺病。尘肺病是一种以肺2、慢性阻塞性肺病除尘装置驾驶员(包括矽组织弥漫性纤维化为主的全身性疾病,主要是以肺部3、慢性间质性肺病尘肺病通风风机车间辅助)纤维化改变为主,随着尘肺病病情的进一步发展还可4、伴肺功能损害的防尘口罩岗位以导致一些并发症的出现,如心脏等其他脏器的损害疾病长期吸入煤尘可引起煤工尘肺,早期一般无症状,并1、活动性肺结核病煤磨工煤尘发支气管或肺部感染时会出现气短、胸痛、胸闷、咳2、慢性阻塞性肺病除尘装置煤收尘工(包括煤嗽、咯痰等症状。X线胸片上主要表现为圆形小阴影、3、慢性间质性肺病煤工尘肺通风风机原煤破碎工矽尘)不规则阴影和大阴影,还有肺纹理和肺门阴影的异常4、伴肺功能损害的防尘口罩变化。疾病1、各种原因引起永久性感音神经性听力损失2、中度以上传导性原料磨工长期接触噪声可发生进行性的感音性听觉损伤。此外,耳聋噪声生产性噪声对某些接触者的神经系统、心血管系统、3、双耳高频耳塞空压机工噪声聋振动内分泌系统及免疫系统、生殖系统和消化系统也会产(3000Hz、4000Hz、耳罩水泥磨工生一定的损害。6000Hz)平均听阈≥40dB4、Ⅱ期和Ⅲ期高血压5、器质性心脏病中暑是高温作业环境下发生的急性疾病,它是机体散热机制发生障碍的结果。中暑分先兆中暑、轻症中暑、1、Ⅱ期及Ⅲ期高重症中暑。先兆中暑的临床表现主要有大量出汗,口血压烘干机工渴,头晕,耳鸣,胸闷,心悸,恶心,全身疲乏,四2、活动性消化性防暑药品托轮工高温肢无力,注意力不集中,动作不协调,体温正常或略溃疡中暑良好通风余热锅炉巡热辐射有升高。轻症中暑体温升高至38.5℃以上,面色潮红,3、慢性肾炎意外事故空调降温检工胸闷,皮肤灼热,有呼吸循环衰竭的早期症状,如面4、未控制的甲亢色苍白,恶心,呕吐,大量出汗,皮肤湿冷,血压下5、糖尿病降,脉搏细弱而快。重症中暑除有轻症症状外,在劳6、大面积皮肤疤痕动中昏倒或痉挛,或皮肤干燥无汗,体温在40℃以上。由呼吸道吸入,低浓度对粘膜有刺激作用。高浓度可1、慢性阻塞性肺病以引起组织溶解性坏死、皮肤及上呼吸道粘膜化学性脱硝氨炎症及烧伤、肺充血、肺水肿及出血,造成呼吸功能2、支气管哮喘中毒防毒面具障碍,出现低氧血症,乃至成人呼吸窘迫综合征、心3、慢性间质性肺病NH3检测仪脑缺氧。4、支气管扩张轻度中毒可表现为剧烈的头痛、头昏、四肢无力、恶心、呕吐;或轻度至中度意识障碍。中度中毒者意识煤磨工一氧化障碍表现为浅至中度昏迷。重度一氧化碳中毒可引起1、中枢神经系统器一氧化碳防毒面具煤收尘工意识障碍程度达深昏迷或去大脑皮层状态,脑水肿;质性疾病通风风机碳中毒原煤破碎工休克或严重的心肌损害;肺水肿;脑水肿;休克或严2、心肌病CO检测仪重的心肌损害;肺水肿;呼吸衰竭;上消化道出血;脑局灶损害。长期接触会对人体皮肤有一定的腐蚀性,长期低浓度1.严重的变应性化学性皮检验员肤灼伤和劳保用品强酸接触可引起牙齿酸蚀病;对呼吸道具有强烈的刺激作皮肤病。配料技术员牙酸蚀病防护手套强碱用,吸入后即会引起上呼吸道粘膜刺激症状,出现流2.活动性角膜疾软水处理工强酸强碱防护眼镜泪、咳嗽、胸闷、呼吸较快等,甚至引起肺水肿。病腐蚀1、活动性肺结核病电焊烟焊接作业时可产生多种有害烟雾物质,如电气焊时使2、慢性阻塞性肺病电焊工尘除尘装置维修工尘金属用锰焊条,除可以产生锰尘外,还可以产生锰。烟、3、慢性间质性肺病肺防尘口罩烟雾氟化物,臭氧及一氧化碳,电焊弧光会刺激眼睛4、伴肺功能损害的慢性中毒防护面罩疾病职业性接触对机体的危害...

1、当您付费下载文档后,您只拥有了使用权限,并不意味着购买了版权,文档只能用于自身使用,不得用于其他商业用途(如 [转卖]进行直接盈利或[编辑后售卖]进行间接盈利)。
2、本站所有内容均由合作方或网友上传,本站不对文档的完整性、权威性及其观点立场正确性做任何保证或承诺!文档内容仅供研究参考,付费前请自行鉴别。
3、如文档内容存在违规,或者侵犯商业秘密、侵犯著作权等,请点击“违规举报”。

碎片内容

职业病危害告知书(新版)

黄金书屋+ 关注
实名认证
内容提供者

爱好英语教学和互联网行业,热爱教育事业,兢兢业业

相关文档

确认删除?
VIP
微信客服
  • 扫码咨询
会员Q群
  • 会员专属群点击这里加入QQ群
客服邮箱
回到顶部