电脑桌面
添加小米粒文库到电脑桌面
安装后可以在桌面快捷访问

最新水利水电工-程监理平行检测表(部分)VIP免费

最新水利水电工-程监理平行检测表(部分)_第1页
1/27
最新水利水电工-程监理平行检测表(部分)_第2页
2/27
最新水利水电工-程监理平行检测表(部分)_第3页
3/27
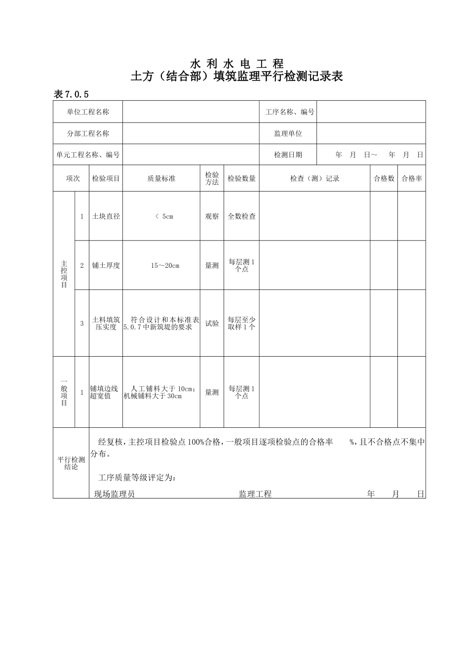
水利水电工程表土及土质岸坡清理监理平行检测记录表表4.2.3单位工程名称工序编号分部工程名称监理单位单元工程名称、部位检测日期年月日~年月日项次检验项目质量标准检验方法检验数量检查(测)记录合格数合格率主控项目1表土清理树木、草皮、树根、乱石、坟墓以及各种建筑物全部清除;水井、泉眼、地道、坑窖等洞穴的处理符合设计要求观察,查阅施工记录全数检查2不良土质的处理淤泥、腐殖质土、泥炭土全部清除;对风化岩石、坡积物、残积物、滑坡体、粉土、细砂等处理符合设计要求3地质坑、孔处理构筑物基础区范围内的地质探孔、竖井、试坑的处理符合设计要求;回填材料质量满足设计要求观察,查阅施工记录,取样试验等一般项目1清理范围满足设计要求。长、宽边线允许偏差:人工施工0~50cm,机械施工0~100cm量测每边线测点不少于5个点,且点间距不大于20m2土质岸边坡度不陡于设计边坡每10延米量测1处;高边坡需测定断面,每20延米测1个断面平行检测结论经复核,主控项目检验点100%合格,一般项目逐项检验点的合格率%,且不合格点不集中分布。工序质量等级评定为:现场监理员监理工程年月日水利水电工程软基或土质岸坡开挖监理平行检测记录表表4.2.4单位工程名称工序编号分部工程名称监理单位单元工程名称、部位检测日期年月日~年月日项次检验项目质量标准检验方法检验数量检查(测)记录合格数合格率主控项目1保护层开挖保护层开挖方式应符合设计要求,在接近建基面时,宜使用小型机具或人工挖除,不应扰动建基面以下的原地基观察、测量、查阅施工记录全数检查2建基面处理构筑物软基和土质岸坡开挖面平顺。软基和土质岸坡与土质构筑物接触时,采用斜面连接,无台阶、急剧变坡及反坡3渗水处理构筑物基础区及土质岸坡渗水(含泉眼)妥善引排或封堵,建基面清洁无积水一般项目1基坑断面尺寸及开挖面平整度无结构要求或无配筋长或宽不大于10m符合设计要求,允许偏差为-10~20cm观察、测量、查阅施工记录检测点采用横断面控制,断面间距不大于20m,各横断面点数间距不大于2m,局部突出或凹陷部位(面积在0.5㎡以上者)应增设检测点长或宽大于10m符合设计要求,允许偏差为-20~30cm坑(槽)底部标高符合设计要求,允许偏差为-10~20cm垂直或斜面平整度符合设计要求,允许偏差为20cm有结构要求有配筋预埋件长或宽不大于10m符合设计要求,允许偏差为0~20cm长或宽大于10m符合设计要求,允许偏差为0~30cm坑(槽)底部标高符合设计要求,允许偏差为0~20cm斜面平整度符合设计要求,允许偏差为15cm平行检测结论经复核,主控项目检验点100%合格,一般项目逐项检验点的合格率%,且不合格点不集中分布。工序质量等级评定为:现场监理员监理工程年月日注:“-”表示欠挖。水利水电工程土方(结合部)填筑监理平行检测记录表表7.0.5单位工程名称工序名称、编号分部工程名称监理单位单元工程名称、编号检测日期年月日~年月日项次检验项目质量标准检验方法检验数量检查(测)记录合格数合格率主控项目1土块直径<5cm观察全数检查2铺土厚度15~20cm量测每层测1个点3土料填筑压实度符合设计和本标准表5.0.7中新筑堤的要求试验每层至少取样1个一般项目1铺填边线超宽值人工铺料大于10cm;机械铺料大于30cm量测每层测1个点平行检测结论经复核,主控项目检验点100%合格,一般项目逐项检验点的合格率%,且不合格点不集中分布。工序质量等级评定为:现场监理员监理工程年月日水利水电工程松木桩单元工程监理平行检测记录表单位工程名称工序名称、编号分部工程名称监理单位单元工程名称、编号检测日期年月日~年月日项次检验项目质量标准检验方法检验数量检查(测)记录合格数合格率主控项目序号项目质量标准1桩表面质量松木桩身无折断、表面完好,新鲜,无孔洞及虫蚀等缺陷2桩身顺直度从桩中心到小头中心的连线要落实到桩身范围内3桩径、桩长符合设计要求一般项目1单桩、条形桩基沿垂直轴线方向偏差<5cm2群桩基础边桩的偏差<5cm3桩顶高程±24桩轴线偏差±55垂直度<1%6相邻桩中心距偏差横向0~+5纵向-5~0平行检测结论经复核,主控项目检验点100%合格,一般项目逐项检验点的合格率%,且不合格点不集中...

1、当您付费下载文档后,您只拥有了使用权限,并不意味着购买了版权,文档只能用于自身使用,不得用于其他商业用途(如 [转卖]进行直接盈利或[编辑后售卖]进行间接盈利)。
2、本站所有内容均由合作方或网友上传,本站不对文档的完整性、权威性及其观点立场正确性做任何保证或承诺!文档内容仅供研究参考,付费前请自行鉴别。
3、如文档内容存在违规,或者侵犯商业秘密、侵犯著作权等,请点击“违规举报”。

碎片内容

最新水利水电工-程监理平行检测表(部分)

金钥匙书屋+ 关注
实名认证
内容提供者

热爱教育事业,爱好互联网行业

相关文档

确认删除?
VIP
微信客服
  • 扫码咨询
会员Q群
  • 会员专属群点击这里加入QQ群
客服邮箱
回到顶部