电脑桌面
添加小米粒文库到电脑桌面
安装后可以在桌面快捷访问

2014年试验检测工程师考试(公共基础B卷真题及答案)VIP免费

2014年试验检测工程师考试(公共基础B卷真题及答案)_第1页
1/9
2014年试验检测工程师考试(公共基础B卷真题及答案)_第2页
2/9
2014年试验检测工程师考试(公共基础B卷真题及答案)_第3页
3/9
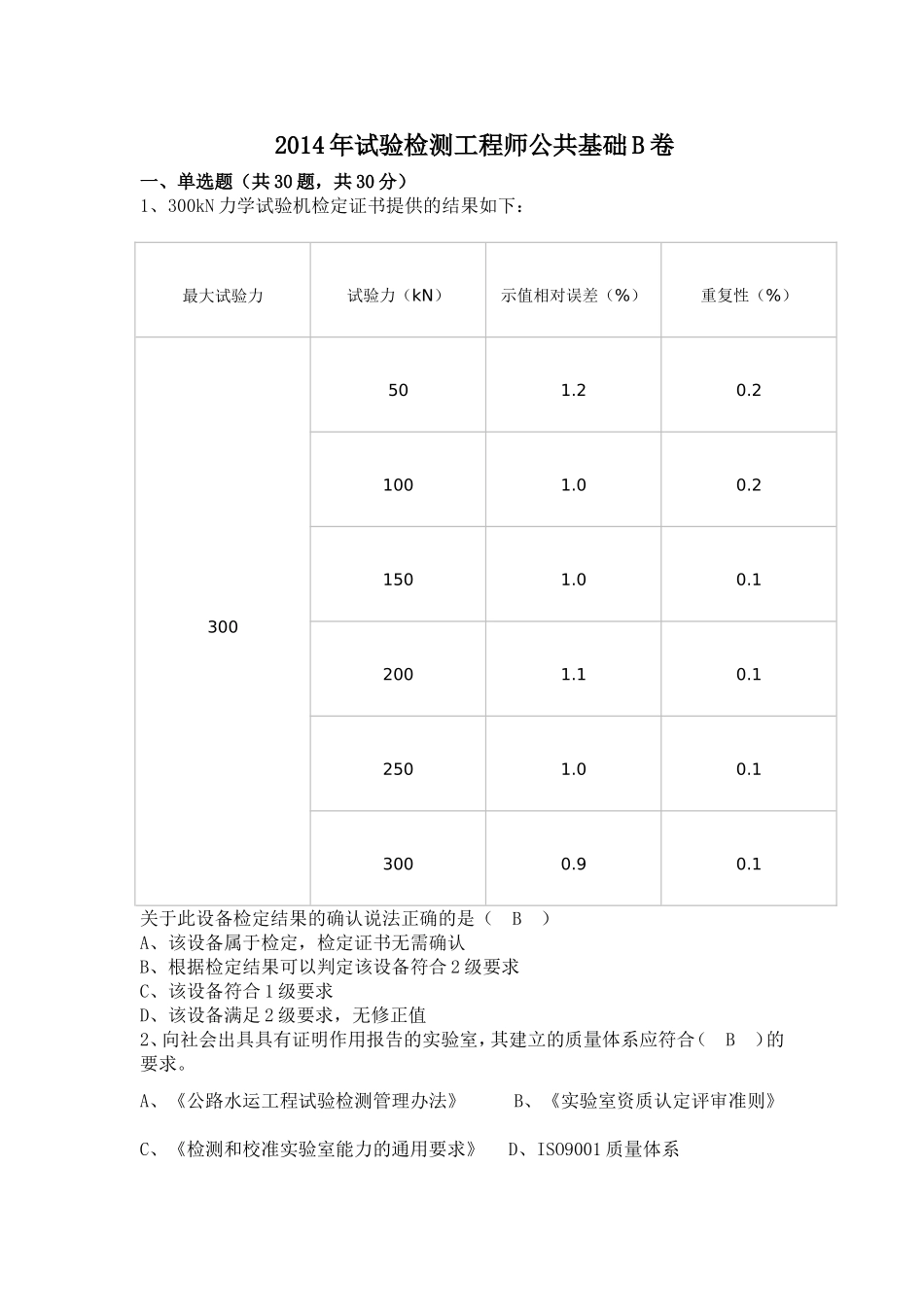
2014年试验检测工程师公共基础B卷一、单选题(共30题,共30分)1、300kN力学试验机检定证书提供的结果如下:最大试验力试验力(kN)示值相对误差(%)重复性(%)300501.20.21001.00.21501.00.12001.10.12501.00.13000.90.1关于此设备检定结果的确认说法正确的是(B)A、该设备属于检定,检定证书无需确认B、根据检定结果可以判定该设备符合2级要求C、该设备符合1级要求D、该设备满足2级要求,无修正值2、向社会出具具有证明作用报告的实验室,其建立的质量体系应符合(B)的要求。A、《公路水运工程试验检测管理办法》B、《实验室资质认定评审准则》C、《检测和校准实验室能力的通用要求》D、ISO9001质量体系3、实验室的授权签字人是指检测报告的(B)A、编写人B、批准人C、审核人D、试验人4、为确保实验室文件现行有效,采取以下(D)措施。A、指定专人保管文件B、实验室的所有文件都加盖受控章C、文件必须存放在指定的地方D、建立文件控制程序5、1.032×2.12×0.65737的积计算正确的是(D)。A、1.4382B、1.434C、1.435D、1.446、感量为0.1mg的天平称量质量为m的物品,电子天平显示数据为0.1752。根据规范要求保留0.01g,原始记录数据表达正确的是(D)g。A、m=0.17B、m=0.1752C、m=0.175D、m=0.187、法定计量单位力的计量单位名称是(B)。A、公斤力B、牛顿C、吨力D、千克8、工地试验室保持试验检测人员相对稳定,因特殊情况变更时就由(C)报经建设单位同意,质监机构备案。A、工地试验室B、授权负责人C、母体机构D、施工单位9、评价能力验证活动的结果时,以下描述不正确的是(C)。A、|En|≤1.0表明能力满意B、|z|≤2.0表明能力满意C、|En|≤2.0表明能力满意D、|z|≤1.0表明能力满意10、计量溯源是指实验室确保检测结果能够溯源至(A)的要求。A、国家基标准B、法定计量单位C、国家标准D、地方计量标准11、依据《公路试验检测数据报告编制导则》的规定,下列不属于试验检测报告基本信息区的内容是(A)。A、报告编号B、工程名称C、试验依据D、判定依据12、由下列一组实测值得出“报出值”,“修约值”多保留1位,并将其修约到个位数,表达正确的是(C)。A、①②③④B、①③C、②③D、②序号实测值报出值修约值①15.472615.5-16②25.546225.5+26③-18.5201-18.5+-18④-14.5000-14.51413、实验室自被撤销资质认定之日起(C)内,不得再次申请资质认定。A、一年B、两年C、三年D、五年14、以下(C)组的符号全部为国际单位的基本单位。A、molcdMKB、msA℃C、AKmkgD、tNMPam15、下列数字修约到0.5单位正确的一组是(D)A、26.16→26.032.25→32.5B、14.38→14.030.75→30.5C、26.16→26.532.45→32.0D、14.38→14.540.75→41.016、以下不属于SI的导出单位有(C)A、NB、JC、AD、W17、试验检测人员信用评价中不作为扣分依据的是(B)A、项目业主掌握的不良信用信息B、项目监理掌握的不良信用信息C、质监机构检查中发现的违规行为D、投诉举报的违规行为18、有关仪器设备检定校准状态标识的使用,正确的做法是(A)。A、仪器设备的校准的多个参数中,其中有一个参数误差通过修正后满足要求,其余参数均满足要求,该设备加贴绿色标识B、仪器设备的校准的多个参数中,其中有一个参数误差通过修正后满足要求,其余参数均满足要求,该设备合格部分加贴绿色标识,有修正部分贴黄色标识C、仪器设备校准的多个参数中,其中有一个参数误差通过修正后满足要求,其余参数的标准误差均符合要求,该设备加贴黄色标识。D、仪器设备校准的多个参数中,其中有一个参数误差通过修正后满足要求,其余参数的标准误差均符合要求,该设备加贴红色标识。19、盲样管理的目的是(A)。A、保证样品在流转过程中委托方信息不被泄漏B、保证样品在流转过程中样品信息不泄漏C、保证样品在流转过程中委托单编号不泄漏D、保证样品在检测过程中样品编号不泄漏20、正态分布曲线的特点(B)A、双峰性B、对称性C、无水平渐近线D、无拐点21、有关测量误差的描述正确的是(B)。A、测量得的量值与参与量值之差称测量误差B、测量误差包括因设备操作不当产生的误差C、测量误差可采用修正值进行补偿D、测量误差包括样品制备...

1、当您付费下载文档后,您只拥有了使用权限,并不意味着购买了版权,文档只能用于自身使用,不得用于其他商业用途(如 [转卖]进行直接盈利或[编辑后售卖]进行间接盈利)。
2、本站所有内容均由合作方或网友上传,本站不对文档的完整性、权威性及其观点立场正确性做任何保证或承诺!文档内容仅供研究参考,付费前请自行鉴别。
3、如文档内容存在违规,或者侵犯商业秘密、侵犯著作权等,请点击“违规举报”。

碎片内容

2014年试验检测工程师考试(公共基础B卷真题及答案)

您可能关注的文档

状元书阁+ 关注
实名认证
内容提供者

爱好英语教学和互联网行业,热爱教育事业,兢兢业业

确认删除?
VIP
微信客服
  • 扫码咨询
会员Q群
  • 会员专属群点击这里加入QQ群
客服邮箱
回到顶部