电脑桌面
添加小米粒文库到电脑桌面
安装后可以在桌面快捷访问

110KV-750KV架空输电线路设计规范(GB-50545-2010)-强制性条文-word整理版VIP免费

110KV-750KV架空输电线路设计规范(GB-50545-2010)-强制性条文-word整理版_第1页
1/7
110KV-750KV架空输电线路设计规范(GB-50545-2010)-强制性条文-word整理版_第2页
2/7
110KV-750KV架空输电线路设计规范(GB-50545-2010)-强制性条文-word整理版_第3页
3/7
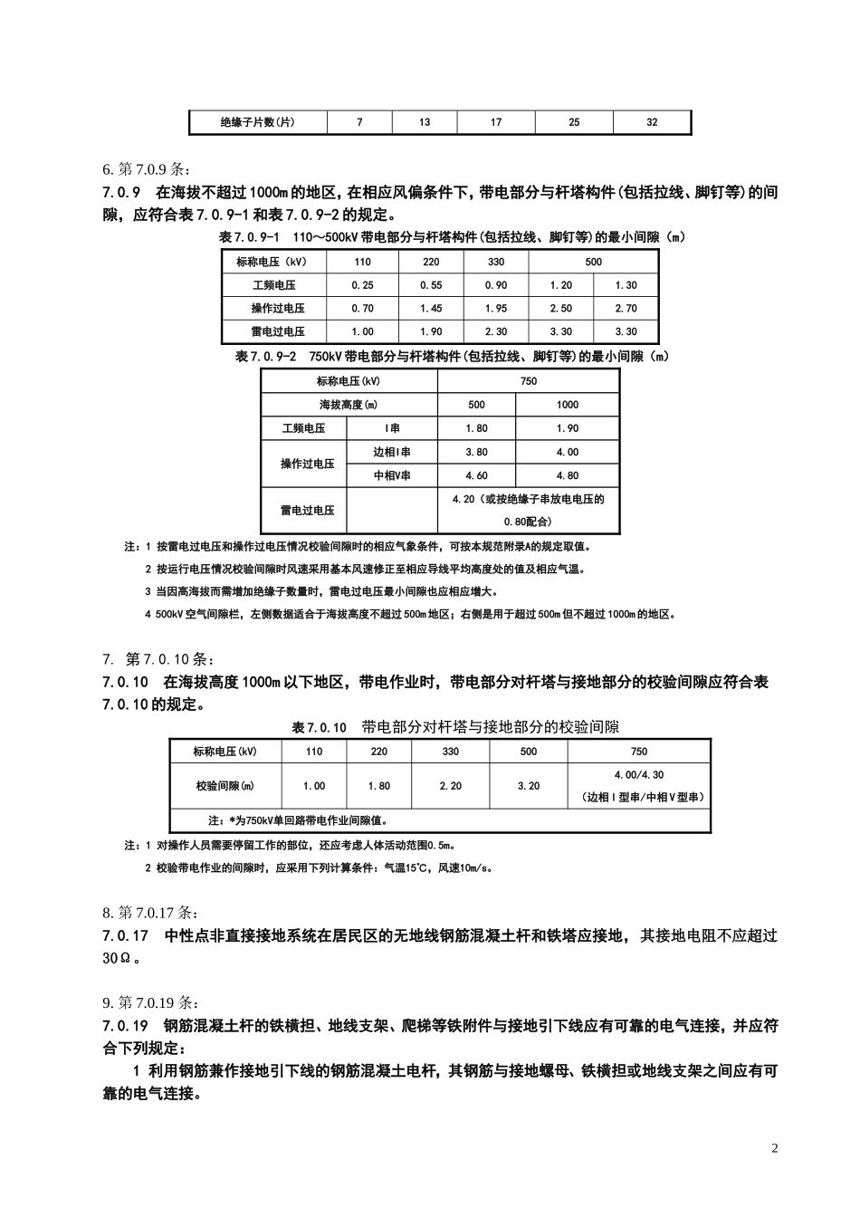
GB50545-2010110KV~750KV架空输电线路设计规范强制性条文1.第5.0.4条:5.0.4海拔不超过1000m时,距输电线路边相导线投影外20m处且离地2m高且频率为0.5MHz时的无线电干扰限值应符合表5.0.4的规定。表5.0.4无线电干扰限值标称电压(kV)110220~330500750限值dB(μv/m)465355582.第5.0.5条:5.0.5海拔不超过1000m时,距输电线路边相导线投影外20m处,湿导线条件下的可听噪声值应符合表5.0.5的规定。表5.0.5可听噪声限值标称电压(kV)110~750限值dB(A)553.第5.0.7条:5.0.7导、地线在弧垂最低点的设计安全系数不应小于2.5,悬挂点的设计安全系数不应小于2.25。地线的设计安全系数不应小于导线的设计安全系数。4.第6.0.3条:6.0.3金具强度的安全系数应符合下列规定:1最大使用荷载情况不应小于2.5。2断线、断联、验算情况不应小于1.5。5.第7.0.2条:7.0.2在海拔高度1000m以下地区,操作过电压及雷电过电压要求的悬垂绝缘子串的绝缘子最少片数,应符合表7.0.2的规定。耐张绝缘子串的绝缘子片数应在表7.0.2的基础上增加,对110~330kV输电线路应增加1片,对500kV输电线路应增加2片,对750kV输电线路不需增加片数。表7.0.2操作过电压及雷电过电压要求悬垂绝缘子串的最少绝缘子片数标称电压(kV)110220330500750单片绝缘子的高度(mm)1461461461551701绝缘子片数(片)7131725326.第7.0.9条:7.0.9在海拔不超过1000m的地区,在相应风偏条件下,带电部分与杆塔构件(包括拉线、脚钉等)的间隙,应符合表7.0.9-1和表7.0.9-2的规定。表7.0.9-1110~500kV带电部分与杆塔构件(包括拉线、脚钉等)的最小间隙(m)标称电压(kV)110220330500工频电压0.250.550.901.201.30操作过电压0.701.451.952.502.70雷电过电压1.001.902.303.303.30表7.0.9-2750kV带电部分与杆塔构件(包括拉线、脚钉等)的最小间隙(m)标称电压(kV)750海拔高度(m)5001000工频电压I串1.801.90操作过电压边相I串3.804.00中相V串4.604.80雷电过电压4.20(或按绝缘子串放电电压的0.80配合)注:1按雷电过电压和操作过电压情况校验间隙时的相应气象条件,可按本规范附录A的规定取值。2按运行电压情况校验间隙时风速采用基本风速修正至相应导线平均高度处的值及相应气温。3当因高海拔而需增加绝缘子数量时,雷电过电压最小间隙也应相应增大。4500kV空气间隙栏,左侧数据适合于海拔高度不超过500m地区;右侧是用于超过500m但不超过1000m的地区。7.第7.0.10条:7.0.10在海拔高度1000m以下地区,带电作业时,带电部分对杆塔与接地部分的校验间隙应符合表7.0.10的规定。表7.0.10带电部分对杆塔与接地部分的校验间隙标称电压(kV)110220330500750校验间隙(m)1.001.802.203.204.00/4.30(边相I型串/中相V型串)注:*为750kV单回路带电作业间隙值。注:1对操作人员需要停留工作的部位,还应考虑人体活动范围0.5m。2校验带电作业的间隙时,应采用下列计算条件:气温15℃,风速10m/s。8.第7.0.17条:7.0.17中性点非直接接地系统在居民区的无地线钢筋混凝土杆和铁塔应接地,其接地电阻不应超过30Ω。9.第7.0.19条:7.0.19钢筋混凝土杆的铁横担、地线支架、爬梯等铁附件与接地引下线应有可靠的电气连接,并应符合下列规定:1利用钢筋兼作接地引下线的钢筋混凝土电杆,其钢筋与接地螺母、铁横担或地线支架之间应有可靠的电气连接。22外敷的接地引下线可采用镀锌钢绞线,其截面应按热稳定要求选取,且不应小于25mm2。3接地体引出线的截面不应小于50mm2并应进行热稳定验算。引出线表面应进行有效的防腐处理。10.第13.0.1条:13.0.1导线对地面、建筑物、树木、铁路、道路、河流、管道、索道及各种架空线路的距离,应根据导线运行温度40℃(若导线按允许温度80℃设计时,导线运行温度取50℃)情况或覆冰无风情况求得的最大弧垂计算垂直距离,根据最大风情况或覆冰情况求得的最大风偏进行风偏校验。重覆冰区的线路,还应计算导线不均匀覆冰和验算覆冰情况下的弧垂增大。注:1计算上述距离,可不考虑由于电流、太阳辐射等引起的弧垂增大,但应计及导线架线后塑性伸长的影响和设计、施工的误差。2大跨越的导线弧垂应按导线实际能够达到的最高温度计算。3输电线路与...

1、当您付费下载文档后,您只拥有了使用权限,并不意味着购买了版权,文档只能用于自身使用,不得用于其他商业用途(如 [转卖]进行直接盈利或[编辑后售卖]进行间接盈利)。
2、本站所有内容均由合作方或网友上传,本站不对文档的完整性、权威性及其观点立场正确性做任何保证或承诺!文档内容仅供研究参考,付费前请自行鉴别。
3、如文档内容存在违规,或者侵犯商业秘密、侵犯著作权等,请点击“违规举报”。

碎片内容

110KV-750KV架空输电线路设计规范(GB-50545-2010)-强制性条文-word整理版

您可能关注的文档

确认删除?
VIP
微信客服
  • 扫码咨询
会员Q群
  • 会员专属群点击这里加入QQ群
客服邮箱
回到顶部