电脑桌面
添加小米粒文库到电脑桌面
安装后可以在桌面快捷访问

2017年绩效考核管理试行办法VIP免费

2017年绩效考核管理试行办法_第1页
1/8
2017年绩效考核管理试行办法_第2页
2/8
2017年绩效考核管理试行办法_第3页
3/8
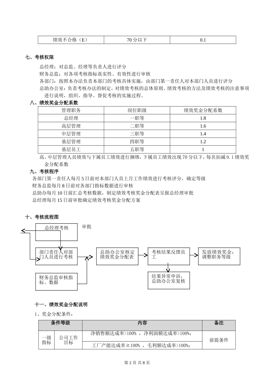
第1页共8页XXXXXXXX有限公司2017年绩效考核管理试行办法第一章绞效考核总则一、考核目的:为发现员工工作中存在的问题,扬长避短,持续改进提高工作绩效,将员工工作目标与企业战略目标以及个人绩效相结合,确保员工工作目标与企业目标保持一致;为建立和完善公司人力资源绩效考核体系和激励与约束机制,对员工业绩进行客观、公平、公正地评价,并通过此评价合理地进行价值分配,特制订本管理办法。二、考核范围:公司全体员工三、考核原则:客观原则:对被考核员工的任何评价都应明确的评价标准,以事实为依据,客观地反映员工的实际情况,避免因个人和其他主观因素影响绩效考核的结果;自主原则:各部门可根据自身工作特点在一定范围内制定相应的考核指标和评价标准,形成部门的考核实施细则,部门内所有岗位必有对应的考核指标;公开原则:各级考核指标(含项目、达到状态、权重和评价标准)的制定与过程调整,对员工公开;反馈原则:过程监控结果和考核结果要及时反馈给被考核员工本人,肯定成绩,指出不足,并提出今后努力改进的方向;改进原则:考核目的在于监督责任者的职能履行与实施,促进责任者对公司/部门经营目标的有效贯彻与实现,因此在考核中要注重对责任者的自我纠正和改进情况的评价;第二章绩效考核体系四、考核类型:绩效考核分为月度考核和年度考核,具体以实际操作为准。五、考核方法:绩效考核采取“工作目标考核”和“KPI”绩效考核相结合的方式,以“KPI”绩效考核为主。1、月度绩效考核是根据月度企业一级指标及部门二级指标完成情况,对员工个人“KPI”绩效进行计分考核。考核责任人应在考核周期内及时收集被考核员工工作状态、业绩等考核指标,作为考核加减分的依据。具体可按《员工KPI绩效考核表》、《岗位说明书》2、年度绩效考核是根据年度企业一级目标及部门二级指标完成情况,对员工个人“KPI”绩效进行计分考核。考核责任人应在考核周期内及时收集被考核员要工作状态、业绩等考核指标,作为考核加减分的依据。具体可按《员工KPI绩效考核表》、《岗位说明书》六、考核等级对照表:考核结果及等级KPI考核得分绩效考核等级系数绩效特优(A)95(含)分以上1绩效优秀(B)90(含)-95分0.8绩效良好(C)80(含)-90分0.7绩效达标(D)70(含)-80分0.6第2页共8页绩效不合格(E)70分以下0.1七、考核权限总经理:对总监、经理等负责人进行评分财务总监:对各项考核指标真实性、有效性进行审核各部门:按照本办法负责本部门的考核具体实施,由部门第一责任人对本部门人员进行评分总助办公室:负责考核办法的制定,对绩效考核的总体原则、绩效考核的方法及绩效考核的注意事项进行说明,组织、指导、督促考核的实施过程。八、绩效奖金分配系数管理职务岗位职级绩效奖金分配系数总经理一职等1.8高层管理二职等1.6中层管理三职等1.4基层管理四职等1.2基层员工五职等1高、中层管理人员绩效与下属员工绩效进行捆绑,下属员工绩效出现70分以下,每名扣减0.1绩效奖金分配系数九、考核程序各部门第一责任人每月5日前对本部门人员上月工作绩效进行考核评分,确定等级财务总监每月8日前对各部门指标数据进行审核总助办每月10日前汇总考核数据,制定绩效考核奖金分配表呈报总经理审批总经理每月15日前审批确定绩效考核奖金分配方案十、考核流程图审批十一、绩效奖金分配说明1、奖金分配条件:条件等级内容备注一级指标公司工作目标净销售额达成率>100%,净利润额达成率>100%;前提条件工厂产能达成率≧100%,毛利额达成率>100%;总经理考核部门责任人对部门人员进行考核财务总监审核指标、数据总助办公室核定绩效奖金分配表考核结果反馈员工结果异常申诉,总助办公室复核发放绩效奖金;调整职务等级第3页共8页2、奖金分配方式:各部门二级指标达成后,达标部门方可启动绩效奖金分配方案。3、绩效奖金包:取销售总额超额的30%设为本考核期绩效奖金的奖金包即:绩效奖金包=(本考核期销售总额-本期计划销售额)X30%4、绩效奖金计算:4.1总份数总份数=∑各部门岗位等级人员人数X绩效奖金分配系数以上统计的总份数:不包含二级指标未达成的部门各岗位等级人数4.2出勤系...

1、当您付费下载文档后,您只拥有了使用权限,并不意味着购买了版权,文档只能用于自身使用,不得用于其他商业用途(如 [转卖]进行直接盈利或[编辑后售卖]进行间接盈利)。
2、本站所有内容均由合作方或网友上传,本站不对文档的完整性、权威性及其观点立场正确性做任何保证或承诺!文档内容仅供研究参考,付费前请自行鉴别。
3、如文档内容存在违规,或者侵犯商业秘密、侵犯著作权等,请点击“违规举报”。

碎片内容

2017年绩效考核管理试行办法

状元书阁+ 关注
实名认证
内容提供者

爱好英语教学和互联网行业,热爱教育事业,兢兢业业

确认删除?
VIP
微信客服
  • 扫码咨询
会员Q群
  • 会员专属群点击这里加入QQ群
客服邮箱
回到顶部