电脑桌面
添加小米粒文库到电脑桌面
安装后可以在桌面快捷访问

D2-11无压管道闭水试验记录表W4-W18VIP免费

D2-11无压管道闭水试验记录表W4-W18_第1页
1/6
D2-11无压管道闭水试验记录表W4-W18_第2页
2/6
D2-11无压管道闭水试验记录表W4-W18_第3页
3/6
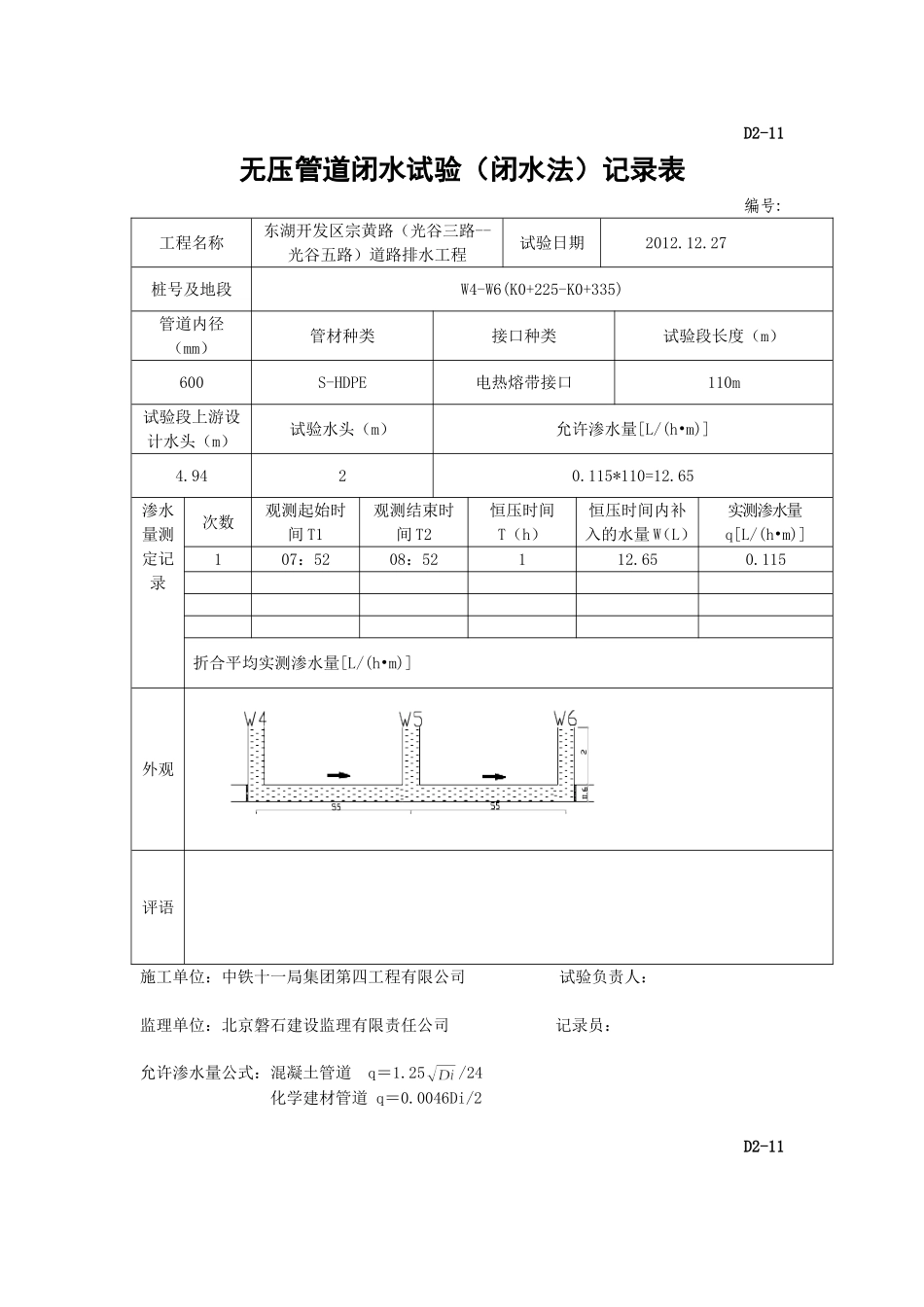
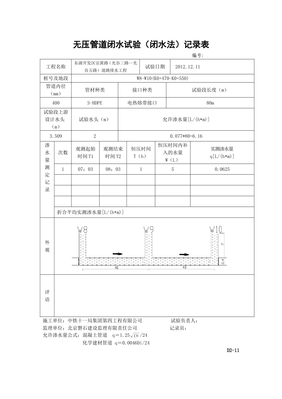
D2-11无压管道闭水试验(闭水法)记录表编号:工程名称东湖开发区宗黄路(光谷三路--光谷五路)道路排水工程试验日期2012.12.27桩号及地段W4-W6(K0+225-K0+335)管道内径(mm)管材种类接口种类试验段长度(m)600S-HDPE电热熔带接口110m试验段上游设计水头(m)试验水头(m)允许渗水量[L/(h•m)]4.9420.115*110=12.65渗水量测定记录次数观测起始时间T1观测结束时间T2恒压时间T(h)恒压时间内补入的水量W(L)实测渗水量q[L/(h•m)]107:5208:52112.650.115折合平均实测渗水量[L/(h•m)]外观评语施工单位:中铁十一局集团第四工程有限公司试验负责人:监理单位:北京磐石建设监理有限责任公司记录员:允许渗水量公式:混凝土管道q=1.25/24化学建材管道q=0.0046Di/2D2-11无压管道闭水试验(闭水法)记录表编号:工程名称东湖开发区宗黄路(光谷三路--光谷五路)道路排水工程试验日期2012.12.11桩号及地段W8-W10(K0+470-K0+550)管道内径(mm)管材种类接口种类试验段长度(m)400S-HDPE电热熔带接口80m试验段上游设计水头(m)试验水头(m)允许渗水量[L/(h•m)]3.50920.077*80=6.16渗水量测定记录次数观测起始时间T1观测结束时间T2恒压时间T(h)恒压时间内补入的水量W(L)实测渗水量q[L/(h•m)]107:0308:03150.0625折合平均实测渗水量[L/(h•m)]外观评语施工单位:中铁十一局集团第四工程有限公司试验负责人:监理单位:北京磐石建设监理有限责任公司记录员:允许渗水量公式:混凝土管道q=1.25/24化学建材管道q=0.0046Di/24D2-11无压管道闭水试验(闭水法)记录表编号:工程名称东湖开发区宗黄路(光谷三路--光谷五路)道路排水工程试验日期2012.12.11桩号及地段W10-W12(K0+550-K0+625)管道内径(mm)管材种类接口种类试验段长度(m)400S-HDPE电热熔带接口80m试验段上游设计水头(m)试验水头(m)允许渗水量[L/(h•m)]3.51120.077*80=6.16渗水量测定记录次数观测起始时间T1观测结束时间T2恒压时间T(h)恒压时间内补入的水量W(L)实测渗水量q[L/(h•m)]108:2209:22160.075折合平均实测渗水量[L/(h•m)]外观评语施工单位:中铁十一局集团第四工程有限公司试验负责人:监理单位:北京磐石建设监理有限责任公司记录员:允许渗水量公式:混凝土管道q=1.25/24化学建材管道q=0.0046Di/24D2-11无压管道闭水试验(闭水法)记录表编号:工程名称东湖开发区宗黄路(光谷三路--光谷五路)道路排水工程试验日期2012.12.11桩号及地段W12-W14(K0+630-K0+710)管道内径(mm)管材种类接口种类试验段长度(m)400S-HDPE电热熔带接口80m试验段上游设计水头(m)试验水头(m)允许渗水量[L/(h•m)]3.6220.077*80=6.16渗水量测定记录次数观测起始时间T1观测结束时间T2恒压时间T(h)恒压时间内补入的水量W(L)实测渗水量q[L/(h•m)]108:0009:0015.50.069折合平均实测渗水量[L/(h•m)]外观评语施工单位:中铁十一局集团第四工程有限公司试验负责人:监理单位:北京磐石建设监理有限责任公司记录员:允许渗水量公式:混凝土管道q=1.25/24化学建材管道q=0.0046Di/24D2-11无压管道闭水试验(闭水法)记录表编号:工程名称东湖开发区宗黄路(光谷三路--光谷五路)道路排水工程试验日期2012.11.18桩号及地段W14-W16(K0+710-K0+790)管道内径(mm)管材种类接口种类试验段长度(m)400S-HDPE电热熔带接口80m试验段上游设计水头(m)试验水头(m)允许渗水量[L/(h•m)]3.31820.077*80=6.16渗水量测定记录次数观测起始时间T1观测结束时间T2恒压时间T(h)恒压时间内补入的水量W(L)实测渗水量q[L/(h•m)]109:3510:35160.075折合平均实测渗水量[L/(h•m)]外观评语施工单位:中铁十一局集团第四工程有限公司试验负责人:监理单位:北京磐石建设监理有限责任公司记录员:允许渗水量公式:混凝土管道q=1.25/24化学建材管道q=0.0046Di/2D2-11无压管道闭水试验(闭水法)记录表编号:工程名称东湖开发区宗黄路(光谷三路--光谷五路)道路排水工程试验日期2012.11.21桩号及地段W16-W17(K0+790-K0+830)管道内径(mm)管材种类接口种类试验段长度(m)400S-HDPE电热熔带接口40m试验段上游设计水头...

1、当您付费下载文档后,您只拥有了使用权限,并不意味着购买了版权,文档只能用于自身使用,不得用于其他商业用途(如 [转卖]进行直接盈利或[编辑后售卖]进行间接盈利)。
2、本站所有内容均由合作方或网友上传,本站不对文档的完整性、权威性及其观点立场正确性做任何保证或承诺!文档内容仅供研究参考,付费前请自行鉴别。
3、如文档内容存在违规,或者侵犯商业秘密、侵犯著作权等,请点击“违规举报”。

碎片内容

D2-11无压管道闭水试验记录表W4-W18

您可能关注的文档

确认删除?
VIP
微信客服
  • 扫码咨询
会员Q群
  • 会员专属群点击这里加入QQ群
客服邮箱
回到顶部