电脑桌面
添加小米粒文库到电脑桌面
安装后可以在桌面快捷访问

安全生产责任制考核表(全)VIP免费

安全生产责任制考核表(全)_第1页
1/18
安全生产责任制考核表(全)_第2页
2/18
安全生产责任制考核表(全)_第3页
3/18
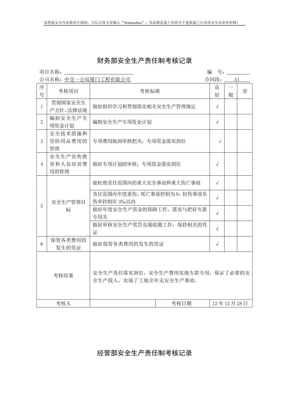
觉得我安全内业做的不错的,可以百度文库输入“Yeshouzhou”,里面都是我上传的关于建筑施工行业的安全内业资料哦!工程部安全生产责任制考核记录项目名称:编号:公司名称:中交一公局厦门工程有限公司合同段:A1序号考核项目考核标准良好一般差1贯彻安全生产规程、规范、制度上级有关安全生产规程、规范和公司安全方针、规章制度的落实√实现项目安全生产管理目标分解指标√2施工组织设计、安保计划、安全技术方案的编制与审核编制施工组织设计和专项方案√编制安全技术管理文件、安全技术方案√参与安全保证体系计划编制与审核√3年度安全生产管理目标杜绝设备、火灾、管线、食物中毒等重大事故和重大伤亡事故√年度重伤、死亡事故未控制为0,轻伤事故负伤率控制在3‰以内√落实项目部专项方案的编制,督促方案实施√及时解决安全技术难点,消除安全隐患√4参加安全生产检查、识别与控制危险源参加日常安全检查√参加专业性或季节性专项安全检查√定期分析研究和总结技术安全管理工作经验√5事故隐患的整改发现事故隐患后,及时从技术上提出整改措施√6参加事故的调查和处理发生事故及时上报,保护好现场事故后,从技术上提出整改和预防措施考核结果安全生产责任落实到位,安全技术管控有力得当,实现了工地全年无安全生产事故。考核人考核日期12年12月28日觉得我安全内业做的不错的,可以百度文库输入“Yeshouzhou”,里面都是我上传的关于建筑施工行业的安全内业资料哦!安保部安全生产责任制考核记录项目名称:编号:公司名称:中交一公局厦门工程有限公司合同段:A1序号考核项目考核标准良好一般差1贯彻安全生产规程、规范、制度上级有关安全生产规程、规范和公司安全方针、规章制度的落实√实现项目安全生产管理目标分解指标√2施工组织设计、安保计划、安全技术方案的编制与审核对施工组织设计和专项方案进行审核√对安全技术管理文件、安全技术方案审核√参与安全保证体系计划编制与审核√3年度安全生产管理目标杜绝设备、火灾、管线、食物中毒等重大事故和重大伤亡事故√年度重伤、死亡事故控制为0,轻伤事故负伤率控制在3‰以内√安保体系达到要求√无重大业主、社会相关方投诉√施工现场安全检查达到JGJ59-99合格标准√粉尘、污水、噪声控制达到要求√落实标准化施工、安全生产月施工√4组织安全生产检查识别与控制危险源组织日常安全检查√组织专业性或季节性专项安全检查√识别与控制危险源√对项目部安全工作的有效督导√定期分析研究和总结安全管理工作经验√5事故隐患或安全事故的处理与整改发生事故及时上报,保护好现场发现事故隐患或发生事故后,及时从安全管理上提出整改措施,对责任人提出明确处理意见6安全资料的归档安全记录资料及时整理归档√考核结果安全生产责任落实到位,安全监督及时有效,隐患整改落实到位,实现了工地全年无安全生产事故。考核人考核日期12年12月28日觉得我安全内业做的不错的,可以百度文库输入“Yeshouzhou”,里面都是我上传的关于建筑施工行业的安全内业资料哦!财务部安全生产责任制考核记录项目名称:编号:公司名称:中交一公局厦门工程有限公司合同段:A1序号考核项目考核标准良好一般差1贯彻国家安全生产方针、法律法规做好组织学习和贯彻落实相关安全生产管理规定√2编制安全生产专项资金计划编制安全生产专项资金计划√3安全技术措施和劳防用品费用的管理专项费用做到审核把关;专项资金落实到位√4安全生产宣传教育和人员培训费用的管理做好专项计划的审核;专项资金落实到位√5安全生产管理目标能杜绝责任范围内的重大安全事故和重大伤亡事故√责任范围内年度重伤、死亡事故控制为0,轻伤事故负伤率控制在3‰以内√做好年度安全生产资金的保障工作,落实与把好专款专用关√做好审核安全生产奖罚兑现收缴工作,保持相关的凭证√6保管各类费用的发生的凭证做好保管各类费用的发生的凭证√考核结果安全生产责任落实到位,安全生产费用实现专款专用,保证了必要的安全生产投入,实现了工地全年无安全生产事故。考核人考核日期12年12月28日经营部安全生产责任制考核记录觉得我安全内业做的不错的,可以百度文库输入“Yeshouzhou...

1、当您付费下载文档后,您只拥有了使用权限,并不意味着购买了版权,文档只能用于自身使用,不得用于其他商业用途(如 [转卖]进行直接盈利或[编辑后售卖]进行间接盈利)。
2、本站所有内容均由合作方或网友上传,本站不对文档的完整性、权威性及其观点立场正确性做任何保证或承诺!文档内容仅供研究参考,付费前请自行鉴别。
3、如文档内容存在违规,或者侵犯商业秘密、侵犯著作权等,请点击“违规举报”。

碎片内容

安全生产责任制考核表(全)

确认删除?
VIP
微信客服
  • 扫码咨询
会员Q群
  • 会员专属群点击这里加入QQ群
客服邮箱
回到顶部