电脑桌面
添加小米粒文库到电脑桌面
安装后可以在桌面快捷访问

SY4202-2016储罐工程检验批表格VIP免费

SY4202-2016储罐工程检验批表格_第1页
1/32
SY4202-2016储罐工程检验批表格_第2页
2/32
SY4202-2016储罐工程检验批表格_第3页
3/32
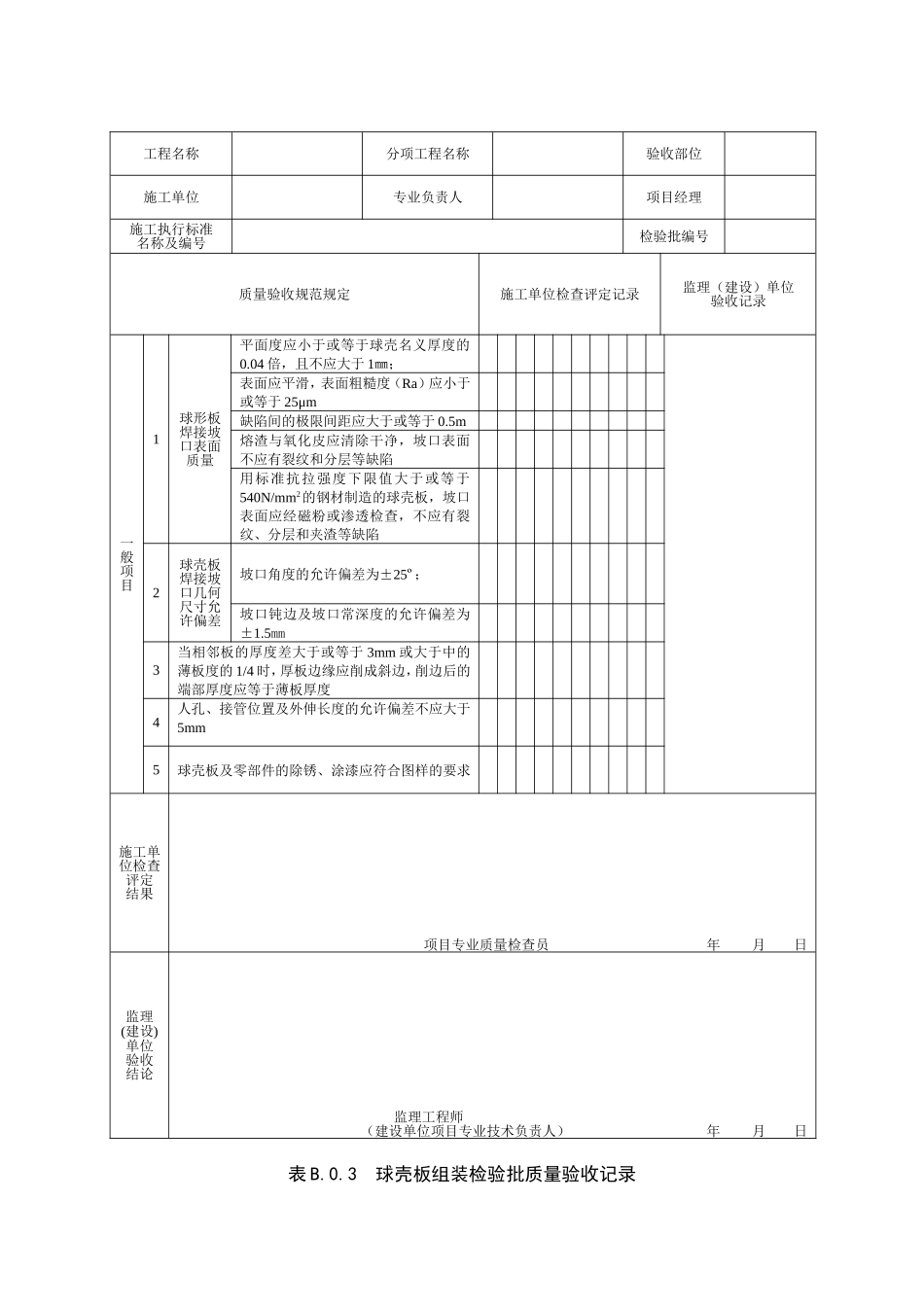
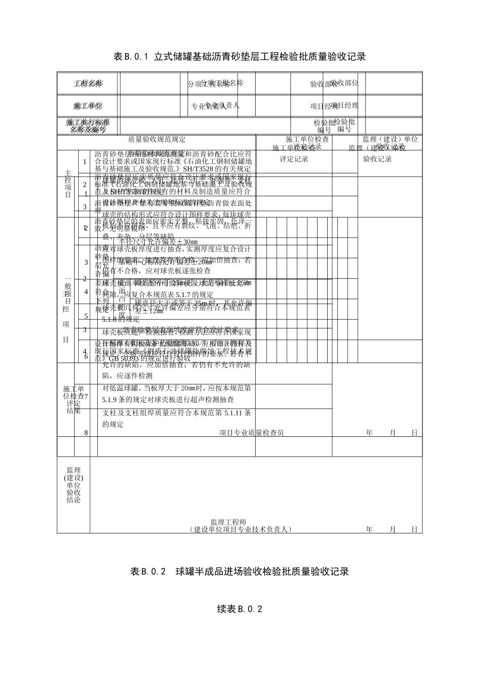
表B.0.1立式储罐基础沥青砂垫层工程检验批质量验收记录表B.0.2球罐半成品进场验收检验批质量验收记录续表B.0.2工程名称分项工程名称验收部位施工单位专业负责人项目经理施工执行标准名称及编号检验批编号质量验收规范规定施工单位检查评定记录监理(建设)单位验收记录主控项目1沥青砂垫层所用材料的质量和沥青砂配合比应符合设计要求或国家现行标准《石油化工钢制储罐地基与基础施工及验收规范.》SH/T3528的有关规定2沥青砂垫层压实质量应符合设计要求或国家现行标准《石油化工钢制储罐地基与基础施工及验收规范.》SH/T3528的规定3沥青砂垫层严禁有贯穿裂纹或有垫沥青做表面处理一般项目1沥青砂垫层的表面应密实平整,粘接牢固,色泽一致,无明显辊印2沥青砂垫层允许偏差应符合下列规定半径尺寸允许偏差±30㎜基础中心标高允许偏差±20㎜表面凸凹度罐直径小于25m时,允许偏差±25㎜罐直径大于或等于25m时,其允许偏差±12㎜3沥青砂垫层表面坡度应符合设计要求4设计图样有阴极保护的储罐基础,应按设计图样及现行国家标准《钢质石油储罐防腐蚀工程技术规范》GB50393的规定进行验收施工单位检查评定结果项目专业质量检查员年月日监理(建设)单位验收结论监理工程师(建设单位项目专业技术负责人)年月日工程名称分项工程名称验收部位施工单位专业负责人项目经理施工执行标准名称及编号检验批编号质量验收规范规定施工单位检查评定记录监理(建设)单位验收记录主控项目1球罐的球壳板、人孔、接管、法兰、补强件、支柱及拉杆等零部件所有的材料及制造质量应符合设计图样及有关法规和标准的规定2球壳的结构形式应符合设计图样要求;每块球壳板均不应拼接,且不应有裂纹、气泡、结疤、折叠、夹杂、分层等缺陷3应对球壳板厚度进行抽查,实测厚度应复合设计图样的要求。抽查若有不合格,应加倍抽查;若仍有不合格,应对球壳板逐张检查4球壳板曲率检查所用的样板及球壳与样板允许间隙,应复合本规范表5.1.7的规定5球壳板几何尺寸允许偏差应分别符合本规范表5.1.8的规定6球壳板应超声检测抽查,检测方法应符合国家现行标准《承压设备无损检测》NB/T47013的有关规定,合格等级应符合设计图样的要求。若有不允许的缺陷,应加倍抽查;若仍有不允许的缺陷,应逐件检测7对低温球罐,当板厚大于20㎜时,应按本规范第5.1.9条的规定对球壳板进行超声检测抽查8支柱及支柱组焊质量应符合本规范第5.1.11条的规定表B.0.3球壳板组装检验批质量验收记录工程名称分项工程名称验收部位施工单位专业负责人项目经理施工执行标准名称及编号检验批编号质量验收规范规定施工单位检查评定记录监理(建设)单位验收记录一般项目1球形板焊接坡口表面质量平面度应小于或等于球壳名义厚度的0.04倍,且不应大于1㎜;表面应平滑,表面粗糙度(Ra)应小于或等于25μm缺陷间的极限间距应大于或等于0.5m熔渣与氧化皮应清除干净,坡口表面不应有裂纹和分层等缺陷用标准抗拉强度下限值大于或等于540N/mm2的钢材制造的球壳板,坡口表面应经磁粉或渗透检查,不应有裂纹、分层和夹渣等缺陷2球壳板焊接坡口几何尺寸允许偏差坡口角度的允许偏差为±25º;坡口钝边及坡口常深度的允许偏差为±1.5mm3当相邻板的厚度差大于或等于3mm或大于中的薄板度的1/4时,厚板边缘应削成斜边,削边后的端部厚度应等于薄板厚度4人孔、接管位置及外伸长度的允许偏差不应大于5mm5球壳板及零部件的除锈、涂漆应符合图样的要求施工单位检查评定结果项目专业质量检查员年月日监理(建设)单位验收结论监理工程师(建设单位项目专业技术负责人)年月日续表B.0.3工程名称分项工程名称验收部位施工单位专业负责人项目经理施工执行标准名称及编号检验批编号质量验收规范规定施工单位检查评定记录监理(建设)单位验收记录主控项目1球罐安装前应对基础各部位尺寸进行检查和验收,其允许偏差应符合本规范表4.0.2的规定2球壳板组对错边量、棱角组对错边量不应大于球壳板的名义厚度的1/4,且不应大于3mm,当两板厚度不等时,可不计入两板的差值棱角值不应大于7㎜3相邻焊缝的边缘距离不应小于球壳板厚度的3倍,且不应小于100㎜相邻两带的纵焊缝支柱与球壳的角焊缝至...

1、当您付费下载文档后,您只拥有了使用权限,并不意味着购买了版权,文档只能用于自身使用,不得用于其他商业用途(如 [转卖]进行直接盈利或[编辑后售卖]进行间接盈利)。
2、本站所有内容均由合作方或网友上传,本站不对文档的完整性、权威性及其观点立场正确性做任何保证或承诺!文档内容仅供研究参考,付费前请自行鉴别。
3、如文档内容存在违规,或者侵犯商业秘密、侵犯著作权等,请点击“违规举报”。

碎片内容

SY4202-2016储罐工程检验批表格

确认删除?
VIP
微信客服
  • 扫码咨询
会员Q群
  • 会员专属群点击这里加入QQ群
客服邮箱
回到顶部