电脑桌面
添加小米粒文库到电脑桌面
安装后可以在桌面快捷访问

vocs处理设计方案VIP免费

vocs处理设计方案_第1页
1/20
vocs处理设计方案_第2页
2/20
vocs处理设计方案_第3页
3/20
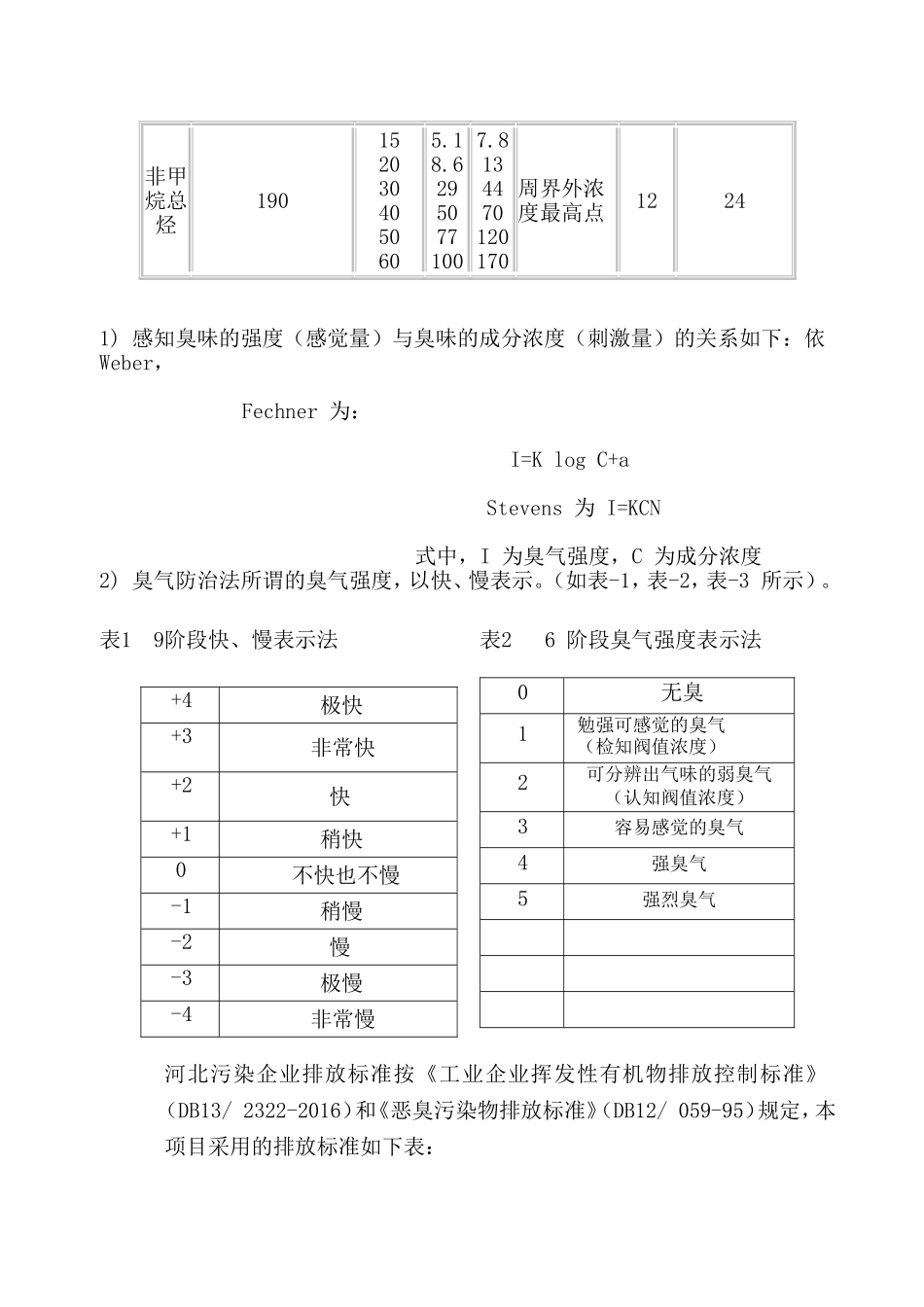
有限公司VOC废气治理项目技术方案有限公司二○一七年一月技术方案及说明1设计基础资料1.1臭气处理指标1.1.1废气来源与废气成份共有三个主要生产车间,每个车间3根30m高排气筒,引风机风量9.6万/台,废气的主要来源为生产车间主要废气成分为苯乙烯、二甲苯、苯酚、醋酸乙酯,DMF,丁酮,甲醇,三乙胺,乙酸乙酯,叔丁醇,对甲苯磺酸,异丙醇等。现场存在问题:1)目前气体排放未做净化处理;2)未按环保要求做到无毒无异味排放,车间内外仍有很大异味;3)严重危害了工厂内部及周边生活环境。1.1.2臭气处理标准臭气处理后尾气达到国家《大气污染物排放标准》(GB14554-96)《恶臭污染物排放标准》(GB14554-93)的15米排气筒的排放标准值。具体见下表,排气筒留有气体检测口。臭气处理后恶臭污染物排放标准值。针对该项目排放的废气特性,对废气处理工艺、设备选型等进行多方面比较,采用技术先进、处理效果好、运行稳定、投资省、运行成本相对低的工艺,同时使工程获得最佳的环境效益、社会效益和经济效益,力求满足项目业主的要求。本工程主要目标为改善排风空气净化,控制排放气体的浓度,排放废气未经处理未达到《大气污染物综合排放标准》(GB16297-1996)、《恶臭污染物排放标准》(GB14554-1993)的二级标准执行。根据我方完成同类工程的监测内容,主要监测指标《大气污染物综合排放标准》(GB16297-1996)表2新污染源大气污染物排放限值所示:污染物最高允许排放浓度(mg/m3)最高允许排放速率(kg/h)无组织排放监控浓度限值排气筒(m)一级二级三级监控点浓度(mg/m3)非甲烷总烃1901520304050605.18.62950771007.8134470120170周界外浓度最高点12241)感知臭味的强度(感觉量)与臭味的成分浓度(刺激量)的关系如下:依Weber,Fechner为:I=KlogC+aStevens为I=KCN式中,I为臭气强度,C为成分浓度2)臭气防治法所谓的臭气强度,以快、慢表示。(如表-1,表-2,表-3所示)。表19阶段快、慢表示法表26阶段臭气强度表示法+4极快+3非常快+2快+1稍快0不快也不慢-1稍慢-2慢-3极慢-4非常慢河北污染企业排放标准按《工业企业挥发性有机物排放控制标准》(DB13/2322-2016)和《恶臭污染物排放标准》(DB12/059-95)规定,本项目采用的排放标准如下表:0无臭1勉强可感觉的臭气(检知阀值浓度)2可分辨出气味的弱臭气(认知阀值浓度)3容易感觉的臭气4强臭气5强烈臭气序号项目排放标准(排气筒高度15m)排放量(kg/h)排放浓度(mg/m3)1VOCs(河北)<2.0<802臭气浓度(国标)<1500(无量纲)3臭气浓度(企标)<1000(无量纲)1.2项目设计原则:①严格执行国家有关环境保护的各项措施,确保各项废气指标能够达到国家排放标准;②采取成熟、安全、可靠的工艺和设备,确保设备运行稳定;③整个设施布局合理,流程简单,尽量控制工程成本,以最少的投资实现最大的环境效益;④现有成功的工程经验作为技术支持。⑤确保设备选型合理,系统运行节能、高效,占地面积少;⑥无须外加辅助能源和设备,无二次污染产生;⑦设备运行自动化程度高,易于操作管理;⑧系统运行安全、稳定、可靠,维护简单,使用寿命长。根据厂内各区域无组织排放的污染源分布情况和散发介质性质不同,本着安全、环保、经济和实用的原则,分别进行加盖、收集、集中异味消除改造。2.加盖系统需得满足以下几点条件:①加盖后多出的空间要尽量的小;②加盖之后不能出现漏气的现象;③加盖后要方便对加盖设施内设备的运行和维修;④加盖后其配气需合理;3臭气管道输送部分本项目管道输送管道采用玻璃钢材质,所有工艺管道连接所需的管架、紧固件、垫片及必要的阀门等均在供货范围内;同时提供与所有阀门相连接所需的紧固件;当风管内可能产生凝结水、沉积物或其他液体时,风管应具有一定的坡度,并在风管的最低点设置排凝水口,风机底部也设置排水口,排水去向就近排入污水井或污水池。玻璃钢风管制作安装要求符合GB50243-2002《通风与空调工程施工质量验收规范》。3.玻璃钢管材具有以下特性:1)耐腐蚀性好:FRP管道能抵抗酸、碱、盐及众多化学流体的侵蚀。2)耐热性、抗冻性好:在-20℃状态下,仍具有良好的韧性和极高的强度,可在...

1、当您付费下载文档后,您只拥有了使用权限,并不意味着购买了版权,文档只能用于自身使用,不得用于其他商业用途(如 [转卖]进行直接盈利或[编辑后售卖]进行间接盈利)。
2、本站所有内容均由合作方或网友上传,本站不对文档的完整性、权威性及其观点立场正确性做任何保证或承诺!文档内容仅供研究参考,付费前请自行鉴别。
3、如文档内容存在违规,或者侵犯商业秘密、侵犯著作权等,请点击“违规举报”。

碎片内容

vocs处理设计方案

确认删除?
VIP
微信客服
  • 扫码咨询
会员Q群
  • 会员专属群点击这里加入QQ群
客服邮箱
回到顶部