电脑桌面
添加小米粒文库到电脑桌面
安装后可以在桌面快捷访问

质量-环境-职业健康安全管理体系程序文件VIP免费

质量-环境-职业健康安全管理体系程序文件_第1页
1/176
质量-环境-职业健康安全管理体系程序文件_第2页
2/176
质量-环境-职业健康安全管理体系程序文件_第3页
3/176
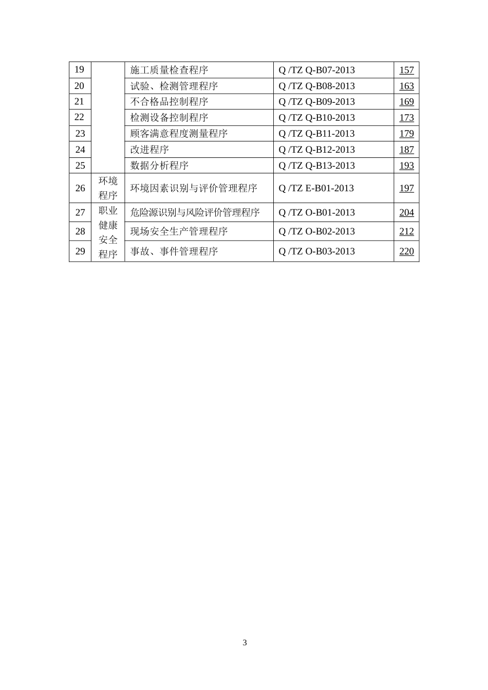
通州建总集团有限公司企业标准Q/TZQ.E.O-B-2013质量管理体系环境管理体系职业健康安全管理体系程序文件2013年3月28日发布2013年3月28日实施通州建总集团有限公司发布发布令集团公司依据GB/T19001-2008idtISO9001:2008标准、GB/T50430-2007标准、GB/T24001-2004idtISO14001:2004标准和GB/T28001-2001标准、《质量手册》(Q/TZQ-A-2013)、《环境管理手册》(Q/TZE-A-2013)、《职业健康安全管理手1册》(Q/TZO-A-2013)编制《程序文件》(Q/TZQ.E.O-B-2013)。它是集团公司“三体系”文件的重要组成部分,是集团公司管理活动的准则。为了实现集团公司的方针和目标,全体员工必须认真学习“三体系”程序文件,并遵照执行。《程序文件》(Q/TZQ.E.O-B-2013)于2013年3月28日发布、实施,原《程序文件》【Q/TZQ.E-B-2012】同时废止。本《程序文件》由工程技术部负责管理,其中各程序具体解释工作由各主相关部室负责。管理者代表:瞿启忠2013年3月28日程序文件目录序号程序名称编号页次1三体系兼容程序文件控制程序Q/TZQ.E.O-B01-201312记录控制程序Q/TZQ.E.O-B02-2013163信息沟通程序Q/TZQ.E.O-B03-2013204管理评审程序Q/TZQ.E.O-B04-2013265人力资源管理程序Q/TZQ.E.O-B05-2013336内部审核程序Q/TZQ.E.O-B06-2013447安环兼容程序法律、法规获取与识别管理程序Q/TZE.O-B01-2013568监测和测量管理程序Q/TZE.O-B02-2013609应急准备和响应管理程序Q/TZE.O-B03-20136410不符合、纠正与预防措施管理程序Q/TZE.O-B04-20137011运行控制程序Q/TZE.O-B05-20137912合规性评价管理程序Q/TZE.O-B06-20139613质量程序质量目标管理程序Q/TZQ-B01-20139914施工机具控制程序Q/TZQ-B02-201310115工程项目投标和合同管理程序Q/TZQ-B03-201311416建筑材料、构配件和设备管理程序Q/TZQ-B04-201312117分包管理程序Q/TZQ-B05-201313118施工质量管理程序Q/TZQ-B06-2013138219施工质量检查程序Q/TZQ-B07-201315720试验、检测管理程序Q/TZQ-B08-201316321不合格品控制程序Q/TZQ-B09-201316922检测设备控制程序Q/TZQ-B10-201317323顾客满意程度测量程序Q/TZQ-B11-201317924改进程序Q/TZQ-B12-201318725数据分析程序Q/TZQ-B13-201319326环境程序环境因素识别与评价管理程序Q/TZE-B01-201319727职业健康安全程序危险源识别与风险评价管理程序Q/TZO-B01-201320428现场安全生产管理程序Q/TZO-B02-201321229事故、事件管理程序Q/TZO-B03-20132203文件控制程序(Q/TZQ.E.O-B01-2013)1目的为了对与管理体系有关的文件进行控制,确保各相关场所使用文件为有效版本,特制定本程序。2范围适用于与管理体系有关的文件控制。3术语和定义采用《质量手册》、《环境管理手册》和《职业健康安全管理手册》中规定的术语和定义。4职责4.1集团公司4.1.1总经理负责手册的审批发布。4.1.2管理者代表负责程序文件的审批发布。4.1.3综合办公室是文件控制的归口管理部门,负责文件的收发和档案管理工作。4.1.4工程技术部结合年度内审,组织对管理体系文件的适宜性、有效性、充分性进行评审;同时负责体系文件的修改、换版等管理工作。4.1.5各职能部室负责相关文件的编写、更改和管理,并配合工程技术部作好相关程序的评审和修订工作。4.2分公司4.2.1分公司经理批准分公司文件。4.2.2各职能科室负责相关文件的编写、更改和管理。4.2.3办公室负责文件的发放和建档管理。4.3项目部4.3.1项目经理批准项目部文件。4.3.2资料员负责文件的收发和管理。5工作程序5.1体系文件的分类5.1.1手册;5.1.2程序文件;5.1.3支持性文件;5.1.4标准、规范、法律、法规等。5.2编号和标识5.2.1文件必须按规定进行编号:a质量手册Q/TZQ-A-△b环境管理手册Q/TZE-A-△c职业健康安全管理手册Q/TZO-A-△d程序:三体系兼容程序Q/TZQ.E.O-B□-△1安环兼容程序Q/TZE.O-B□-△质量程序Q/TZQ-B□-△环境程序Q/TZE-B□-△职业健康安全程序Q/TZO-B□-△e支持性文件Q/TZ-C□-△□—顺序号△—年号5.2.2手册、程序文件采用书面或电子形式,并标注唯一分发号。5.2.3失效及作废文件,应注以“作废”标识。5.3编写5.3.1管理者代表组织编写手册及程序文件。5.3.2各职能部门负责相关文件的编...

1、当您付费下载文档后,您只拥有了使用权限,并不意味着购买了版权,文档只能用于自身使用,不得用于其他商业用途(如 [转卖]进行直接盈利或[编辑后售卖]进行间接盈利)。
2、本站所有内容均由合作方或网友上传,本站不对文档的完整性、权威性及其观点立场正确性做任何保证或承诺!文档内容仅供研究参考,付费前请自行鉴别。
3、如文档内容存在违规,或者侵犯商业秘密、侵犯著作权等,请点击“违规举报”。

碎片内容

质量-环境-职业健康安全管理体系程序文件

您可能关注的文档

金钥匙书屋+ 关注
实名认证
内容提供者

热爱教育事业,爱好互联网行业

确认删除?
VIP
微信客服
  • 扫码咨询
会员Q群
  • 会员专属群点击这里加入QQ群
客服邮箱
回到顶部