电脑桌面
添加小米粒文库到电脑桌面
安装后可以在桌面快捷访问

星级酒店工程部各项表格VIP免费

星级酒店工程部各项表格_第1页
1/20
星级酒店工程部各项表格_第2页
2/20
星级酒店工程部各项表格_第3页
3/20
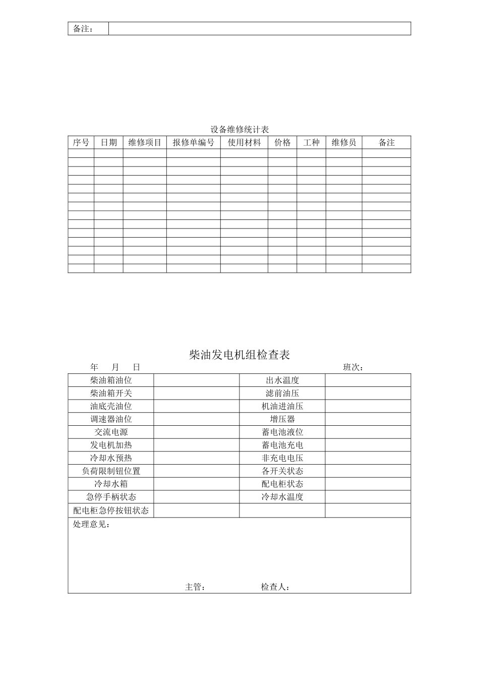
酒店工程部各项表格工程维修单NO:工程部发出部门部门负责人日期时间地点工作内容维修记录耗用(请购)材料序号材料名称数量单价合计总计接收维修员当值工程师验收员白联:工程部红联:仓库黄联:报修部门工程维修反馈单报修部门:报修时间:反馈时间:序号报修项目检修原因反馈内容备注配电停送倒闸操作表日期签发时间签发人签名签发理由允许操作时间操作地点由月日时分开始至日时分结束操作任务顺序操作项目1234监护人签名:操作人签名:设备开箱验收单验收部门:年第号设备名称制造厂家型号规格出厂编号到货日期开箱日期外包装情况整机情况附机附件备件情况随机技术文件备注部门验收人签字年月日工程验收人签字年月日资料借阅登记表借阅资料名称:资料检索编号:档案案卷号:资料存放位置:资料密级:借阅时间:归还时间:资料借出时状态:资料归还时状态:资料借阅批准人签字:借阅人签字:备注:设备维修统计表序号日期维修项目报修单编号使用材料价格工种维修员备注柴油发电机组检查表年月日班次:柴油箱油位出水温度柴油箱开关滤前油压油底壳油位机油进油压调速器油位增压器交流电源蓄电池液位发电机加热蓄电池充电冷却水预热非充电电压负荷限制钮位置各开关状态冷却水箱配电柜状态急停手柄状态冷却水温度配电柜急停按钮状态处理意见:主管:检查人:后备发电机送停操作表操作人时间时分监护人时间时分签发人时间时分操作顺序12操作人时间时分监护人时间时分签发人时间时分操作顺序3操作开始时分操作完毕时分45操作开始时分操作完毕时分空作业审批表作业班组作业负责人作业地点作业时间作业人监护人作业人身体状况及年龄作业方式申请时间填表人作业内容安全措施审批意见签名:年月日工程明火作业申请表申请时间申请人作业班组现场负责人作业地点作业时间作业人监护人作业内容安全措施工程部审批意见签名:年月日保安部审批意见签名:年月日电气运行记录年月日室外温度℃项目时间0:003:006:008:0010:0012:0014:0016:0018:0020:0022:00线路电压KV电流A电压KV电流A变压器变压器温度A相B相C相低压进线电压V电流KA电流KA电流KA低压进线电压V电流KA电流KA电流KA低电压V压进线电流KA电流KA电流KA运行记事当值签名当值签名当值签名水泵房运行记录表班次:值班员:日期:名称机号项目运行内容生活泵号泵起停时间运行电压电流V/A水压kg/m2号泵起停时间运行电压电流V/A水压kg/m2消防加压泵号泵起停时间运行电压电流V/A水压kg/m2号泵起停时间运行电压电流V/A水压kg/m2号泵起停时间运行电压电流V/A水压kg/m2消防喷淋泵号泵起停时间运行电压电流V/A水压kg/m2号泵起停时间运行电压电流V/A水压kg/m2号泵起停时间运行电压电流V/A水压kg/m2消防消火栓泵号泵起停时间运行电压电流V/A水压kg/m2号泵起停时间运行电压电流V/A水压kg/m2号泵起停时间运行电压电流V/A水压kg/m2备注设备改造(大修)审批单填报部门:年第号设备名称设备编号型号规格设备原值设备等级已用年度预计费用资金来源预计时间目前设备状况部门经理:年月日工程总工:年月日改造大修方案概况(附方案)预计改造大修后设备状况拟聘设计单位拟聘施工单位各级审批使用部门总监\经理酒店工程总工总经理意见注:此表存入设备档案,重点设备及特种设备改造(大修)须附技术、经济论证材料及设计、施工单位材料。设备改造(大修)验收单年第号设备名称制造厂家型号规格设备编号资产编号管理类别设备原值折旧年度已用年度累计折旧预计费用实际费用审批单号审批日期施工单位开工日期竣工日期验收日期大修改造方案概况大修改造主要内容关键部件更换情况部位部件名称数量改造后精度性能主要遗留问题验收酒店负责人设计单位施工单位各方意见名称(印章):年月日名称(印章):年月日设备报废单年第号设备名称设备编号型号规格制造厂家出厂日期资产编号设备原值折旧年限已用年限累计折旧预计残值报损值报废原因最后报废日期各级意见设备部门总监酒店财务总监酒店工程总工总经理填表人:填表日期:年月日设备事故报告单年第号设备名称设备编号事故主要责任者姓名技术等级事故类别事故性质事故损失修理费用发生时间年月日修复时间年...

1、当您付费下载文档后,您只拥有了使用权限,并不意味着购买了版权,文档只能用于自身使用,不得用于其他商业用途(如 [转卖]进行直接盈利或[编辑后售卖]进行间接盈利)。
2、本站所有内容均由合作方或网友上传,本站不对文档的完整性、权威性及其观点立场正确性做任何保证或承诺!文档内容仅供研究参考,付费前请自行鉴别。
3、如文档内容存在违规,或者侵犯商业秘密、侵犯著作权等,请点击“违规举报”。

碎片内容

星级酒店工程部各项表格

金钥匙书屋+ 关注
实名认证
内容提供者

热爱教育事业,爱好互联网行业

确认删除?
VIP
微信客服
  • 扫码咨询
会员Q群
  • 会员专属群点击这里加入QQ群
客服邮箱
回到顶部