电脑桌面
添加小米粒文库到电脑桌面
安装后可以在桌面快捷访问

移动模架设计计算VIP免费

移动模架设计计算_第1页
1/19
移动模架设计计算_第2页
2/19
移动模架设计计算_第3页
3/19
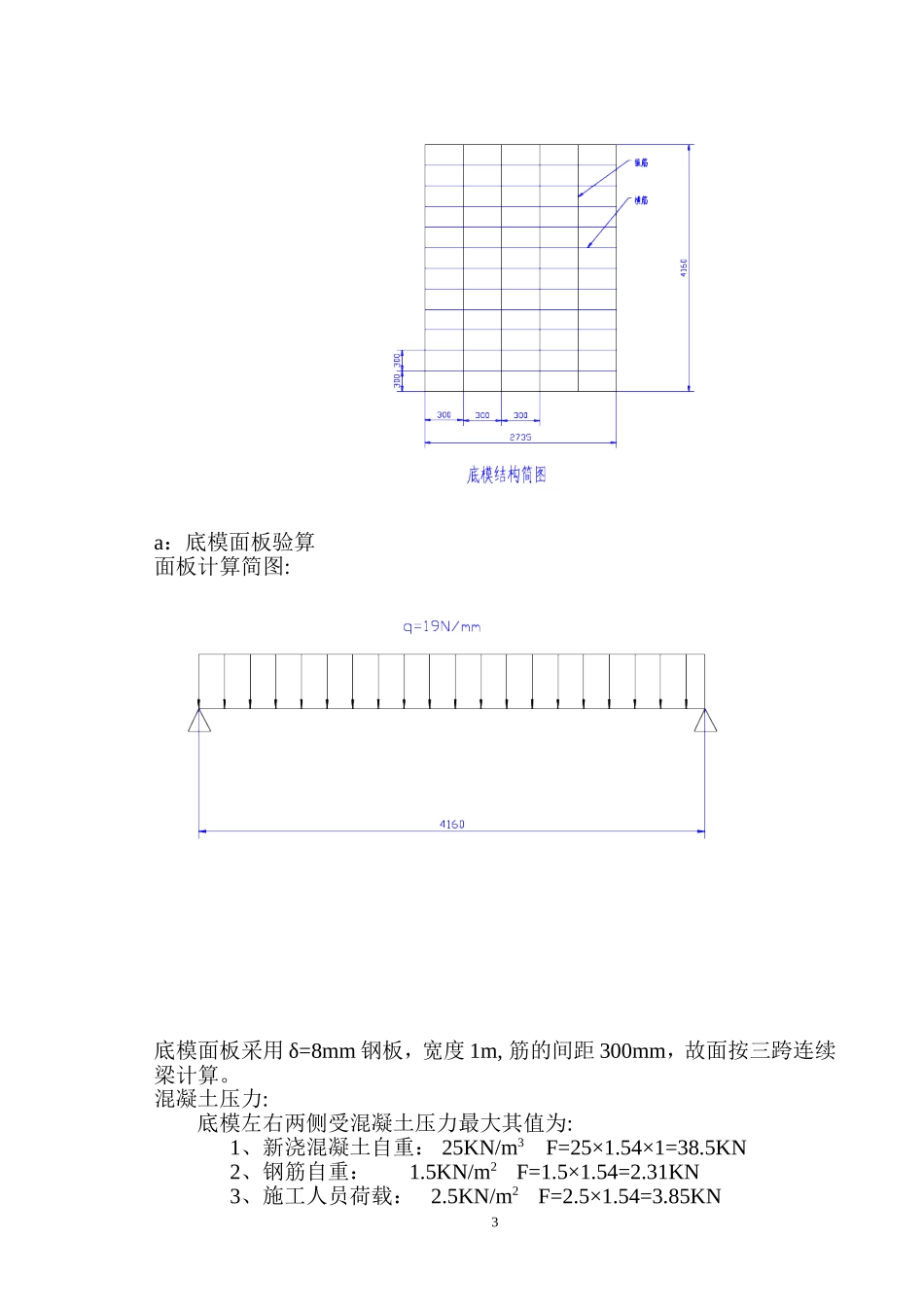
移动模架设计计算书一、移动模架结构简图:二、设计原则:根据桥模板设计规范:1、结构外露的模板变形,为模板构件计算跨度的。2、结构隐蔽的模板变形,为模板构件计算跨度的。3、模板支承支架的压缩变形值或弹性挠度为。三、移动模架计算载荷:根据桥模板设计规范:取标准荷载值:1、新浇混凝土自重:25KN/m32、钢筋自重:1.5KN/m23、施工人员荷载:2.5KN/m24、振捣动荷载:2-4KN/m2(平面模板取2,墙模取4)5、模板自重:(按结构实际重量)6、混凝土侧压力:1四、造桥机外侧模板计算:1、模板受混凝土压力简图2、底模验算:2a:底模面板验算面板计算简图:底模面板采用δ=8mm钢板,宽度1m,筋的间距300mm,故面按三跨连续梁计算。混凝土压力:底模左右两侧受混凝土压力最大其值为:1、新浇混凝土自重:25KN/m3F=25×1.54×1=38.5KN2、钢筋自重:1.5KN/m2F=1.5×1.54=2.31KN3、施工人员荷载:2.5KN/m2F=2.5×1.54=3.85KN34、振捣动荷载:2-4KN/m2F=2×1.73=3.08KNF底总=38.5+2.31+3.85+3.08=47.7KNq底=F/0.405×0.3=35.4N/mm强度验算跨度/板厚=30/0.8=40<100,属小挠度连续板,弯矩系数为-0.1截面抵抗矩:面板最大应力:.挠度验算:b底模纵筋验算底模纵筋采用H300×150×8×5钢,截面特性Ix=6070cm4Wx=405cm3计算简图:纵筋强度强度计算4挠度验算:(可)3.侧模验算侧模面板采用δ=6mm钢板,材料截面特性:,纵筋采用H300×150间距400mm.材料截面特性:Ix=60700000mm4wx=405000mm3侧模板承受荷载:a、混凝土侧压力b、振捣动载荷c、施工人员荷载模板简图5面板验算:1.计算简图(侧模为连续梁结构按三跨连续梁计算)2.强度验算:3.刚度验算:6:侧模纵筋验算(侧模纵筋为简支结构按简支梁计算)1、计算简图2.强度验算3.刚度验算(可)五、模板底横梁计算模板底横梁结构简图7模板底横梁承受砼梁,模板自重重力,施工荷载。模板底横梁采用焊接形箱梁结构,截面特性:IX=508762×104mm4,Wx=9250×103mm3.模板底横梁荷载:1、新浇混凝土梁自重:F混=9000÷32.6×4.16=1148KN2、施工人员荷载:2.5KN/m2F施=2.5×8.33×4.16=86.6KN3、模板自重:F模=1350÷32.6×4.16=172KNP=(F混+F施+F模重)/2=703.3KN计算简图:强度验算:8刚度验算:)=13.3mmmm(可)附一:弯矩图0.000001670337.500001670337.500001670337.500000.00000MIDAS/CivilPOST-PROCESSORBEAMDIAGRAM-y弯矩1.67034e+0061.51849e+0061.36664e+0061.21479e+0061.06294e+0069.11093e+0057.59244e+0056.07395e+0054.55547e+0053.03698e+0051.51849e+0059.31323e-010ST:nlMAX:3MIN:5:文件模板横梁:单位kN*mm:日期06/18/2006-表示方向X:-0.483Y:-0.837Z:0.259附二:变形图98.6360.00013.37313.3730.0008.636MIDAS/CivilPOST-PROCESSORDEFORMEDSHAPE分析结果X-DIR=0.000E+000NODE=1Y-DIR=0.000E+000NODE=1Z-DIR=-1.337E+001NODE=3COMB.=1.337E+001NODE=3=系数4.711E+001ST:nlMAX:3MIN:5:文件模板横梁:单位mm:日期06/18/2006-表示方向X:-0.483Y:-0.837Z:0.259六:牛腿横梁验算:.牛腿横梁简图牛腿承受砼梁,顶模、侧模及底模模板自重重力,施工荷载,牛腿采用焊接箱形梁,截面特性:IX=3495669×104mm4,Wx=58261×103mm3.牛腿横梁荷载:1.梁重量:F1=9000KN2.模板重量:F2=1350KN3.主梁重量:F3=1830KN4.移动支座:F3=300KN105.牛腿自重:F4=124KNP总=.计算简图:强度验算:一,工作状态强度验算:11刚度验算:)ω=1.5mm二.过孔状态强度验算:刚度验算:)ω=24.6mmmm附三:牛腿横梁弯矩图(工作状态)0.000000.00000-624000.00000-624000.000000.00000297600.00000-624000.00000-624000.00000297600.00000297600.00000-624000.00000-624000.00000297600.000000.00000-624000.00000-624000.000000.000000.00000MIDAS/CivilPOST-PROCESSORBEAMDIAGRAM-y弯矩2.97600e+0052.13818e+0051.30036e+0054.62545e+0040.00000e+000-1.21309e+005-2.05091e+005-2.88873e+005-3.72655e+005-4.56436e+005-5.40218e+005-6.24000e+005ST:nlMAX:5MIN:7:文件牛腿计算:单位kN*mm:日期06/18/2006-表示方向X:-0.483Y:-0.837Z:0.259附四:牛腿横梁变形图120.5761.4680.5760.0000.2220.2440.2440.2220.0000.5761.4680.5760.00...

1、当您付费下载文档后,您只拥有了使用权限,并不意味着购买了版权,文档只能用于自身使用,不得用于其他商业用途(如 [转卖]进行直接盈利或[编辑后售卖]进行间接盈利)。
2、本站所有内容均由合作方或网友上传,本站不对文档的完整性、权威性及其观点立场正确性做任何保证或承诺!文档内容仅供研究参考,付费前请自行鉴别。
3、如文档内容存在违规,或者侵犯商业秘密、侵犯著作权等,请点击“违规举报”。

碎片内容

移动模架设计计算

您可能关注的文档

金钥匙书屋+ 关注
实名认证
内容提供者

热爱教育事业,爱好互联网行业

确认删除?
VIP
微信客服
  • 扫码咨询
会员Q群
  • 会员专属群点击这里加入QQ群
客服邮箱
回到顶部