电脑桌面
添加小米粒文库到电脑桌面
安装后可以在桌面快捷访问

深基坑工程施工安全检查验收表VIP专享VIP免费

深基坑工程施工安全检查验收表_第1页
1/3
深基坑工程施工安全检查验收表_第2页
2/3
深基坑工程施工安全检查验收表_第3页
3/3
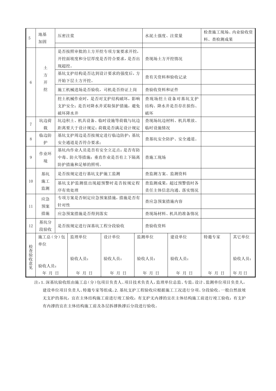
深基坑工程施工安全检查验收表项目名称检查时间年月日建设单位设计单位施工单位监理单位支护结构简介序号检查项目检查内容检查方法检查情况(存在问题)1参建各方行为责任主体建设单位深基坑工程是否委托专项基坑支护设计查是否有设计图纸是否委托具有资质的单位施工查施工单位资质是否委托具有资质的单位监理查监理单位资质是否委托具有资质的第三方单位监测查监测单位资质设计单位基坑支护设计方案是否经过专家评审、是否经过审图机构审查查基坑支护设计专家评审意见、审图机构意见施工单位是否编制专项施工方案查支护及土方开挖专项方案(含编审、签字程序)是否对专项方案组织专家论证查专项方案专家论证意见是否向操作班组和工人进行详细的安全技术交底查看交底记录及询问相关人员是否进行了公司及项目安全检查查检查记录监理单位是否编制含深基坑工程的“危险性较大的分部分项工程”监理细则查监理细则是否对专项方案进行审批查方案审批表是否执行监督、检查、见证取样及隐蔽验收;关键工序是否旁站查监理日记及相关资料是否参与对第三方变形监测成果进行分析查监理日记及相关资料监测单位是否编制有针对性的监测方案(设计及施工安全等级为一级的监测方案宜组织专家论证)查方案内容及审批程序是否按规定布设监测点,是否按频率及项目进行监测查监测点布设及监测成果是否及时对监测数据进行分析并向相关单位通报查监测成果续表序检查检查内容检查方法检查情况(存在问题)号项目2支护结构质量自然放坡坡度、平台宽度、喷射混凝土面层厚度、强度检查施工现场、内业验收资料、查检测成果土钉墙放坡坡度、土钉平面及竖向位置、喷射混凝土面层厚度、强度检查施工现场、内业验收资料、查检测成果重力式水泥土墙直径、搭接长度、位置偏差、水泥掺入比、单轴抗压强度检查施工现场、内业验收资料、查检测成果排桩混凝土强度、桩位偏差、桩身完整性检查施工现场、内业验收资料、查检测成果型钢水泥土墙桩位偏差、桩长、水泥土强度、型钢长度及焊接质量检查施工现场、内业验收资料、查检测成果地下连续墙混凝土强度、接头渗水情况检查施工现场、内业验收资料、查检测成果钢板桩截面尺寸、钢板桩长度、插入垂直度检查施工现场、内业验收资料锚杆(索)锚杆平面及竖向位置、锚杆各节点连接密合程度、锚杆抗拔承载力检查施工现场、内业验收资料、查检测成果钢筋混凝土支撑截面尺寸、平直度、混凝土强度;检查施工现场、内业验收资料、查检测成果钢支撑各节点之间密合程度、预应力施加情况;检查施工现场、内业验收资料竖向立柱平面位置、顶标高、垂直度检查施工现场、内业验收资料、查检测成果支护效果支护结构变形、应力、周边环境影响是否超标检查施工现场、内业验收资料、查检测成果拆撑、换撑拆撑、换撑时间、方法和措施是否符合要求检查施工现场、内业资料3止水措施水泥搅拌桩桩径、水泥掺入比、水泥土强度、搭接尺寸检查施工现场、内业验收资料、查检测成果高压旋喷桩桩径、水泥掺入比、水泥土强度、搭接尺寸检查施工现场、内业验收资料、查检测成果咬合桩桩径、搭接尺寸检查施工现场、内业验收资料、查检测成果止水效果坑壁渗漏、坑外水位变化情况、周边环境影响等检查施工现场、内业验收资料、查检测成果4降水措施降水井降水井直径、间距、深度,水泵是否及时抽水,是否有防止临近建筑物等沉降的措施检查施工现场、内业验收资料排、截水沟坡顶、坡底是否设置排水沟、集水井,坑内是否有明水检查施工现场水泥土桩桩径、水泥掺入比、水泥土强度、搭接尺寸检查施工现场、内业验收资料、查检测成果续表序号检查项目检查内容检查方法检查情况(存在问题)5地基加固压密注浆水泥土强度、注浆量检查施工现场、内业验收资料、查检测成果6土方开挖是否按照审批的土方开挖专项方案要求开挖,开挖面坡度和分层厚度是否符合要求,是否出现超挖。查现场土方开挖情况基坑支护结构是否达到设计要求的强度后,方开始下层土方开挖。查有关资料和验收记录施工机械进场是否验收,司机是否持证上岗查验收资料和证件挖土机械作业时,是否对支护结构破坏,影响支护安全;是否对降水井采取保护措施,避免...

1、当您付费下载文档后,您只拥有了使用权限,并不意味着购买了版权,文档只能用于自身使用,不得用于其他商业用途(如 [转卖]进行直接盈利或[编辑后售卖]进行间接盈利)。
2、本站所有内容均由合作方或网友上传,本站不对文档的完整性、权威性及其观点立场正确性做任何保证或承诺!文档内容仅供研究参考,付费前请自行鉴别。
3、如文档内容存在违规,或者侵犯商业秘密、侵犯著作权等,请点击“违规举报”。

碎片内容

深基坑工程施工安全检查验收表

确认删除?
VIP
微信客服
  • 扫码咨询
会员Q群
  • 会员专属群点击这里加入QQ群
客服邮箱
回到顶部