电脑桌面
添加小米粒文库到电脑桌面
安装后可以在桌面快捷访问

梯形钢屋架课程设计例题VIP免费

梯形钢屋架课程设计例题_第1页
1/22
梯形钢屋架课程设计例题_第2页
2/22
梯形钢屋架课程设计例题_第3页
3/22
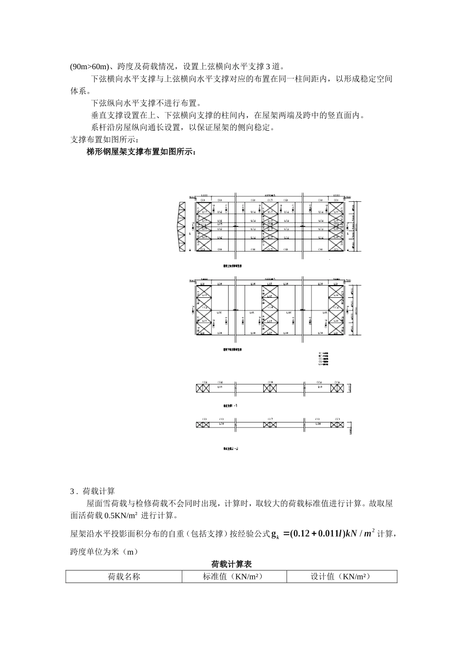
梯形钢屋架课程设计计算书1.设计资料:1、车间柱网布置:长度90m;柱距6m;跨度18m2、屋面坡度:1:103、屋面材料:预应力大型屋面板4、荷载1)静载:屋架及支撑自重0.45KN/m²;屋面防水层0.4KN/m²;找平层0.4KN/m²;大型屋面板自重(包括灌缝)1.4KN/m²。2)活载:屋面雪荷载0.3KN/m²;屋面检修荷载0.5KN/m²5、材质Q235B钢,焊条E43XX系列,手工焊。2.结构形式与选型屋架形式及几何尺寸如图所示上弦横向水平支撑一般设置在房屋两端且间距不宜大于60m,根据厂房长度(90m>60m)、跨度及荷载情况,设置上弦横向水平支撑3道。下弦横向水平支撑与上弦横向水平支撑对应的布置在同一柱间距内,以形成稳定空间体系。下弦纵向水平支撑不进行布置。垂直支撑设置在上、下弦横向支撑的柱间内,在屋架两端及跨中的竖直面内。系杆沿房屋纵向通长设置,以保证屋架的侧向稳定。支撑布置如图所示:梯形钢屋架支撑布置如图所示:3.荷载计算屋面雪荷载与检修荷载不会同时出现,计算时,取较大的荷载标准值进行计算。故取屋面活荷载0.5KN/m²进行计算。屋架沿水平投影面积分布的自重(包括支撑)按经验公式计算,跨度单位为米(m)荷载计算表荷载名称标准值(KN/m²)设计值(KN/m²)预应力混凝土大型屋面板自重1.41.4×1.35=1.89屋架及支撑自重0.450.45×1.35=0.608屋面防水层0.40.4×1.35=0.54找平层0.40.4×1.35=0.54永久荷载总和2.653.578屋面检修荷载0.50.5×1.4=0.7可变荷载总和0.50.7设计屋架时,应考虑以下三种荷载组合:1、全跨永久荷载+全跨可变荷载全跨节点永久荷载及可变荷载:2、全跨永久荷载+半跨可变荷载全跨节点永久荷载:半跨节点可变荷载:3、全跨屋架(包括支撑)自重+半跨屋面板自重+半跨屋面活荷载全跨节点屋架自重:半跨节点屋面板自重及活荷载:1、2为使用节点荷载情况,3为施工阶段荷载情况。4.内力计算屋架在上述三种荷载组合作用下的计算简图如下:由图解法或数解法解得F=1的屋架各杆件的内力系数(F=1作用于全跨、左半跨和右半跨)。然后求出各种荷载情况下的内力进行组合,计算结果如下表:屋架构件内力组合表杆件名称杆件编号单位荷载F=1静载作用(KN/m²)活载(KN/m²)0.7杆件内力计算内力在左在右全跨全部恒载3.578屋架支撑0.608大型屋面板1.89左右全部组合一组合二组合三在左在右全部左右左右上弦杆AB0.000.000.000.000.000.000.000.000.000.000.000.000.000.000.000.000.00BC-4.37-1.86-6.23-22.29-3.79-8.26-3.52-11.77-3.06-1.30-4.36-239.87-228.15-212.34-135.96-77.45-239.87CD-4.37-1.86-6.23-22.29-3.79-8.26-3.52-11.77-3.06-1.30-4.36-239.87-228.15-212.34-135.96-77.45-239.87DE-5.63-3.36-8.99-32.17-5.47-10.64-6.35-16.99-3.94-2.35-6.29-346.13-324.96-310.66-180.43-127.51-346.13EF-5.63-3.36-8.99-32.17-5.47-10.64-6.35-16.99-3.94-2.35-6.29-346.13-324.96-310.66-180.43-127.51-346.13FG-4.55-4.56-9.1-32.56-5.53-8.60-8.62-17.20-3.19-3.19-6.37-350.37-321.70-321.77-155.86-156.09-350.37下弦杆ab2.541.043.5812.812.184.801.976.771.780.732.51137.84131.29121.8478.8043.83137.84bc5.322.647.9628.484.8410.054.9915.043.721.855.57306.48289.84272.96167.57105.10306.48cd5.313.979.2833.205.6410.047.5017.543.722.786.50357.30332.29323.85174.56143.32357.30斜腹杆aB-4.75-1.81-6.56-23.47-3.99-8.98-3.42-12.40-3.33-1.27-4.59-252.57-241.17-222.65-146.62-78.09-252.57Bb3.171.354.5216.172.755.992.558.542.220.953.16174.03165.52154.0698.6356.20174.03bD-1.83-1.58-3.41-12.20-2.07-3.46-2.99-6.44-1.28-1.11-2.39-131.29-121.34-119.76-61.32-55.49-131.29Dc0.571.271.846.581.121.082.403.480.400.891.2970.8462.8467.2523.3639.6770.84Cf0.64-1.38-0.74-2.65-0.451.21-2.61-1.400.45-0.97-0.52-28.49-19.80-32.5210.87-36.22-36.2210.87Fd-1.61.11-0.49-1.75-0.30-3.022.10-0.93-1.120.78-0.34-18.87-25.86-8.79-39.9823.19-39.9823.19竖杆Aa-0.50-0.5-1.79-0.30-0.950.00-0.95-0.350.00-0.35-19.25-19.2...

1、当您付费下载文档后,您只拥有了使用权限,并不意味着购买了版权,文档只能用于自身使用,不得用于其他商业用途(如 [转卖]进行直接盈利或[编辑后售卖]进行间接盈利)。
2、本站所有内容均由合作方或网友上传,本站不对文档的完整性、权威性及其观点立场正确性做任何保证或承诺!文档内容仅供研究参考,付费前请自行鉴别。
3、如文档内容存在违规,或者侵犯商业秘密、侵犯著作权等,请点击“违规举报”。

碎片内容

梯形钢屋架课程设计例题

确认删除?
VIP
微信客服
  • 扫码咨询
会员Q群
  • 会员专属群点击这里加入QQ群
客服邮箱
回到顶部