电脑桌面
添加小米粒文库到电脑桌面
安装后可以在桌面快捷访问

水泥混凝土面层检验批质量验收记录表VIP免费

水泥混凝土面层检验批质量验收记录表_第1页
1/22
水泥混凝土面层检验批质量验收记录表_第2页
2/22
水泥混凝土面层检验批质量验收记录表_第3页
3/22
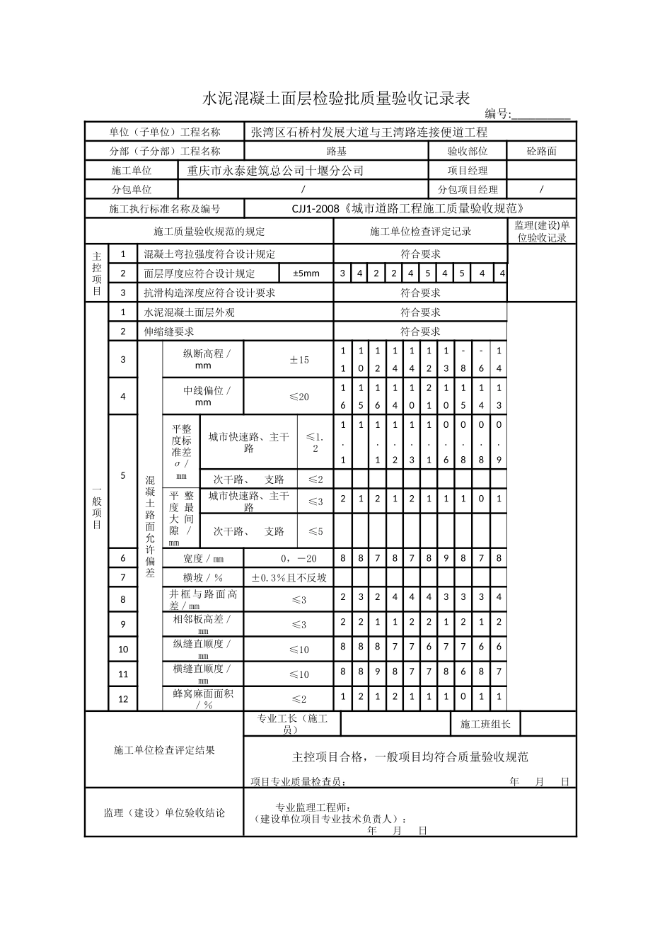
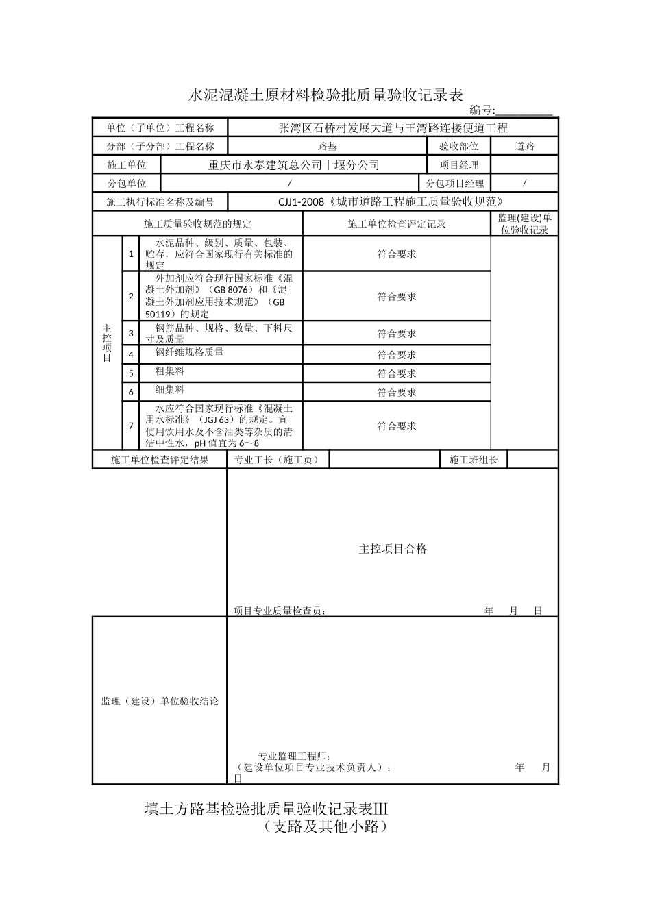
水泥混凝土面层检验批质量验收记录表编号:__________单位(子单位)工程名称张湾区石桥村发展大道与王湾路连接便道工程分部(子分部)工程名称路基验收部位砼路面施工单位重庆市永泰建筑总公司十堰分公司项目经理分包单位/分包项目经理/施工执行标准名称及编号CJJ1-2008《城市道路工程施工质量验收规范》施工质量验收规范的规定施工单位检查评定记录监理(建设)单位验收记录主控项目1混凝土弯拉强度符合设计规定符合要求2面层厚度应符合设计规定±5mm34224545443抗滑构造深度应符合设计要求符合要求一般项目1水泥混凝土面层外观符合要求2伸缩缝要求符合要求3混凝土路面允许偏差纵断高程/mm±1511101214141213-8-6144中线偏位/mm≤20161516141021101514135平整度标准差σ/mm城市快速路、主干路≤1.21.111.11.21.31.10.60.80.80.9次干路、支路≤2平整度最大间隙/mm城市快速路、主干路≤32121211101次干路、支路≤56宽度/mm0,-2088787898787横坡/%±0.3%且不反坡8井框与路面高差/mm≤323244433349相邻板高差/mm≤3221122121210纵缝直顺度/mm≤10888776776611横缝直顺度/mm≤10889877868712蜂窝麻面面积/%≤21212111011施工单位检查评定结果专业工长(施工员)施工班组长主控项目合格,一般项目均符合质量验收规范项目专业质量检查员:年月日监理(建设)单位验收结论专业监理工程师:(建设单位项目专业技术负责人):年月日水泥混凝土原材料检验批质量验收记录表编号:__________单位(子单位)工程名称张湾区石桥村发展大道与王湾路连接便道工程分部(子分部)工程名称路基验收部位道路施工单位重庆市永泰建筑总公司十堰分公司项目经理分包单位/分包项目经理/施工执行标准名称及编号CJJ1-2008《城市道路工程施工质量验收规范》施工质量验收规范的规定施工单位检查评定记录监理(建设)单位验收记录主控项目1水泥品种、级别、质量、包装、贮存,应符合国家现行有关标准的规定符合要求2外加剂应符合现行国家标准《混凝土外加剂》(GB8076)和《混凝土外加剂应用技术规范》(GB50119)的规定符合要求3钢筋品种、规格、数量、下料尺寸及质量符合要求4钢纤维规格质量符合要求5粗集料符合要求6细集料符合要求7水应符合国家现行标准《混凝土用水标准》(JGJ63)的规定。宜使用饮用水及不含油类等杂质的清洁中性水,pH值宜为6~8符合要求施工单位检查评定结果专业工长(施工员)施工班组长主控项目合格项目专业质量检查员:年月日监理(建设)单位验收结论专业监理工程师:(建设单位项目专业技术负责人):年月日填土方路基检验批质量验收记录表Ⅲ(支路及其他小路)编号:__________单位(子单位)工程名称张湾区石桥村发展大道与王湾路连接便道工程分部(子分部)工程名称验收部位施工单位项目经理分包单位分包项目经理施工执行标准名称及编号施工质量验收规范的规定施工单位检查评定记录监理(建设)单位验收记录主控项目1弯沉值不大于设计规定2填方压实度(重型压实,路床顶面以下深度)0~80cm≥90%3>80~50cm≥90%4>150cm≥87%一般项目1路床应平整、坚实,无显著轮迹、翻浆、波浪、起皮等现象2路堤边坡应密实、稳定、平顺等3土路基允许偏差路床纵断高程/mm-20,+104路床中线偏位/mm≤305路床平整度/mm≤156路床宽度/mm不小于设计值+B7路床横坡±0.3%且不反坡8边坡不陡于设计值施工单位检查评定结果专业工长(施工员)施工班组长项目专业质量检查员:年月日监理(建设)单位验收结论专业监理工程师:(建设单位项目专业技术负责人):年月日填土方路基检验批质量验收记录表编号:__________单位(子单位)工程名称张湾区石桥村发展大道与王湾路连接便道工程分部(子分部)工程名称路基验收部位填土方施工单位重庆市永泰建筑总公司十堰分公司项目经理分包单位/分包项目经理/施工执行标准名称及编号CJJ1-2008《城市道路工程施工质量验收规范》施工质量验收规范的规定施工单位检查评定记录监理(建设)单位验收记录主控项目1弯沉值不大于设计规定符合要求2填方压实度(重型压实,路床顶面以下深度)0~80cm≥95%939290878680828079833>80~150cm≥93%8580838482818281808...

1、当您付费下载文档后,您只拥有了使用权限,并不意味着购买了版权,文档只能用于自身使用,不得用于其他商业用途(如 [转卖]进行直接盈利或[编辑后售卖]进行间接盈利)。
2、本站所有内容均由合作方或网友上传,本站不对文档的完整性、权威性及其观点立场正确性做任何保证或承诺!文档内容仅供研究参考,付费前请自行鉴别。
3、如文档内容存在违规,或者侵犯商业秘密、侵犯著作权等,请点击“违规举报”。

碎片内容

水泥混凝土面层检验批质量验收记录表

确认删除?
VIP
微信客服
  • 扫码咨询
会员Q群
  • 会员专属群点击这里加入QQ群
客服邮箱
回到顶部