电脑桌面
添加小米粒文库到电脑桌面
安装后可以在桌面快捷访问

市政道路工程检验批质量检验记录表格全套VIP免费

市政道路工程检验批质量检验记录表格全套_第1页
1/6
市政道路工程检验批质量检验记录表格全套_第2页
2/6
市政道路工程检验批质量检验记录表格全套_第3页
3/6
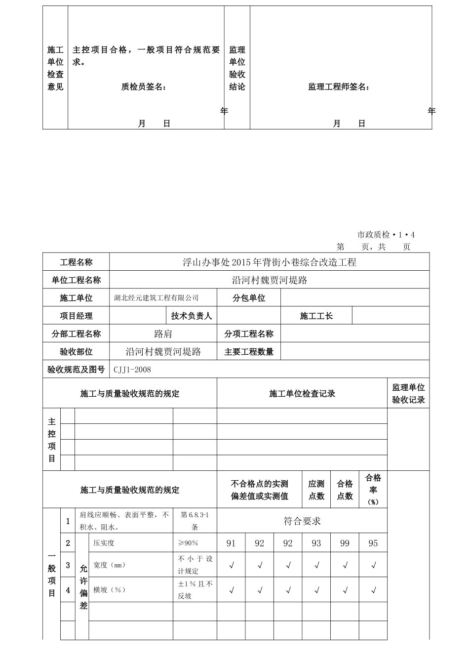
土方路基检验批质量检验记录市政质检第页,共页工程名称浮山办事处2015年背街小巷综合改造工程单位工程名称沿河村魏贾河堤路施工单位湖北经元建筑工程有限公司分包单位项目经理技术负责人施工工长分部工程名称土方路基分项工程名称验收部位沿河村魏贾河堤路主要工程数量验收规范及图号CJJ1-2008施工与质量验收规范的规定施工单位检查记录监理单位验收记录主控项目1压实度应符合规范表6.3.12-2规定第6.8.1-1条符合设计要求2弯沉值不应大于设计规定第6.8.1-2条符合设计要求施工与质量验收规范的规定不合格点的实测偏差值或实测值应测点数合格点数合格率(%)一般项目1路床应平整、坚实,无显著轮迹、翻浆、波浪、起皮等现象,路堤边坡应密实、稳定、平顺。第6.8.1-4条符合设计要求2允许偏差路床纵断高程(mm)-20,+10-1311-12523路床中线偏位(mm)≤302516181219264路床平整度(mm)≤1512111216865路床宽度(mm)不小于设计值+B(4M)1001502001501801606路床横坡(%)±0.3%且不反坡0.20.30.10.20.1-0.17边坡0.070.060.080.080.090.06平均合格率(%)94.4%施工单位检查意见主控项目合格,一般项目符合规范要求。质检员签名:年月日监理单位验收结论监理工程师签名:年月日市政质检·1·4第页,共页工程名称浮山办事处2015年背街小巷综合改造工程单位工程名称沿河村魏贾河堤路施工单位湖北经元建筑工程有限公司分包单位项目经理技术负责人施工工长分部工程名称路肩分项工程名称验收部位沿河村魏贾河堤路主要工程数量验收规范及图号CJJ1-2008施工与质量验收规范的规定施工单位检查记录监理单位验收记录主控项目施工与质量验收规范的规定不合格点的实测偏差值或实测值应测点数合格点数合格率(%)一般项目1肩线应顺畅、表面平整,不积水、阻水。第6.8.3-1条符合要求2允许偏差压实度≥90%9192929399953宽度(mm)不小于设计规定√√√√√√4横坡(%)±1%且不反坡√√√√√√平均合格率(%)100%施工单位检查意见主控项目合格,一般项目符合规范要求。质检员签名:年月日监理单位验收结论监理工程师签名:年月日混凝土面层检验批质量检验记录市政质检·1·29第页,共页工程名称浮山办事处2015年背街小巷综合改造工程单位工程名称沿河村魏贾河堤路施工单位湖北经元建筑工程有限公司分包单位项目经理技术负责人施工工长分部工程名称沿河村魏贾河堤路分项工程名称验收部位混凝土面层主要工程数量验收规范及图号CJJ1-2008施工与质量验收规范的规定施工单位检查记录监理单位验收记录主控项目1混凝土弯拉强度应符合设计要求。第10.8.2-1条符合要求2混凝土面层厚度应符合设计规定,允许偏差为±5mm第10.8.2-2条符合要求3抗滑构造深度应符合设计要求。第10.8.2-3条符合要求施工与质量验收规范的规定不合格点的实测偏差值或实测值应测点数合格点数合格率(%)一般项目1水泥混凝土面层应板面平整、密实,边角应整齐、无裂缝、并不应有石子外露和浮浆、脱皮、踏痕、积水等现象,蜂窝麻面面积不得大于总面积的0.5%。第10.8.2-4条符合要求2伸缩缝应垂直、直顺,缝内不应有杂物。伸缩缝在规定的深度和宽度范围内应全部贯通,传力杆应与缝面垂直。第10.8.2-5条符合要求3允许偏差纵断高程(㎜)±15151213-10134中线偏位(㎜)≤202021121516175平整度(㎜)标准差σ值快速路、主干路≤1.2次干路、支路≤21.11.21.31.521.8最大间隙快速路、主干路≤3次干路、支路≤54323216宽度(㎜)0,-20-1-15-18-19-21-107横坡±0.3%且不反坡0.20.10.30.20.10.18井框与路面高差(㎜)≤39相邻板高差(㎜)≤332122310纵缝直顺度(㎜)≤101011899511横缝直顺度(㎜)≤1089878612蜂窝麻面面积(%)≤2平均合格率(%)96.3%施工单位检查意见主控项目合格,一般项目符合规范要求。质检员签名:年月日监理单位验收结论监理工程师签名:年月日市政质检·1·16第页,共页工程名称浮山办事处2015年背街小巷综合改造工程单位工程名称沿河村魏贾河堤路施工单位湖北经元建筑工程有限公司分包单位项目经理技术负责人施工工长分部工程名称沿河村魏贾河堤路分项工程名称验收部位路基垫层主要工程数量验收规范...

1、当您付费下载文档后,您只拥有了使用权限,并不意味着购买了版权,文档只能用于自身使用,不得用于其他商业用途(如 [转卖]进行直接盈利或[编辑后售卖]进行间接盈利)。
2、本站所有内容均由合作方或网友上传,本站不对文档的完整性、权威性及其观点立场正确性做任何保证或承诺!文档内容仅供研究参考,付费前请自行鉴别。
3、如文档内容存在违规,或者侵犯商业秘密、侵犯著作权等,请点击“违规举报”。

碎片内容

市政道路工程检验批质量检验记录表格全套

您可能关注的文档

慧源书苑+ 关注
实名认证
内容提供者

热爱教育事业,爱好互联网行业

确认删除?
VIP
微信客服
  • 扫码咨询
会员Q群
  • 会员专属群点击这里加入QQ群
客服邮箱
回到顶部