电脑桌面
添加小米粒文库到电脑桌面
安装后可以在桌面快捷访问

食品生产许可品种明细表VIP免费

食品生产许可品种明细表_第1页
1/24
食品生产许可品种明细表_第2页
2/24
食品生产许可品种明细表_第3页
3/24
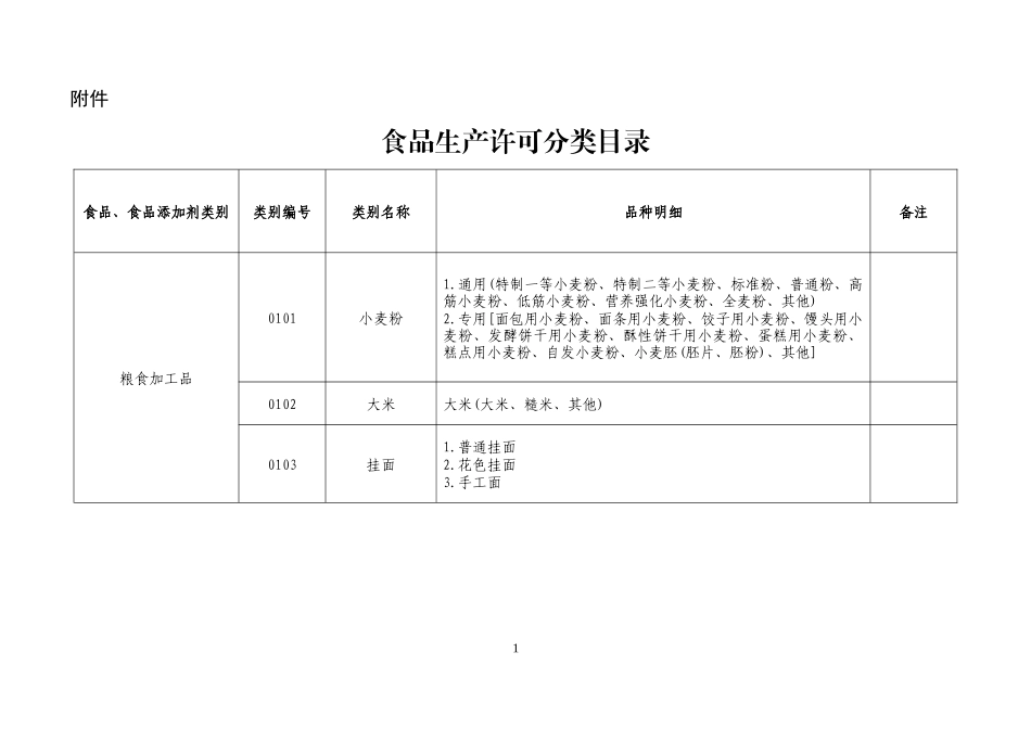
附件食品生产许可分类目录食品、食品添加剂类别类别编号类别名称品种明细备注粮食加工品0101小麦粉1.通用(特制一等小麦粉、特制二等小麦粉、标准粉、普通粉、高筋小麦粉、低筋小麦粉、营养强化小麦粉、全麦粉、其他)2.专用[面包用小麦粉、面条用小麦粉、饺子用小麦粉、馒头用小麦粉、发酵饼干用小麦粉、酥性饼干用小麦粉、蛋糕用小麦粉、糕点用小麦粉、自发小麦粉、小麦胚(胚片、胚粉)、其他]0102大米大米(大米、糙米、其他)0103挂面1.普通挂面2.花色挂面3.手工面1食品、食品添加剂类别类别编号类别名称品种明细备注0104其他粮食加工品1.谷物加工品[高粱米、黍米、稷米、小米、黑米、紫米、红线米、小麦米、大麦米、裸大麦米、莜麦米(燕麦米)、荞麦米、薏仁米、蒸谷米、八宝米类、混合杂粮类、其他]2.谷物碾磨加工品[玉米碜、玉米粉、燕麦片、汤圆粉(糯米粉)、莜麦粉、玉米自发粉、小米粉、高粱粉、荞麦粉、大麦粉、青稞粉、杂面粉、大米粉、绿豆粉、黄豆粉、红豆粉、黑豆粉、豌豆粉、芸豆粉、蚕豆粉、黍米粉(大黄米粉)、稷米粉(糜子面)、混合杂粮粉、其他]3.谷物粉类制成品(生湿面制品、生干面制品、米粉制品、其他)食用油、油脂及其制品0201食用植物油食用植物油(菜籽油、大豆油、花生油、葵花籽油、棉籽油、亚麻籽油、油茶籽油、玉米油、米糠油、芝麻油、棕榈油、橄榄油、食用调和油、其他)0202食用油脂制品食用油脂制品[食用氢化油、人造奶油(人造黄油)、起酥油、代可可脂、植脂奶油、粉末油脂、植脂末]0203食用动物油脂食用动物油脂(猪油、牛油、羊油、鸡油、鸭油、鹅油、骨髓油、鱼油、其他)调味品0301酱油1.酿造酱油2.配制酱油2食品、食品添加剂类别类别编号类别名称品种明细备注0302食醋1.酿造食醋2.配制食醋0303味精1.谷氨酸钠(99%味精)2.加盐味精3.增鲜味精0304酱类酿造酱[稀甜面酱、甜面酱、大豆酱(黄酱)、蚕豆酱、豆瓣酱、大酱、其他]0305调味料1.液体调味料(鸡汁调味料、牛肉汁调味料、烧烤汁、鲍鱼汁、香辛料调味汁、糟卤、调味料酒、液态复合调味料、其他)2.半固态(酱)调味料[花生酱、芝麻酱、辣椒酱、番茄酱、风味酱、芥末酱、咖喱卤、油辣椒、火锅蘸料、火锅底料、排骨酱、叉烧酱、香辛料酱(泥)、复合调味酱、其他]3.固态调味料[鸡精调味料、鸡粉调味料、畜(禽)粉调味料、风味汤料、酱油粉、食醋粉、酱粉、咖喱粉、香辛料粉、复合调味粉、其他]4.食用调味油(香辛料调味油、复合调味油、其他)5.水产调味料(蚝油、鱼露、虾酱、鱼子酱、虾油、其他)3食品、食品添加剂类别类别编号类别名称品种明细备注肉制品0401热加工熟肉制品1.酱卤肉制品(酱卤肉类、糟肉类、白煮类、其他)2.熏烧烤肉制品(熏肉、烤肉、烤鸡腿、烤鸭、叉烧肉、其他)3.肉灌制品(灌肠类、西式火腿、其他)4.油炸肉制品(炸鸡翅、炸肉丸、其他)5.熟肉干制品(肉松类、肉干类、肉铺、其他)6.其他熟肉制品(肉冻类、血豆腐、其他)0402发酵肉制品1.发酵灌制品2.发酵火腿制品0403预制调理肉制品1.冷藏预制调理肉类2.冷冻预制调理肉类0404腌腊肉制品1.肉灌制品2.腊肉制品3.火腿制品4.其他肉制品4食品、食品添加剂类别类别编号类别名称品种明细备注乳制品0501液体乳1.巴氏杀菌乳2.调制乳3.灭菌乳4.发酵乳0502乳粉1.全脂乳粉2.脱脂乳粉3.部分脱脂乳粉4.调制乳粉5.牛初乳粉6.乳清粉0503其他乳制品1.炼乳2.奶油3.稀奶油4.无水奶油5.干酪6.再制干酪7.特色乳制品5食品、食品添加剂类别类别编号类别名称品种明细备注饮料0601瓶(桶)装饮用水1.饮用天然矿泉水2.包装饮用水(饮用纯净水、饮用天然泉水、饮用天然水、其他饮用水)0602碳酸饮料(汽水)碳酸饮料(汽水)(果汁型碳酸饮料、果味型碳酸饮料、可乐型碳酸饮料、其他型碳酸饮料)0603茶(类)饮料1.原茶汁(茶汤)2.茶浓缩液3.茶饮料4.果汁茶饮料5.奶茶饮料6.复合茶饮料7.混合茶饮料8.其他茶(类)饮料0604果蔬汁类及其饮料1.果蔬汁(浆)[原榨果汁(非复原果汁)、果汁(复原果汁)、蔬菜汁、果浆、蔬菜浆、复合果蔬汁、复合果蔬浆、其他]2.浓缩果蔬汁(浆)3.果蔬汁(浆)类饮料(果蔬汁饮料、果肉饮料、果浆饮料、复合果蔬汁饮料、果蔬汁饮料浓浆、发酵果蔬汁饮料、水果饮料...

1、当您付费下载文档后,您只拥有了使用权限,并不意味着购买了版权,文档只能用于自身使用,不得用于其他商业用途(如 [转卖]进行直接盈利或[编辑后售卖]进行间接盈利)。
2、本站所有内容均由合作方或网友上传,本站不对文档的完整性、权威性及其观点立场正确性做任何保证或承诺!文档内容仅供研究参考,付费前请自行鉴别。
3、如文档内容存在违规,或者侵犯商业秘密、侵犯著作权等,请点击“违规举报”。

碎片内容

食品生产许可品种明细表

确认删除?
VIP
微信客服
  • 扫码咨询
会员Q群
  • 会员专属群点击这里加入QQ群
客服邮箱
回到顶部