电脑桌面
添加小米粒文库到电脑桌面
安装后可以在桌面快捷访问

水泥企业职业病危害风险点及管控措施VIP免费

水泥企业职业病危害风险点及管控措施_第1页
1/15
水泥企业职业病危害风险点及管控措施_第2页
2/15
水泥企业职业病危害风险点及管控措施_第3页
3/15
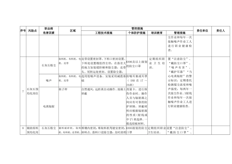
水泥企业职业病危害风险点及管控措施序号风险点职业病危害因素区域管控措施责任单位责任人工程技术措施个体防护措施培训教育管理措施1矿山打眼岗位石灰石粉尘钻孔机采用自动钻孔机,钻头处设置收尘装置;KN90及以上级别的防尘口罩定期组织职业卫生培训。设置“注意防尘”、“戴防尘口罩”、“噪声有害”、“戴护耳器”的警示标识;定期委托检测粉尘浓度一氧化碳、二氧化硫、一氧化氮、二氧化氮浓度和噪声强度;每两年一次接尘作业和每年一次接触噪声作业工人进行职业健康检查。噪声钻孔机选用低噪声设备;防噪耳塞或耳罩(SNR在17~34dB)2矿山爆破岗位石灰石粉尘爆破孔及周边露天作业,远距离自动爆破;KN90及以上级别的防尘口罩定期组织职业卫生培训。噪声爆破孔及周边选用低噪声设备;防噪耳塞或耳罩(SNR在17~34dB)CO、NOX、SO2爆破孔及周边露天作业,远距离自动爆破;自吸过滤式防毒口罩(多用气体滤毒盒)3矿山铲装岗位石灰石粉尘铲车驾驶室露天作业,驾驶室密闭设置;KN90及以上级别的防尘口罩)定期组织职业卫生培训。噪声铲车驾驶室露天作业,驾驶室密闭设置;防噪耳塞或耳罩(SNR在17~34dB4矿山运输石灰石粉尘运输车驾驶室露天作业,驾驶室密闭设置;KN90及以上级别定期组织职业序号风险点职业病危害因素区域管控措施责任单位责任人工程技术措施个体防护措施培训教育管理措施岗位的防尘口罩卫生培训。噪声露天作业,驾驶室密闭设置;防噪耳塞或耳罩(SNR在17~34dB)5破碎机巡检岗位石灰石粉尘喂料机、破碎机、收尘器、电机、空压机、皮带机机口处设置除尘设置;卸料点、落差转弯处设置除尘设施;KN90及以上级别的防尘口罩定期组织职业卫生培训。设置“注意防尘”、“戴防尘口罩”、“噪声有害”、“戴护耳器”的警示标识;定期委托检测煤尘浓度和噪声强度;每两年一次接尘作业和每年一次接触噪声作业工人进行职业健康检查。噪声喂料机、破碎机、收尘器、电机、空选用低噪声设备、设置独立减振基础;风机设置独立减振基础、消声器防噪耳塞或耳罩(SNR在17~34dB)6皮带巡检岗位石灰石粉尘皮带机、电机输送皮带设置皮带防护罩密封KN90及以上级别的防尘口罩定期组织职业卫生培训。设置“注意防尘”、“戴防尘口罩”、“噪声有害”、“戴护耳器”的警示标识;定期委托检测石灰石尘浓度和噪声强度;每两年一次接噪声皮带机、电机选用低噪声设备、设置独立减振基础;防噪耳塞或耳罩(SNR在17~34dB)序号风险点职业病危害因素区域管控措施责任单位责任人工程技术措施个体防护措施培训教育管理措施尘作业和每年一次接触噪声作业工人进行职业健康检查。7石灰石预均化岗位石灰石粉尘取料机、布料机、电机、皮带皮带设置密封罩、下料口密封设置、下料处设置橡胶挡尘帘;在落差大的地方加装缓阶梯和除尘器;皮带头、尾转运处密封,设置除尘器;KN90及以上级别的防尘口罩定期组织职业卫生培训。置“注意防尘”、“戴防尘口罩”、“噪声有害”、“戴护耳器”“当心电离辐射”的警示标识;定期委托检测煤尘浓度和噪声强度;每两年一次接尘作业、X射线作业和每年一次接触噪声作业工人进行职业健康检查。噪声取料机、布料机、电机、皮带选用低噪声设备、安装采用减震基础防噪耳塞或耳罩(SNR在17~34dB)电离辐射核子秤自然通风,远距离自动操作、混凝土屏蔽剂量卡,进行探伤作业时,操作人员与辐射源之间应有可靠的防护屏障,屏蔽材料应根据辐射源的性质(射线或中子)来选择。一般选铅板材料。8辅助原料预均化岗石灰石粉尘辅料破碎机、取料机、布料机、皮带机、堆堋内密闭;堆取料机驾驶室密闭;卸料点、落料口设除尘器;及时清理KN95级别的防尘口罩定期组织职业卫生培训。设置“注意防尘”、“戴防尘口罩”、序号风险点职业病危害因素区域管控措施责任单位责任人工程技术措施个体防护措施培训教育管理措施位电机地面积尘“噪声有害”、“戴护耳器”的警示标识;定期委托检测石灰石尘浓度和噪声强度;每年一次接触石灰石粉尘尘作业和接触噪声作业工人进行职业健康检查;噪声辅料破碎机、取料机、布料机、皮带机、电机选用低噪声设备、安装采用减震基础防噪耳塞或耳罩(SNR在17~34dB)9...

1、当您付费下载文档后,您只拥有了使用权限,并不意味着购买了版权,文档只能用于自身使用,不得用于其他商业用途(如 [转卖]进行直接盈利或[编辑后售卖]进行间接盈利)。
2、本站所有内容均由合作方或网友上传,本站不对文档的完整性、权威性及其观点立场正确性做任何保证或承诺!文档内容仅供研究参考,付费前请自行鉴别。
3、如文档内容存在违规,或者侵犯商业秘密、侵犯著作权等,请点击“违规举报”。

碎片内容

水泥企业职业病危害风险点及管控措施

慧源书苑+ 关注
实名认证
内容提供者

热爱教育事业,爱好互联网行业

确认删除?
VIP
微信客服
  • 扫码咨询
会员Q群
  • 会员专属群点击这里加入QQ群
客服邮箱
回到顶部