电脑桌面
添加小米粒文库到电脑桌面
安装后可以在桌面快捷访问

通信工程单位分部分项检验批VIP免费

通信工程单位分部分项检验批_第1页
1/50
通信工程单位分部分项检验批_第2页
2/50
通信工程单位分部分项检验批_第3页
3/50
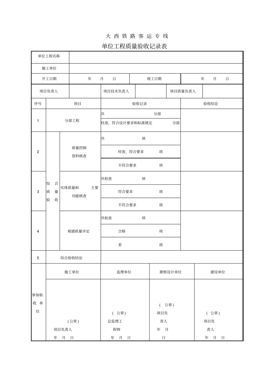
大西铁路客运专线单位工程质量验收记录表单位工程名称施工单位开工日期年月日竣工日期年月日项目负责人项目技术负责人项目质量负责人序号项目验收记录验收结论1分部工程共分部经查,符合设计要求和标准规定分部2综合质量验收质量控制资料核查共项经查,符合要求项不符合要求项3实体质量和主要功能核查共检查项符合要求项不符合要求项4观感质量评定共检查项合格项差项5综合验收结论参加验收单位施工单位监理单位勘察设计单位建设单位(公章)项目负责人年月日(公章)总监理工程师年月日(公章)项目负责人年月日(公章)项目负责人年月日大西铁路客运专线通信单位工程质量控制资料核查表单位工程名称施工单位序号资料名称份数核查意见核查人1图纸会审、设计变更、洽商纪要2工程定测记录、放线记录3设备、材料出厂合格证及进场检(试)验报告4接地电阻检测记录5隐蔽工程验收记录6施工记录7工程质量事故及事故处理资料///8施工现场质量检查记录9分项、分部工程质量验收记录10新材料、新工艺施工记录11结论:施工单位项目负责人总监理工程师年月日年月日大西铁路客运专线分部工程质量验收记录表单位工程名称施工单位项目负责人项目技术负责人项目质量负责人序号分项工程名称检验批数施工单位检查评定结果监理单位验收结论12345678910质量控制资料实体质量和主要功能检验(检测)报告验收单位施工单位项目负责人年月日勘察设计单位(需要时)项目负责人年月日监理单位监理工程师年月日大西铁路客运专线分项工程质量验收记录表单位工程名称分部工程名称分项工程名称检验批数施工单位项目负责人序号检验批部位施工单位检查评定结果监理单位验收结论12345678910说明:施工单位检查评定结果分项工程技术负责人年月日勘察设计单位现场确认情况(需要时)现场负责人年月日监理单位验收结论监理工程师年月日大西铁路客运专线光电缆敷设检验批质量验收记录表编号:单位工程名称通信线路分部工程名称建筑安装分项工程名称光电缆敷设验收部位施工单位中铁建电气化局集团有限公司京石暨石武(河北段)客专四电集成项目部一分部项目负责人施工质量验收标准名称及编号《高速铁路通信工程施工质量验收标准》TB10755-2010J1151-2011施工质量验收标准的规定施工单位检查评定记录监理单位验收记录主控项目1光电缆及配套器材进场验收应符合要求。第4.2.1条2光电缆单盘检测应符合要求。第4.2.2条3光电缆敷设应符合要求。第4.2.3条4光电缆外护层(套)不得有破损,接头处应密封良好。第4.2.4条5光电缆防雷方式及防雷器件的设置地点、数量应符合设计要求和相关技术标准的规定。第4.2.5条一般项目1光电缆弯曲半径应符合要求。第4.2.6条2光电缆线路余留的位置和长度应符合设计要求和相关技术标准的规定。第4.2.7条施工作业人员质量责任登记施工单位检查评定结果专职质量检查员:年月日分项工程技术负责人:年月日分项工程负责人:年月日监理单位验收结论监理工程师:年月日大西铁路客运专线光缆接续及引入检验批质量验收记录表编号:单位工程名称通信线路分部工程名称建筑安装分项工程名称光缆接续及引入验收部位施工单位项目负责人施工质量验收标准名称及编号《高速铁路通信工程施工质量验收标准》TB10755-2010J1151-2011施工质量验收标准的规定施工单位检查评定记录监理单位验收记录主控项目1光缆接续应符合要求。第4.3.1条2光缆引入应符合要求。第4.3.2条一般项目1光缆接头装置应以一个中继段为单位自上行往下行方向顺序编号。第4.3.3条2光缆及其接头在进入人孔时,应放在人孔铁架上予以固定保护。第4.3.4条3光缆终端接续后,进、出尾纤应标识清晰、准确。第4.3.5条4光缆引入时不同型号、规格的光缆上、下行标识应清晰、准确。。第4.3.6条施工作业人员质量责任登记施工单位检查评定结果专职质量检查员:年月日分项工程技术负责人:年月日分项工程负责人:年月日监理单位验收结论监理工程师:年月日大西铁路客运专线光缆线路性能检测检验批质量验收记录表编号:单位工程名称通信线路分部工程名称光电缆线路性能检测分项工程名称光缆线路性能检测验收部位施工单位项目负责人施工质量验收标准名称及编号《高速铁路通信工程...

1、当您付费下载文档后,您只拥有了使用权限,并不意味着购买了版权,文档只能用于自身使用,不得用于其他商业用途(如 [转卖]进行直接盈利或[编辑后售卖]进行间接盈利)。
2、本站所有内容均由合作方或网友上传,本站不对文档的完整性、权威性及其观点立场正确性做任何保证或承诺!文档内容仅供研究参考,付费前请自行鉴别。
3、如文档内容存在违规,或者侵犯商业秘密、侵犯著作权等,请点击“违规举报”。

碎片内容

通信工程单位分部分项检验批

您可能关注的文档

确认删除?
VIP
微信客服
  • 扫码咨询
会员Q群
  • 会员专属群点击这里加入QQ群
客服邮箱
回到顶部