电脑桌面
添加小米粒文库到电脑桌面
安装后可以在桌面快捷访问

公路工程变更申请表VIP免费

公路工程变更申请表_第1页
1/3
公路工程变更申请表_第2页
2/3
公路工程变更申请表_第3页
3/3
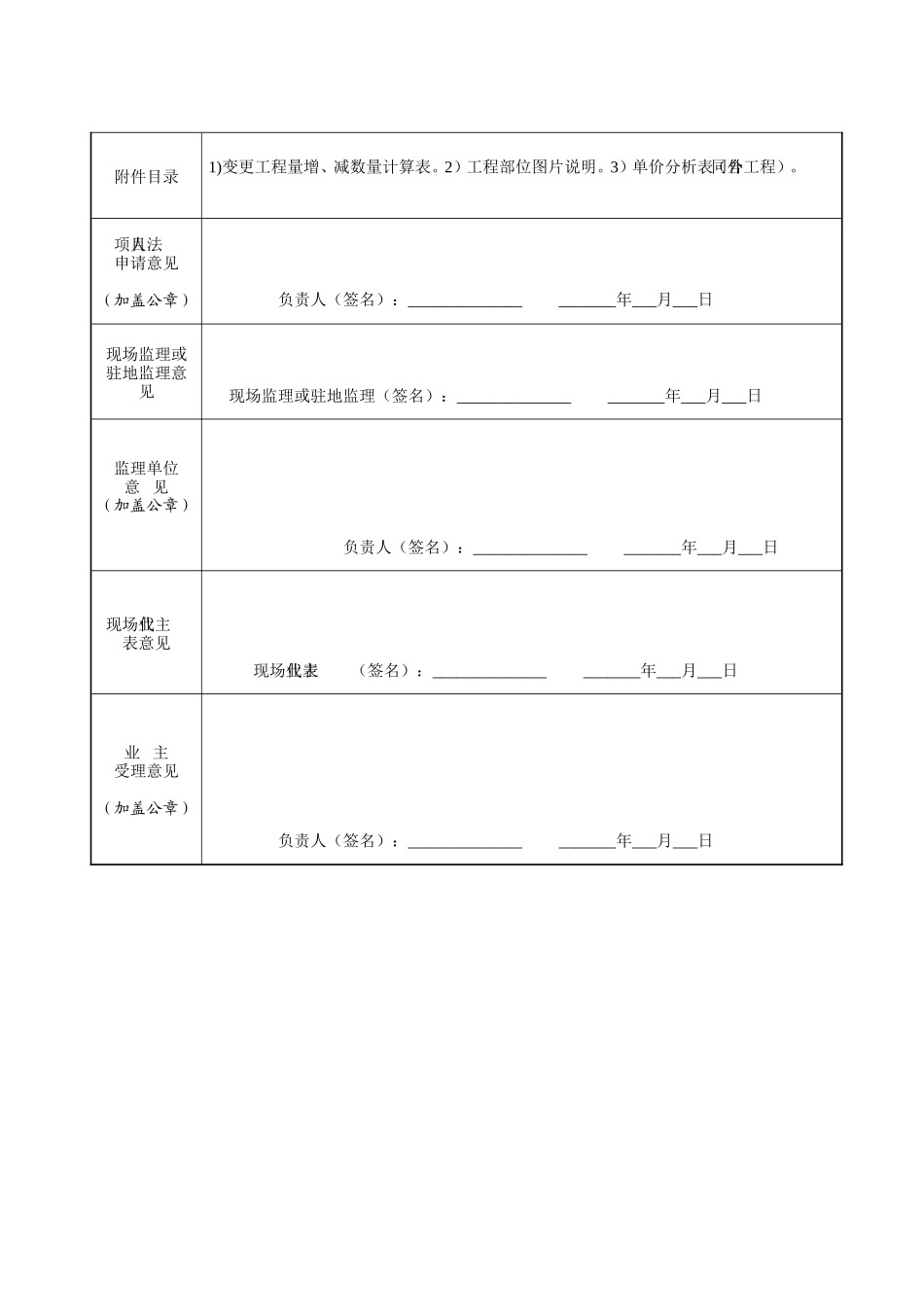
公路工程变更申请表编号:______________申请人:(盖章)建设项目:变更项目:变更性质:□抢险工程□非抢险工程申请日期:公路工程变更申请表编号:____________项目名称变更提出日期工程变更名称变更提出人监理单位原设计单位施工单位质量监督单位变更性质□抢险工程□非抢险工程是否发生报损□是□否________万元变更预估金额□增□减________万元设计变更原因□原设计存在错误□原设计存在缺陷□原设计深度或精度不够□优化原设计□技术标准、规范发生变化□地质、气象等灾害□地方政府或有关部门要求□施工工艺改变□工期调整□其它:___________________________________________________________________原设计概况设计变更主要内容项目法人对变更申请的调查核实及合理性论证情况简述附件目录1)变更工程量增、减数量计算表。2)工程部位图片说明。3)单价分析表(合同外工程)。项目法人申请意见(加盖公章)负责人(签名):_____________________年___月___日现场监理或驻地监理意见现场监理或驻地监理(签名):_____________________年___月___日监理单位意见(加盖公章)负责人(签名):_____________________年___月___日现场业主代表意见现场业主代表(签名):_____________________年___月___日业主受理意见(加盖公章)负责人(签名):_____________________年___月___日

1、当您付费下载文档后,您只拥有了使用权限,并不意味着购买了版权,文档只能用于自身使用,不得用于其他商业用途(如 [转卖]进行直接盈利或[编辑后售卖]进行间接盈利)。
2、本站所有内容均由合作方或网友上传,本站不对文档的完整性、权威性及其观点立场正确性做任何保证或承诺!文档内容仅供研究参考,付费前请自行鉴别。
3、如文档内容存在违规,或者侵犯商业秘密、侵犯著作权等,请点击“违规举报”。

碎片内容

公路工程变更申请表

确认删除?
VIP
微信客服
  • 扫码咨询
会员Q群
  • 会员专属群点击这里加入QQ群
客服邮箱
回到顶部