电脑桌面
添加小米粒文库到电脑桌面
安装后可以在桌面快捷访问

技师、高级技师职业资格考评申请表填写方法VIP专享VIP免费

技师、高级技师职业资格考评申请表填写方法_第1页
1/16
技师、高级技师职业资格考评申请表填写方法_第2页
2/16
技师、高级技师职业资格考评申请表填写方法_第3页
3/16
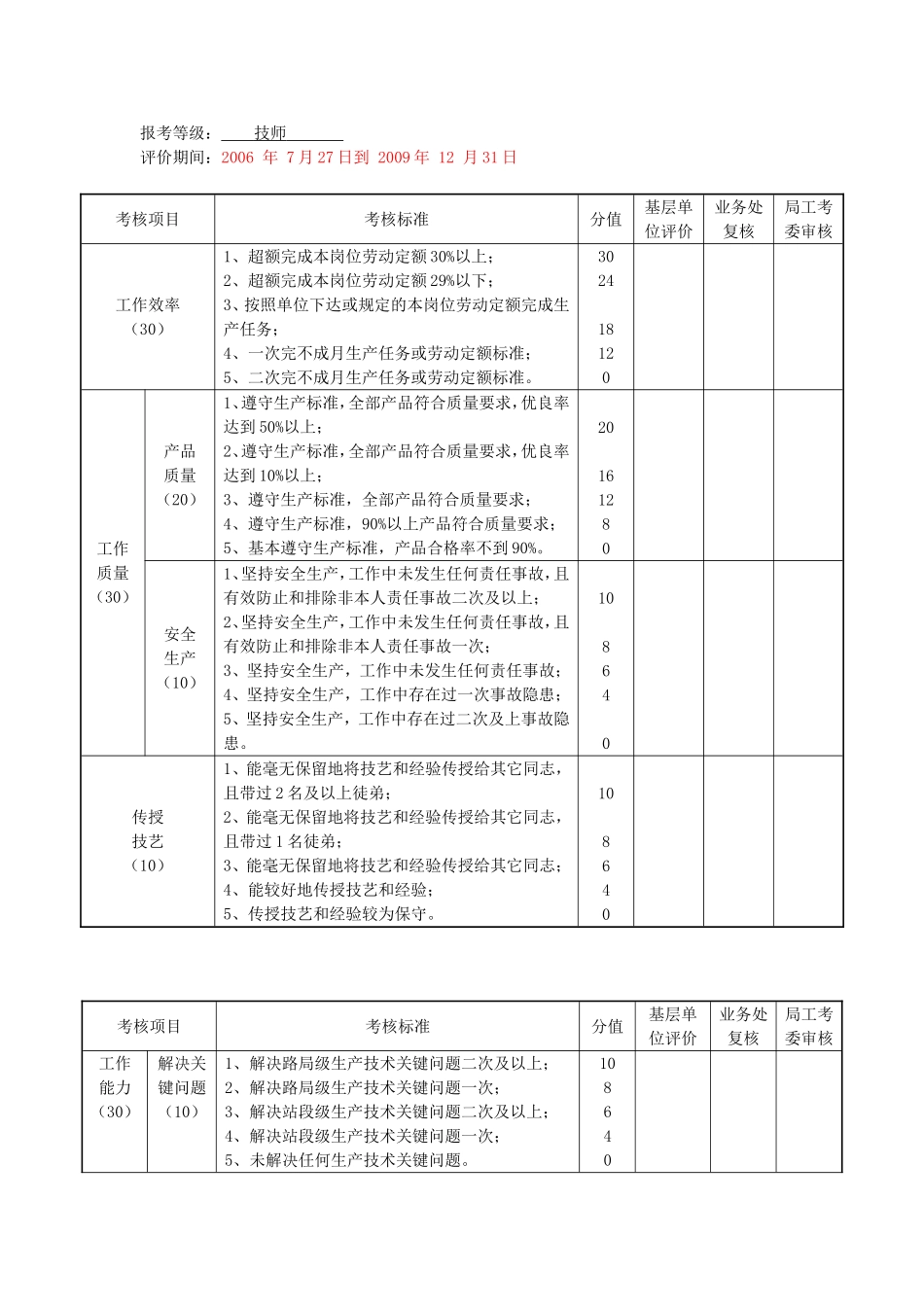
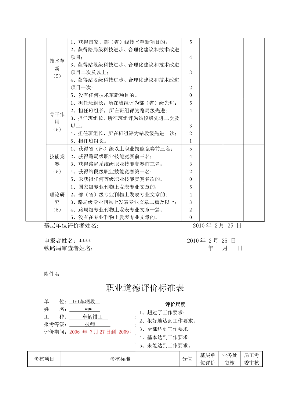
附件6:技师、高级技师职业资格考评申请表姓名身份证号码政治面貌党员文化程度中专本职业工作年限15年职业(工种)车辆钳工技术等级高级取得证书时间2006年7月27日申请职业及等级车辆钳工技师申报类型正常工作简历起止年月工作单位任何职务96.8.1-01.1001.10-至今**************车间****************车间及******车辆段*******车间车辆钳工车辆钳工工长车间意见同意负责人:(车间主任签字_下同)年月日基层单位意见经考核测评,同意该同志申报XXX技师。(章)年月日铁路局意见(章)年月日备注年月日注:1、申报类型栏填正常、破格申报或直接认定;2、符合破格申报、直接认定条件者须在备注栏内注明符合文件的具体条款。工作业绩评价标准表单位:****车辆段姓名:***工种:车辆钳工评价尺度1、超过了工作要求;2、很好地达到工作要求;3、全部达到工作要求;4、基本达到工作要求;5、未能达到工作要求。报考等级:技师评价期间:2006年7月27日到2009年12月31日考核项目考核标准分值基层单位评价业务处复核局工考委审核工作效率(30)1、超额完成本岗位劳动定额30%以上;2、超额完成本岗位劳动定额29%以下;3、按照单位下达或规定的本岗位劳动定额完成生产任务;4、一次完不成月生产任务或劳动定额标准;5、二次完不成月生产任务或劳动定额标准。302418120工作质量(30)产品质量(20)1、遵守生产标准,全部产品符合质量要求,优良率达到50%以上;2、遵守生产标准,全部产品符合质量要求,优良率达到10%以上;3、遵守生产标准,全部产品符合质量要求;4、遵守生产标准,90%以上产品符合质量要求;5、基本遵守生产标准,产品合格率不到90%。20161280安全生产(10)1、坚持安全生产,工作中未发生任何责任事故,且有效防止和排除非本人责任事故二次及以上;2、坚持安全生产,工作中未发生任何责任事故,且有效防止和排除非本人责任事故一次;3、坚持安全生产,工作中未发生任何责任事故;4、坚持安全生产,工作中存在过一次事故隐患;5、坚持安全生产,工作中存在过二次及上事故隐患。108640传授技艺(10)1、能毫无保留地将技艺和经验传授给其它同志,且带过2名及以上徒弟;2、能毫无保留地将技艺和经验传授给其它同志,且带过1名徒弟;3、能毫无保留地将技艺和经验传授给其它同志;4、能较好地传授技艺和经验;5、传授技艺和经验较为保守。108640考核项目考核标准分值基层单位评价业务处复核局工考委审核工作能力(30)解决关键问题(10)1、解决路局级生产技术关键问题二次及以上;2、解决路局级生产技术关键问题一次;3、解决站段级生产技术关键问题二次及以上;4、解决站段级生产技术关键问题一次;5、未解决任何生产技术关键问题。108640技术革新(5)1、获得国家、部(省)级技术革新项目的;2、获得路局级科技进步、合理化建议和技术改进项目;3、获得站段级科技进步、合理化建议和技术改进项目二次及以上;4、获得站段级科技进步、合理化建议和技术改进项目一次;5、没有任何技术革新项目的。54320骨干作用(5)1、担任班组长,所在班组评为部(省)级先进;2、担任班组长,所在班组评为路局级先进;3、担任班组长,所在班组评为站段级先进二次及以上;4、担任班组长,所在班组评为站段级先进一次;5、担任班组长。54321技能竞赛(5)1、获得省(部)级以上职业技能竞赛前三名;2、获得路局级职业技能竞赛前三名;3、获得路局系统级职业技能竞赛前三名;4、获得站段级职业技能竞赛第一名;5、未获得任何等级职业技能竞赛名次的。54320理论研究(5)1、国家级专业刊物上发表专业文章的;2、部(省)级专业刊物上发表专业文章的;3、路局级专业刊物上发表专业文章二篇及以上;4、路局级专业刊物上发表专业文章一篇;5、没有在专业刊物上发表专业文章的。54320基层单位评价者姓名:2010年2月25日申报者姓名:****2010年2月25日铁路局审查者姓名:年月日附件4:职业道德评价标准表单位:***车辆段姓名:***工种:车辆钳工报考等级:技师评价期间:2006年7月27日到2009年12月31日考核项目考核标准分值基层单位评价业务处复核局工考委审核评价尺度1、超过了工作要求;2、很好地...

1、当您付费下载文档后,您只拥有了使用权限,并不意味着购买了版权,文档只能用于自身使用,不得用于其他商业用途(如 [转卖]进行直接盈利或[编辑后售卖]进行间接盈利)。
2、本站所有内容均由合作方或网友上传,本站不对文档的完整性、权威性及其观点立场正确性做任何保证或承诺!文档内容仅供研究参考,付费前请自行鉴别。
3、如文档内容存在违规,或者侵犯商业秘密、侵犯著作权等,请点击“违规举报”。

碎片内容

技师、高级技师职业资格考评申请表填写方法

确认删除?
VIP
微信客服
  • 扫码咨询
会员Q群
  • 会员专属群点击这里加入QQ群
客服邮箱
回到顶部