电脑桌面
添加小米粒文库到电脑桌面
安装后可以在桌面快捷访问

屋面细部构造各检验批VIP免费

屋面细部构造各检验批_第1页
1/11
屋面细部构造各检验批_第2页
2/11
屋面细部构造各检验批_第3页
3/11
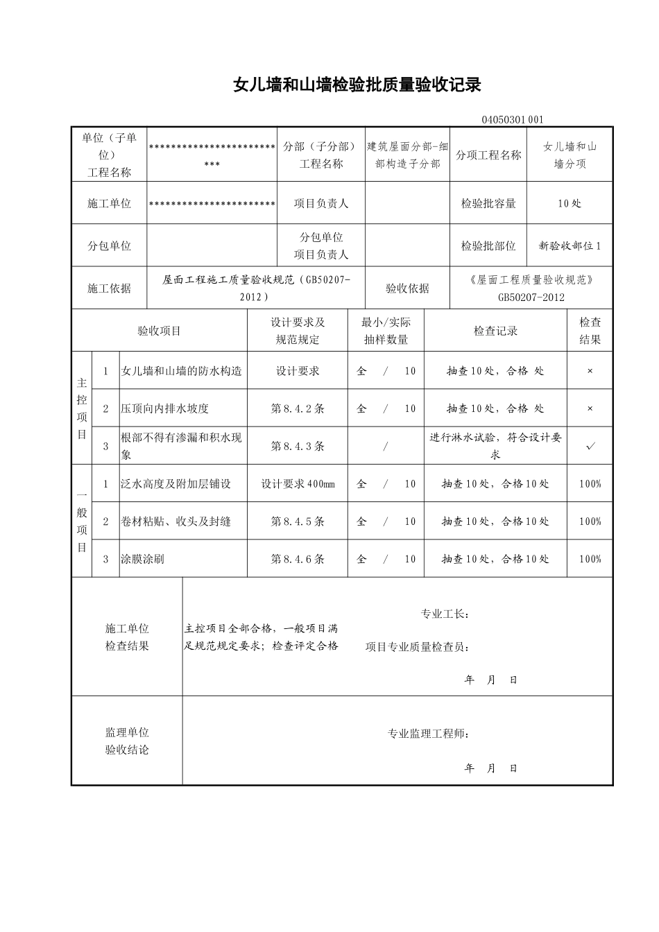
变形缝检验批04050501001单位(子单位)工程名称**************************分部(子分部)工程名称建筑屋面分部-细部构造子分部分项工程名称变形缝分项施工单位***********************项目负责人检验批容量10处分包单位/分包单位项目负责人/检验批部位新验收部位1施工依据屋面工程施工质量验收规范(GB50207-2012)验收依据《屋面工程质量验收规范》GB50207-2012验收项目设计要求及规范规定最小/实际抽样数量检查记录检查结果主控项目1变形缝的防水构造设计要求全/10抽查10处,合格10处√2不得有渗漏和积水现象第8.6.2条全/10抽查10处,合格10处√一般项目1泛水高度及附加层铺设设计要求全/10抽查10处,合格10处100%2防水层应铺贴或涂刷至泛水墙的顶部第8.6.4条全/10抽查10处,合格10处100%3变形缝顶部应加扣混凝土或金属盖板第8.6.5条全/10抽查10处,合格10处100%4金属压条钉压固定,并用密封材料封严第8.6.6条全/10抽查10处,合格10处100%施工单位检查结果主控项目全部合格,一般项目满足规范规定要求;检查评定合格专业工长:项目专业质量检查员:年月日监理单位验收结论专业监理工程师:年月日反梁过水孔检验批质量验收记录04050801001单位(子单位)工程名称**************************分部(子分部)工程名称建筑屋面分部-细部构造子分部分项工程名称反梁过水孔分项施工单位***********************项目负责人检验批容量5个分包单位/分包单位项目负责人/检验批部位新验收部位1施工依据屋面工程施工质量验收规范(GB50207-2012)验收依据《屋面工程质量验收规范》GB50207-2012验收项目设计要求及规范规定最小/实际抽样数量检查记录检查结果主控项目1反梁过水孔的防水构造设计要求全/5抽查5处,合格5处√2不得有渗漏和积水现象第8.9.2条全/5抽查5处,合格5处√一般项目1孔底标高、孔洞尺寸或预埋管管径,均符合要求设计要求全/5抽查5处,合格5处100%2孔洞四周应涂刷防水涂料,与混凝土接触处应留凹槽,并密封第8.9.4条全/5抽查5处,合格5处100%施工单位检查结果主控项目全部合格,一般项目满足规范规定要求;检查评定合格专业工长:项目专业质量检查员:年月日监理单位验收结论专业监理工程师:年月日女儿墙和山墙检验批质量验收记录04050301001单位(子单位)工程名称**************************分部(子分部)工程名称建筑屋面分部-细部构造子分部分项工程名称女儿墙和山墙分项施工单位***********************项目负责人检验批容量10处分包单位分包单位项目负责人检验批部位新验收部位1施工依据屋面工程施工质量验收规范(GB50207-2012)验收依据《屋面工程质量验收规范》GB50207-2012验收项目设计要求及规范规定最小/实际抽样数量检查记录检查结果主控项目1女儿墙和山墙的防水构造设计要求全/10抽查10处,合格处×2压顶向内排水坡度第8.4.2条全/10抽查10处,合格处×3根部不得有渗漏和积水现象第8.4.3条/进行淋水试验,符合设计要求√一般项目1泛水高度及附加层铺设设计要求400mm全/10抽查10处,合格10处100%2卷材粘贴、收头及封缝第8.4.5条全/10抽查10处,合格10处100%3涂膜涂刷第8.4.6条全/10抽查10处,合格10处100%施工单位检查结果主控项目全部合格,一般项目满足规范规定要求;检查评定合格专业工长:项目专业质量检查员:年月日监理单位验收结论专业监理工程师:年月日设施基座检验批质量验收记录04050901001单位(子单位)工程名称**************************分部(子分部)工程名称建筑屋面分部-细部构造子分部分项工程名称设施基座分项施工单位***********************项目负责人检验批容量5个分包单位/分包单位项目负责人/检验批部位新验收部位1施工依据屋面工程施工质量验收规范(GB50207-2012)验收依据《屋面工程质量验收规范》GB50207-2012验收项目设计要求及规范规定最小/实际抽样数量检查记录检查结果主控项目1设施基座的防水处理设计要求全/5抽查5处,合格5处√2设施基座处不得有渗漏和积水现象全/5抽查5处,合格5处√一般项目1设施基座与结构层相连时,防水层设置第8.10.3条全/5抽查5处,合格5处100%2设施基座直接放置在防水层上时,增设附加层第8.10....

1、当您付费下载文档后,您只拥有了使用权限,并不意味着购买了版权,文档只能用于自身使用,不得用于其他商业用途(如 [转卖]进行直接盈利或[编辑后售卖]进行间接盈利)。
2、本站所有内容均由合作方或网友上传,本站不对文档的完整性、权威性及其观点立场正确性做任何保证或承诺!文档内容仅供研究参考,付费前请自行鉴别。
3、如文档内容存在违规,或者侵犯商业秘密、侵犯著作权等,请点击“违规举报”。

碎片内容

屋面细部构造各检验批

您可能关注的文档

确认删除?
VIP
微信客服
  • 扫码咨询
会员Q群
  • 会员专属群点击这里加入QQ群
客服邮箱
回到顶部