电脑桌面
添加小米粒文库到电脑桌面
安装后可以在桌面快捷访问

环境因素识别、评价表VIP免费

环境因素识别、评价表_第1页
1/12
环境因素识别、评价表_第2页
2/12
环境因素识别、评价表_第3页
3/12
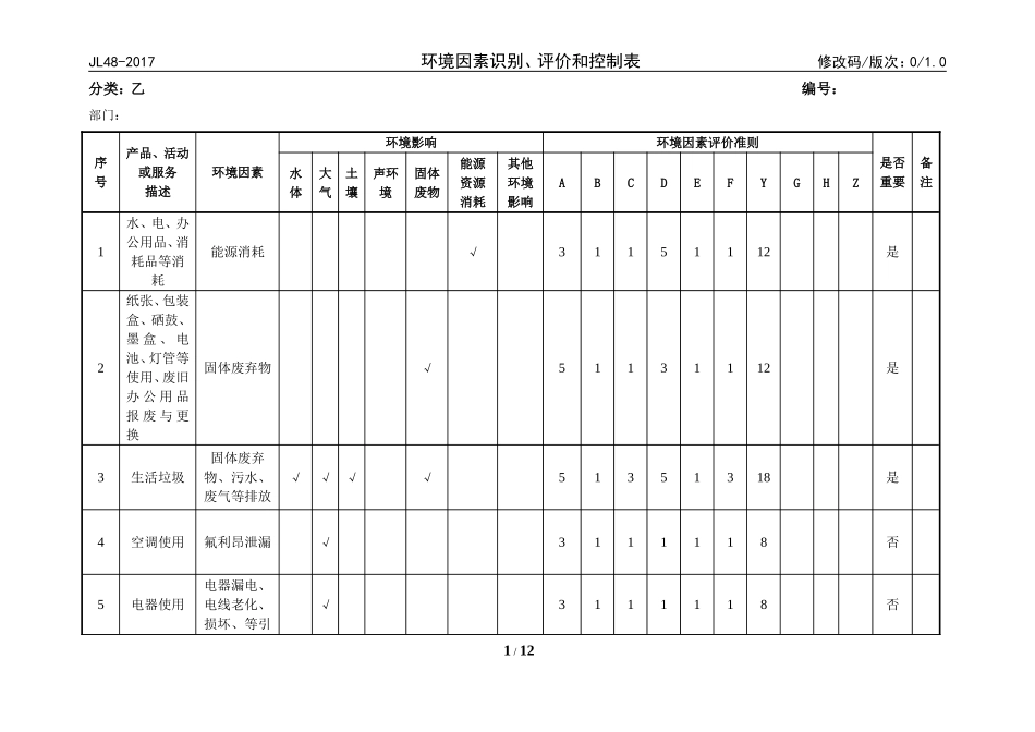
JL48-2017环境因素识别、评价和控制表修改码/版次:0/1.0分类:乙编号:部门:序号产品、活动或服务描述环境因素环境影响环境因素评价准则是否重要备注水体大气土壤声环境固体废物能源资源消耗其他环境影响ABCDEFYGHZ1水、电、办公用品、消耗品等消耗能源消耗√31151112是2纸张、包装盒、硒鼓、墨盒、电池、灯管等使用、废旧办公用品报废与更换固体废弃物√51131112是3生活垃圾固体废弃物、污水、废气等排放√√√√51351318是4空调使用氟利昂泄漏√3111118否5电器使用电器漏电、电线老化、损坏、等引√3111118否1/12JL48-2017环境因素识别、评价和控制表修改码/版次:0/1.0起火灾6设备/材料制造及运输过程中的汽、水、电、油等能源和资源消耗资源消耗能源消耗√31151112是7水泥、石灰、耐火砖、砂土等散装固体原料运输运输过程中的遗洒(粉尘、扬尘固体物遗洒)√√51331114是8化学危险品、易燃易爆品、油品、液体原料等运输和使用运输过程中危险品、化学品泄漏;潜在火灾、爆炸√√√51313114是9运输车辆车况不良,引起火灾、爆炸√35511116是维修、洗涤汽车产生的废弃物√√31131110否尾气排放√3111118否交通噪声√3111118否10放射性物包装、运输√55511319是2/12JL48-2017环境因素识别、评价和控制表修改码/版次:0/1.0品运输不当导致放射性物质辐射11境外采购的设备、材料的木质包装包装材料的检验检疫不完全病虫害带入√51511316是12设备材料加工制造材料消耗√51311112是13场地清理时爆破;使用施工机械(推土机、挖掘机、装载机、打桩机、打夯机、混凝土输送泵、吊车、卷杨机、锻钎机、凿岩机、电焊机、电锺等);使用运输设备(翻斗车、汽车等);施工机械噪声排放√33311114否3/12JL48-2017环境因素识别、评价和控制表修改码/版次:0/1.0使用电动工具(电锯、压刨、空压机、切割机、混凝土振捣棒等);模板的拆、装、清理与修复;脚手架安装、拆卸;各类车辆的运行等14施工场地平整作业;现场裸露的土堆、砂堆、石灰堆;未硬化的路面;进出车辆车轮携带的泥砂;水泥搬运、土方运输、混凝土搅拌;爆破过程;木扬尘、粉尘排放√√55311318是4/12JL48-2017环境因素识别、评价和控制表修改码/版次:0/1.0工房锯末、装修等15拆除建筑物及废水泥、砂石等建筑垃圾、现场渣土、商品混凝土、原材料运送等固体废弃物排放√53333320是16施工现场化学危险品、易燃易爆品、油品、液体原料等运输的运输和使用等危险品、化学品泄漏;潜在火灾、爆炸√√√55511320是17施工产生的废油漆、溶剂及其包装物、废化工包装材料(袋、桶、罐等)、漆刷、容器;废油手套、产生危险固体废弃物;潜在火灾√√√55311318是5/12JL48-2017环境因素识别、评价和控制表修改码/版次:0/1.0含油棉纱棉布;施工机械的燃油泄漏、废油排放;废测温计等18库房及作业面储存或使用的油漆、易燃材料;木工房、电气焊作业点使用的氧气瓶、乙炔气瓶;油库储存的油品;冬季混凝土养护作业使用的燃料;施工现场配电室、电气线路、电气设备等危险品意外燃烧、爆炸;电气设备漏电、电线老化引起火灾√√√√55511118是19投料试车过程燃气使用、运输燃气使用过程废气排放;运输管√53313318是6/12JL48-2017环境因素识别、评价和控制表修改码/版次:0/1.0或储存(此条能否放在试车和竣工阶段)道或储存容器破裂燃气泄漏;潜在火灾/爆炸20放射性物质的使用;带放射性检测设备的安装和拆卸潜在辐射;操作不当放射性物辐射√53313318是21施工现场生产用水;洗涤车辆、机械等用水污水排放√√53513320是22使用易释放有害气体排放的施工材料、电焊气焊过程、施工机械、运输车辆等有害气体排放、废气排放、车辆尾气排放√3111118否23电焊气焊过程焊渣、废焊条排放√√53313318是24施工废料、现场机械、设备维修固体废弃物排放√√3111118否7/12JL48-2017环境因素识别、评价和控制表修改码/版次:0/1.0保养废零件的废弃25施工过程建筑安装材料消耗;水、电、汽、油消耗等资源消耗能源消耗√53313318是26现场施工活动中使用场地、临时办公地、材料堆场、生活设施破坏植被、占用农田、牧场、森林√√√√55513322是27开工调试及...

1、当您付费下载文档后,您只拥有了使用权限,并不意味着购买了版权,文档只能用于自身使用,不得用于其他商业用途(如 [转卖]进行直接盈利或[编辑后售卖]进行间接盈利)。
2、本站所有内容均由合作方或网友上传,本站不对文档的完整性、权威性及其观点立场正确性做任何保证或承诺!文档内容仅供研究参考,付费前请自行鉴别。
3、如文档内容存在违规,或者侵犯商业秘密、侵犯著作权等,请点击“违规举报”。

碎片内容

环境因素识别、评价表

金钥匙书屋+ 关注
实名认证
内容提供者

热爱教育事业,爱好互联网行业

确认删除?
VIP
微信客服
  • 扫码咨询
会员Q群
  • 会员专属群点击这里加入QQ群
客服邮箱
回到顶部