电脑桌面
添加小米粒文库到电脑桌面
安装后可以在桌面快捷访问

监理平行检验记录表VIP免费

监理平行检验记录表_第1页
1/37
监理平行检验记录表_第2页
2/37
监理平行检验记录表_第3页
3/37
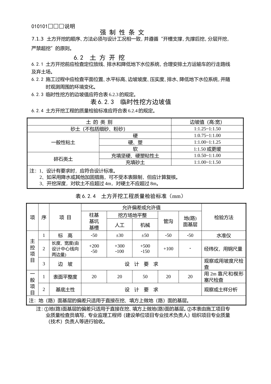
土方开挖工程监理平行检验记录表(GB50202-2002)表6.2.4编号:010101□□□工程名称分项工程名称项目经理施工单位验收部位施工执行标准名称及编号质量验收规范的规定监理单位实测记录检查项目质量要求(mm)柱基基坑基槽挖方场地平整管沟地(路)面基层人工机械主控项目1标高50±30±5050502长度、宽度(由设计中心线向两边量)+20050+300100+500150+1003边坡设计要求:4一般项目1基底土性20205020202表面平整度设计要求:监理单位验收结论监理单位参加验收人员年月日010101□□□说明强制性条文7.1.3土方开挖的顺序、方法必须与设计工况相一致,并遵循“开槽支撑,先撑后挖,分层开挖,严禁超挖”的原则。6.2土方开挖6.2.1土方开挖前应检查定位放线、排水和降低地下水位系统,合理安排土方运输车的行走路线及弃土场。6.2.2施工过程中应检查平面位置、水平标高、边坡坡度、压实度、排水、降低地下水位系统,并随时观测周围的环境变化。6.2.3临时性挖方的边坡值应符合表6.2.3的规定。表6.2.3临时性挖方边坡值6.2.4土方开挖工程的质量检验标准应符合表6.2.4的规定。表6.2.4土方开挖工程质量检验标准(mm)注:①地(路)面基层的偏差只适用于直接在挖、填方上做地(路)面的基层。②本表由施工项目专业质量检查员填写,专业监理工程师(建设单位项目专业技术负责人)组织项目专业质量(技术)负责人等进行验收。土的类别边坡值(高:宽)砂土(不包括细砂、粉砂)1:1.25~1:1.50一般性粘土硬1:0.75~1:1.00硬、塑1:1.00~1:1.25软1:1.50或更缓碎石类土充填坚硬、硬塑粘性土1:0.50~1:1.00充填砂土1:1.00~1:1.50注:1、设计有要求时,应符合设计标准。2、如采用降水或其他加固措施,可不受本表限制,但应计算复核。3、开挖深度,对软土不应超过4m,对硬土不应超过8m。项序项目允许偏差或允许值检验方法柱基基坑基槽挖方场地平整管沟地(路)面基层人工机械主控项目1标高50±30±505050水准仪2长度、宽度(由设计中心线向两边量)+20050+300100+500150+100经纬仪,用钢尺量3边坡设计要求观察或用坡度尺检查一般项目1表面平整度2020502020用2m靠尺和楔形塞尺检查2基底土性设计要求观察或土样分析注:地(路)面基层的偏差只适用于直接在挖、填方上做地(路)面的基层。土方回填工程监理平行检验记录表(GB50202-2002)表6.3.4编号:010102□□□工程名称分项工程名称项目经理施工单位验收部位施工执行标准名称及编号质量验收规范的规定监理单位实测记录检查项目质量要求(mm)柱基基坑基槽场地平整管沟地(路)面基层人工机械主控项目1标高50±30±5050502分层压实系数设计要求:一般项目1回填土料设计要求:2分层厚度及含水量设计要求:3表面平整度2020302020监理单位验收结论监理单位参加验收人员年月日010102□□□说明6.2土方回填6.3.1土方回填前应清除基底的垃圾、树根等杂物,抽除坑穴积水、淤泥,验收基底标高。如在耕植土或松土上填方,应在基底压实后再进行。6.3.2对填方土料应按设计要求验收后方可填入。6.3.3填方施工过程中应检查排水措施,每层填筑厚度、含水量控制、压实程度。填筑厚度及压实遍数应根据土质,压实系数及所用机具确定。如无试验依据,应符合表6.3.3的规定。表6.3.3填土施工时的分层厚度及压实遍数压实机具分层厚度(mm)每层压实遍数平碾250~3006~8振动压实机250~3503~4柴油打夯机200~2503~4人工打夯<2003~46.3.4填方施工结束后,应检查标高、边坡坡度、压实程度等,检验标准应符合表6.3的规定。表6.3.4填土工程质量检验标准(mm)项序项目允许偏差或允许值检验方法柱基基坑基槽场地平整管沟地(路)面基层人工机械主控项目1标高50±30±505050水准仪2分层压实系数设计要求按规定方法一般项目1回填土料设计要求取样检查或直接鉴别2分层厚度及含水量设计要求水准仪及抽样检查3表面平整度2020302020用靠尺或水准注:本表由施工项目专业质量检查员填写,专业监理工程师(建设单位项目专业技术负责人)组织项目专业质量(技术)负责人等进行验收。卷材防水层监理平行检验记录表(GB50208-2002)表4.3编号:010503□□□010503□□□说明注:按...

1、当您付费下载文档后,您只拥有了使用权限,并不意味着购买了版权,文档只能用于自身使用,不得用于其他商业用途(如 [转卖]进行直接盈利或[编辑后售卖]进行间接盈利)。
2、本站所有内容均由合作方或网友上传,本站不对文档的完整性、权威性及其观点立场正确性做任何保证或承诺!文档内容仅供研究参考,付费前请自行鉴别。
3、如文档内容存在违规,或者侵犯商业秘密、侵犯著作权等,请点击“违规举报”。

碎片内容

监理平行检验记录表

金钥匙书屋+ 关注
实名认证
内容提供者

热爱教育事业,爱好互联网行业

相关文档

确认删除?
VIP
微信客服
  • 扫码咨询
会员Q群
  • 会员专属群点击这里加入QQ群
客服邮箱
回到顶部