电脑桌面
添加小米粒文库到电脑桌面
安装后可以在桌面快捷访问

手持电动工具检查表VIP免费

手持电动工具检查表_第1页
1/2
手持电动工具检查表_第2页
2/2
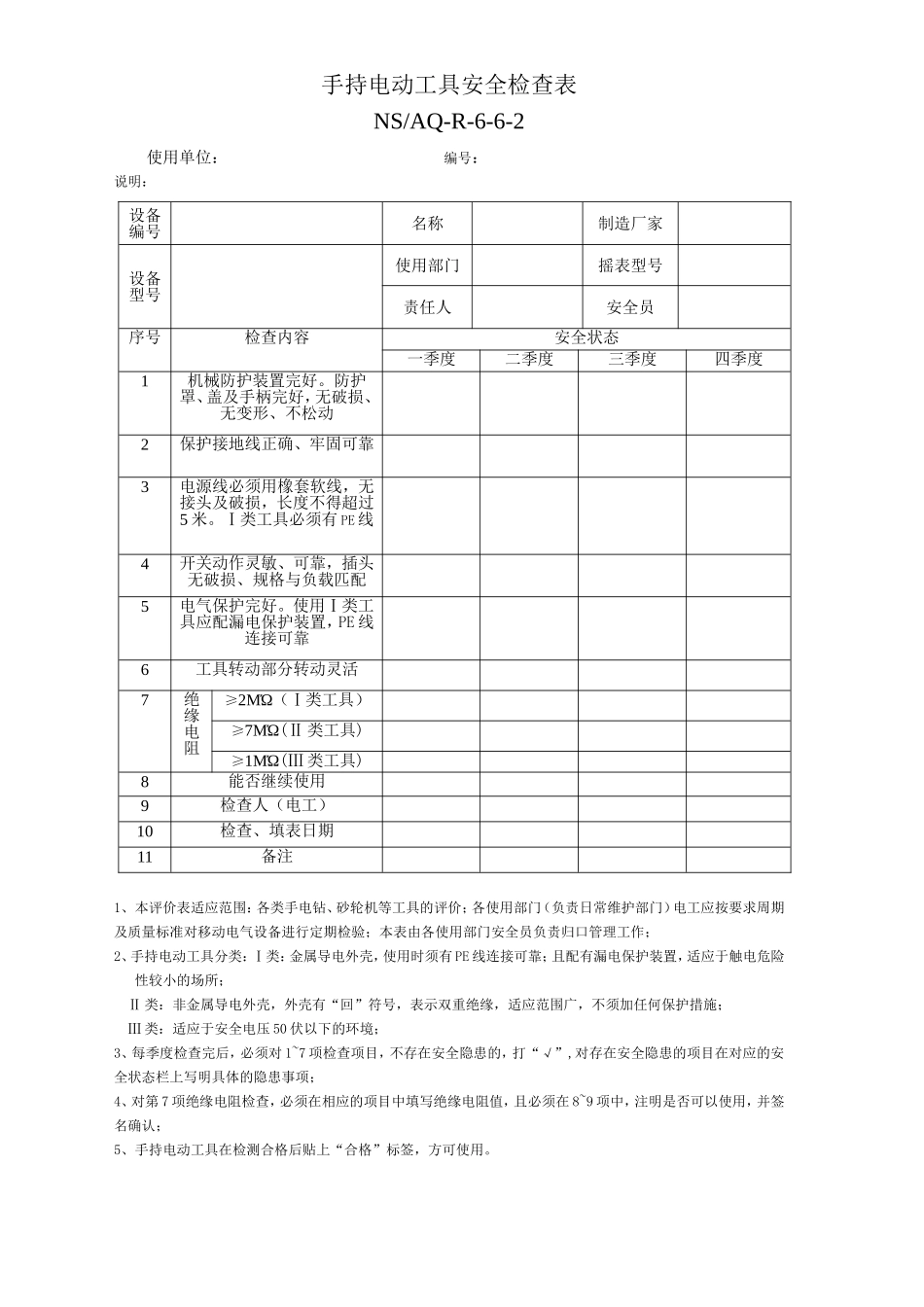
手持电动工具安全检查表NS/AQ-R-6-6-2使用单位:编号:说明:1、本评价表适应范围:各类手电钻、砂轮机等工具的评价;各使用部门(负责日常维护部门)电工应按要求周期及质量标准对移动电气设备进行定期检验;本表由各使用部门安全员负责归口管理工作;2、手持电动工具分类:Ⅰ类:金属导电外壳,使用时须有PE线连接可靠;且配有漏电保护装置,适应于触电危险性较小的场所;Ⅱ类:非金属导电外壳,外壳有“回”符号,表示双重绝缘,适应范围广,不须加任何保护措施;Ⅲ类:适应于安全电压50伏以下的环境;3、每季度检查完后,必须对1~7项检查项目,不存在安全隐患的,打“√”,对存在安全隐患的项目在对应的安全状态栏上写明具体的隐患事项;4、对第7项绝缘电阻检查,必须在相应的项目中填写绝缘电阻值,且必须在8~9项中,注明是否可以使用,并签名确认;5、手持电动工具在检测合格后贴上“合格”标签,方可使用。设备编号名称制造厂家设备型号使用部门摇表型号责任人安全员序号检查内容安全状态一季度二季度三季度四季度1机械防护装置完好。防护罩、盖及手柄完好,无破损、无变形、不松动2保护接地线正确、牢固可靠3电源线必须用橡套软线,无接头及破损,长度不得超过5米。Ⅰ类工具必须有PE线4开关动作灵敏、可靠,插头无破损、规格与负载匹配5电气保护完好。使用Ⅰ类工具应配漏电保护装置,PE线连接可靠6工具转动部分转动灵活7绝缘电阻≥2MΏ(Ⅰ类工具)≥7MΏ(Ⅱ类工具)≥1MΏ(Ⅲ类工具)8能否继续使用9检查人(电工)10检查、填表日期11备注手持电动工具检查编号手持电动工具检查编号检查日期检查人检查日期检查人下次检查日期检查结果下次检查日期检查结果手持电动工具检查编号手持电动工具检查编号检查日期检查人检查日期检查人下次检查日期检查结果下次检查日期检查结果手持电动工具检查编号手持电动工具检查编号检查日期检查人检查日期检查人下次检查日期检查结果下次检查日期检查结果手持电动工具检查编号手持电动工具检查编号检查日期检查人检查日期检查人下次检查日期检查结果下次检查日期检查结果手持电动工具检查编号手持电动工具检查编号检查日期检查人检查日期检查人下次检查日期检查结果下次检查日期检查结果手持电动工具检查编号手持电动工具检查编号检查日期检查人检查日期检查人下次检查日期检查结果下次检查日期检查结果手持电动工具检查编号手持电动工具检查编号检查日期检查人检查日期检查人下次检查日期检查结果下次检查日期检查结果手持电动工具检查编号手持电动工具检查编号检查日期检查人检查日期检查人下次检查日期检查结果下次检查日期检查结果手持电动工具检查编号手持电动工具检查编号检查日期检查人检查日期检查人下次检查日期检查结果下次检查日期检查结果手持电动工具检查编号手持电动工具检查编号检查日期检查人检查日期检查人下次检查日期检查结果下次检查日期检查结果手持电动工具检查编号手持电动工具检查编号检查日期检查人检查日期检查人下次检查日期检查结果下次检查日期检查结果

1、当您付费下载文档后,您只拥有了使用权限,并不意味着购买了版权,文档只能用于自身使用,不得用于其他商业用途(如 [转卖]进行直接盈利或[编辑后售卖]进行间接盈利)。
2、本站所有内容均由合作方或网友上传,本站不对文档的完整性、权威性及其观点立场正确性做任何保证或承诺!文档内容仅供研究参考,付费前请自行鉴别。
3、如文档内容存在违规,或者侵犯商业秘密、侵犯著作权等,请点击“违规举报”。

碎片内容

手持电动工具检查表

确认删除?
VIP
微信客服
  • 扫码咨询
会员Q群
  • 会员专属群点击这里加入QQ群
客服邮箱
回到顶部