电脑桌面
添加小米粒文库到电脑桌面
安装后可以在桌面快捷访问

建筑施工组织设计范本(免费)VIP专享VIP免费

建筑施工组织设计范本(免费)_第1页
1/29
建筑施工组织设计范本(免费)_第2页
2/29
建筑施工组织设计范本(免费)_第3页
3/29
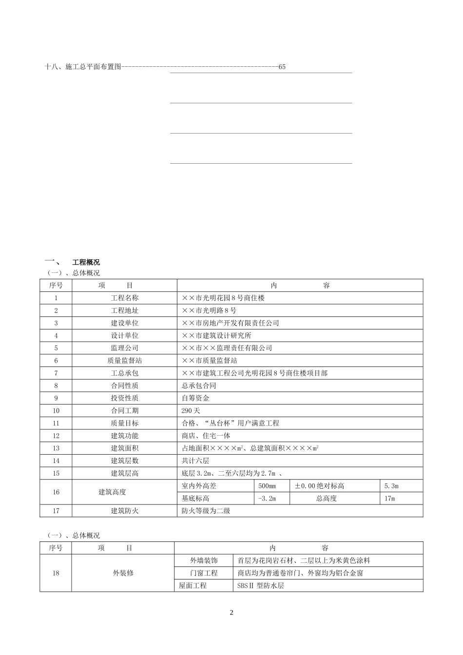
施工组织设计目录一、工程概况--------------------------------------------------------5二、施工部署--------------------------------------------------------6三、施工准备--------------------------------------------------------6四、主要项目施工方法和施工措施-------------------------------------101、机械挖土施工方法和施工措施--------------------------------------102、基土钎探施工方法和施工措施--------------------------------------133、基础钢筋绑扎施工方法和施工措施----------------------------------144、构造柱、圈梁钢筋绑扎施工方法和施工措施--------------------------155、混凝土现场拌制施工方法和施工措施--------------------------------186、砖混结构、构造柱、圈梁等混凝土施工方法和施工措施----------------207、多空砖砌筑工程施工方法和施工措施--------------------------------228、装饰工程施工方法和施工措施--------------------------------------249、屋面SBS防水工程施工方法和施工措施------------------------------2610、混凝土工程施工方法和施工措施-----------------------------------2711、给水管道安装施工方法和施工措施、操作工艺-----------------------2912、采暖管道安装施工方法和施工措施、操作工艺-----------------------3113、电照工程施工方法和施工措施、操作工艺---------------------------35五、工期保证体系---------------------------------------------------395.1、工期保证体系--------------------------------------------------395.2、工期保证措施--------------------------------------------------395.3、停水、停电保证正常施工措施------------------------------------405.4、保证资金使用,确保工期措施------------------------------------405.5、农忙季节及节假日劳动力保勤措施--------------------------------41六、质量目标及保证体系及措施---------------------------------------416.1、质量目标------------------------------------------------------416.2、质量保证体系--------------------------------------------------416.3、质量保证措施--------------------------------------------------426.4、创合格工程措施------------------------------------------------436.5、消除质量通病措施----------------------------------------------43七、安全保证体系及措施---------------------------------------------477.1、安全保证体系--------------------------------------------------477.2、安全保证措施--------------------------------------------------477.3、外电线及用电设备防护措施--------------------------------------487.4、消防安全措施--------------------------------------------------48八、创建文明工地及环境保护措施-------------------------------------498.1、文明施工措施--------------------------------------------------498.2、降低工程造价体系措施------------------------------------------498.3、创建市级文明工地保证体系及措施--------------------------------498.4、降低施工噪声技术、防尘、环境保护、排污措施----------------------508.5、处理睦邻关系措施----------------------------------------------508.6、成品保护措施--------------------------------------------------51九、屋面、厕所防渗漏施工方案---------------------------------------519.1、屋面防渗漏施工方案--------------------------------------------519.2、外墙防渗漏技术措施--------------------------------------------529.3、厕所防渗漏施工方案--------------------------------------------529.4、管道防渗漏技术措施--------------------------------------------52十、施工中的消防安全保证体系及措施---------------------------------53十一、冬季施工方案-------------------------------------------------531...

1、当您付费下载文档后,您只拥有了使用权限,并不意味着购买了版权,文档只能用于自身使用,不得用于其他商业用途(如 [转卖]进行直接盈利或[编辑后售卖]进行间接盈利)。
2、本站所有内容均由合作方或网友上传,本站不对文档的完整性、权威性及其观点立场正确性做任何保证或承诺!文档内容仅供研究参考,付费前请自行鉴别。
3、如文档内容存在违规,或者侵犯商业秘密、侵犯著作权等,请点击“违规举报”。

碎片内容

建筑施工组织设计范本(免费)

确认删除?
VIP
微信客服
  • 扫码咨询
会员Q群
  • 会员专属群点击这里加入QQ群
客服邮箱
回到顶部