电脑桌面
添加小米粒文库到电脑桌面
安装后可以在桌面快捷访问

工程量报审表VIP免费

工程量报审表_第1页
1/3
工程量报审表_第2页
2/3
工程量报审表_第3页
3/3
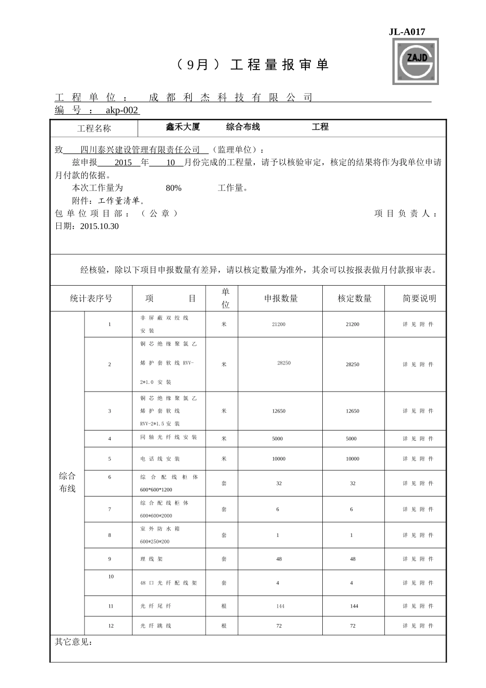
JL-A017(9月)工程量报审单工程单位:成都利杰科技有限公司编号:akp-002工程名称鑫禾大厦综合布线工程致四川泰兴建设管理有限责任公司(监理单位):兹申报2015年10月份完成的工程量,请予以核验审定,核定的结果将作为我单位申请月付款的依据。本次工作量为80%工作量。附件:工作量清单。包单位项目部:(公章)项目负责人:日期:2015.10.30经核验,除以下项目申报数量有差异,请以核定数量为准外,其余可以按报表做月付款报审表。统计表序号项目单位申报数量核定数量简要说明综合布线1非屏蔽双绞线安装米2120021200详见附件2铜芯绝缘聚氯乙烯护套软线RVV-2*1.0安装米2825028250详见附件3铜芯绝缘聚氯乙烯护套软线RVV-2*1.5安装米1265012650详见附件4同轴光纤线安装米50005000详见附件5电话线安装米1000010000详见附件6综合配线柜体600*600*1200套3232详见附件7综合配线柜体600*600*2000套66详见附件8室外防水箱600*250*200套11详见附件9理线架套4848详见附件1048口光纤配线架套44详见附件11光纤尾纤根144144详见附件12光纤跳线根7272详见附件其它意见:总包方机构:工程师:日期:其它意见:项目监理机构:(公章)监理工程师:日期:其它意见:项目业主方工程部:专业工程师:日期:其它意见:项目业主方成控部:专业工程师:日期:注:本表由承包单位填写,一式三份,送监理单位审查,建设、监理、施工单位各留一份。四川省建设厅

1、当您付费下载文档后,您只拥有了使用权限,并不意味着购买了版权,文档只能用于自身使用,不得用于其他商业用途(如 [转卖]进行直接盈利或[编辑后售卖]进行间接盈利)。
2、本站所有内容均由合作方或网友上传,本站不对文档的完整性、权威性及其观点立场正确性做任何保证或承诺!文档内容仅供研究参考,付费前请自行鉴别。
3、如文档内容存在违规,或者侵犯商业秘密、侵犯著作权等,请点击“违规举报”。

碎片内容

工程量报审表

您可能关注的文档

确认删除?
VIP
微信客服
  • 扫码咨询
会员Q群
  • 会员专属群点击这里加入QQ群
客服邮箱
回到顶部