电脑桌面
添加小米粒文库到电脑桌面
安装后可以在桌面快捷访问

建筑电气施工组织设计123#楼VIP专享VIP免费

建筑电气施工组织设计123#楼_第1页
1/12
建筑电气施工组织设计123#楼_第2页
2/12
建筑电气施工组织设计123#楼_第3页
3/12
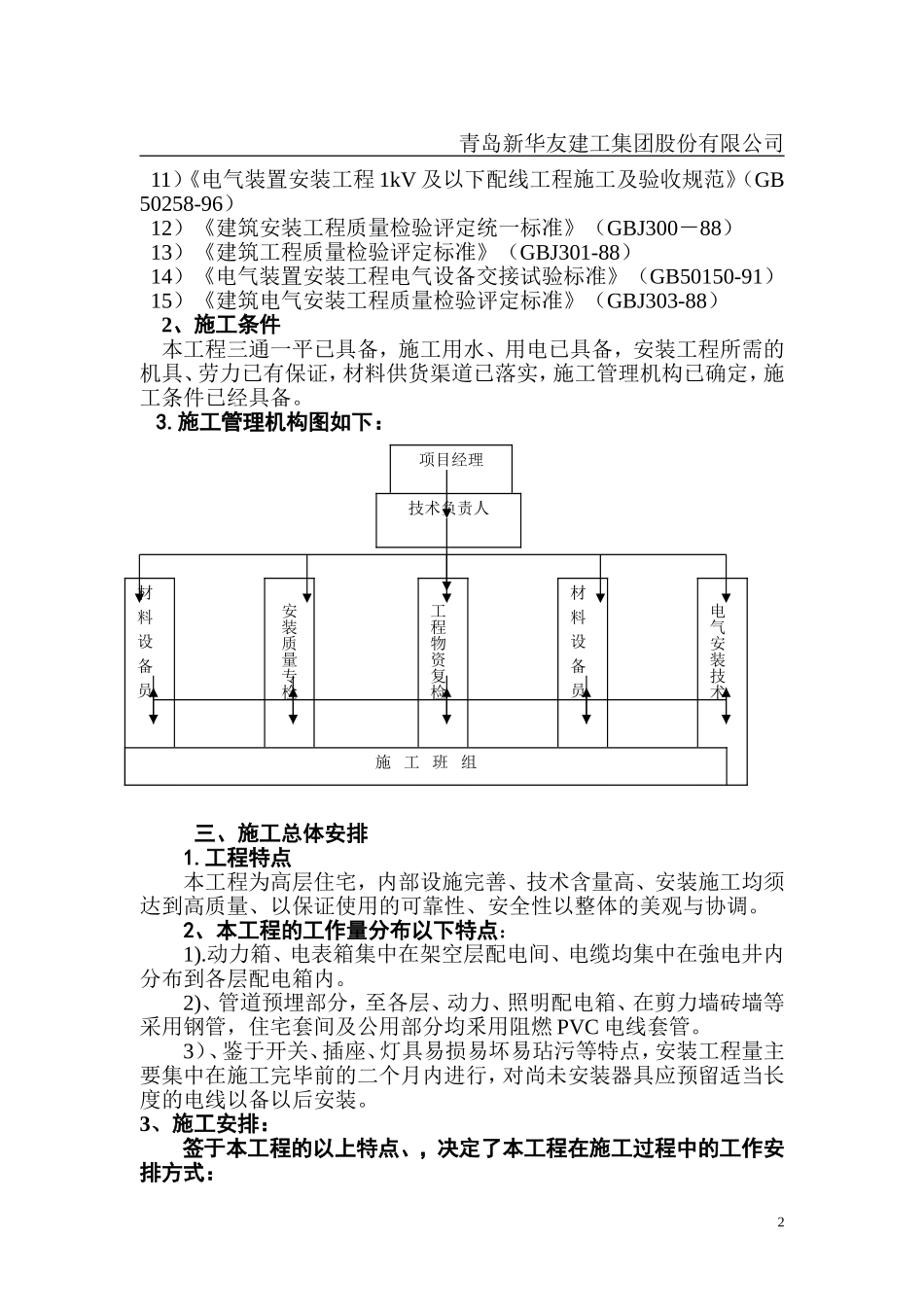
青岛新华友建工集团股份有限公司建筑电气工程施工组织设计一.编制说明:本施工组织设计方案是根据设计施工图、施工验收规范、质量验收统一标准及有关安全技术操作规程,结合现场条件和本工程特点进行编制。设计编制内容作为现场指导施工的主要依据,设计方案有未尽事项,将在工程施工中依据实际情况进行调整补充。二、工程概况本工程为济宁·盛基国际1#、3#住宅楼工程,位于济宁市太白西路以南,新华路西侧,电厂北路东侧。总建筑面积约16539.6平方米。其中:地上住宅面积15214.8㎡,架空层445.8㎡,地下面积879.0㎡。本工程为二类高层建筑,高层部分地上21层,高度为63.390米,地下一层,架空层一层。设计使用年限:50年。本工程由济宁盛基置业有限公司开发建设,上海都市建筑设计有限公司设计,济宁明正监理有限公司监理,青岛新华友建工集团股份有限公司施工。地上部分耐火等级一级,负荷等级二级以上。低压系统采用采用一光(照明)二力(动力)供电方式,自小区变配电室以三路交联聚乙烯铠装电力电缆(WDZB/WDZBNYJV22-0.6/1kV)在室外埋地将电源引致本建筑架空层的配电间,并分别进入照明及动力配电柜。两路动力电源互为备用、每路均能承担本工程的全部一级负荷。低压配电系统采用树干式与放射式相结合的配电方式,对一级负荷的用电设备采用双电源双回路、末端互投切换的供电方式供电,对三级符合的用电设备则采用单电源单回路供电。各低压出线及配电干线采用电缆或导线穿桥架(CT)/金属线槽(SR)或焊接钢管(SC)沿墙、顶板、电气竖井内明敷。支线,除明敷或在地下室储藏室内暗敷者外,均穿高强冷弯阻燃刚性塑料套管(PVC)沿地面、墙内、现浇板或地面垫层内暗敷:明敷或在地下储存室内暗敷的所有线路均穿焊接钢管(SC)。接地方式釆用TN-S系统接地保护方式、本工程为第三类防雷建筑,本工程设有火灾自动报警系统,保护对象等级为一级。1、施工依据1)设计院提供并经图纸会审后确定的施工图纸。2)经建设单位和设计院审定的变更图纸和变更通知单。3)根据国家现行的施工验收规范和质量验评标准及相关的施工安装图集。6)《电气装置安装工程电气照明装置施工及验收规范》(GB50259-96)7)《电气装置安装工程旋转电机施工及验收规范》(GB50170-92)8)《电气装置安装工程盘、柜及二次回路结线施工及验收规范》(GB50171-92)9)《电气装置安装工程接地装置施工及验收规范》(GB50169-92)10)《电气装置安装工程电缆线路施工及验收规范》(GB50168-92)1青岛新华友建工集团股份有限公司11)《电气装置安装工程1kV及以下配线工程施工及验收规范》(GB50258-96)12)《建筑安装工程质量检验评定统一标准》(GBJ300-88)13)《建筑工程质量检验评定标准》(GBJ301-88)14)《电气装置安装工程电气设备交接试验标准》(GB50150-91)15)《建筑电气安装工程质量检验评定标准》(GBJ303-88)2、施工条件本工程三通一平已具备,施工用水、用电已具备,安装工程所需的机具、劳力已有保证,材料供货渠道已落实,施工管理机构已确定,施工条件已经具备。3.施工管理机构图如下:技术负责人三、施工总体安排1.工程特点本工程为高层住宅,内部设施完善、技术含量高、安装施工均须达到高质量、以保证使用的可靠性、安全性以整体的美观与协调。2、本工程的工作量分布以下特点:1).动力箱、电表箱集中在架空层配电间、电缆均集中在強电井内分布到各层配电箱内。2)、管道预埋部分,至各层、动力、照明配电箱、在剪力墙砖墙等采用钢管,住宅套间及公用部分均釆用阻燃PVC电线套管。3)、鉴于开关、插座、灯具易损易坏易玷污等特点,安装工程量主要集中在施工完毕前的二个月内进行,对尚未安装器具应预留适当长度的电线以备以后安装。3、施工安排:签于本工程的以上特点、,决定了本工程在施工过程中的工作安排方式:2项目经理技术负责人材料设备员安装质量专检工程物资复检材料设备员电气安装技术施工班组青岛新华友建工集团股份有限公司1)技术管理及质量监督:在项目部下将设立电气专项技术及施工小组以及项目部专职质检员。此责任小组的工作活动贯穿整个工程的施工过程,以保障施工管理的连续...

1、当您付费下载文档后,您只拥有了使用权限,并不意味着购买了版权,文档只能用于自身使用,不得用于其他商业用途(如 [转卖]进行直接盈利或[编辑后售卖]进行间接盈利)。
2、本站所有内容均由合作方或网友上传,本站不对文档的完整性、权威性及其观点立场正确性做任何保证或承诺!文档内容仅供研究参考,付费前请自行鉴别。
3、如文档内容存在违规,或者侵犯商业秘密、侵犯著作权等,请点击“违规举报”。

碎片内容

建筑电气施工组织设计123#楼

确认删除?
VIP
微信客服
  • 扫码咨询
会员Q群
  • 会员专属群点击这里加入QQ群
客服邮箱
回到顶部