电脑桌面
添加小米粒文库到电脑桌面
安装后可以在桌面快捷访问

九年级化学下学期期中(一模)考试试卷VIP免费

九年级化学下学期期中(一模)考试试卷_第1页
1/7
九年级化学下学期期中(一模)考试试卷_第2页
2/7
九年级化学下学期期中(一模)考试试卷_第3页
3/7
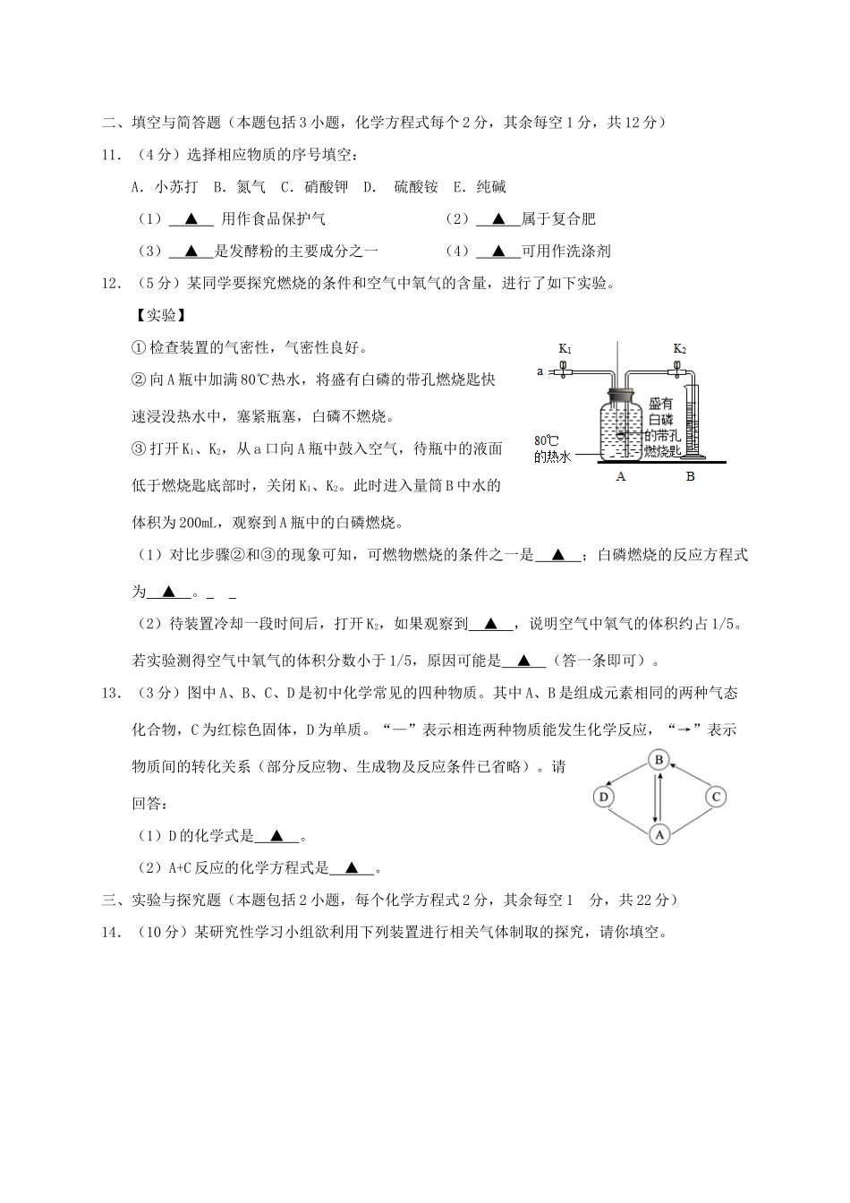
江苏省徐州市部分学校2018届九年级化学下学期期中(一模)考试试题(化学满分60分,与物理同场考试时间共140分钟)可能用到的相对原子质量:C-12H-1O-16Na-23Cl-35.5一、选择题(本题包括10小题,每小题只有1个选项符合题意,共20分)1.2018年中国国际清洁能源科技推广周于3月25日在北京启动,本次以“推广清洁能源应用,助力低碳经济发展”为主题。下列说法不符合该主题的是A.推行太阳能发电、风力发电B.倡导驾驶电动汽车C.推广使用新能源天然气D.积极开发应用氢能2.伟大物理学家霍金曾说化学比物理更有趣。现象美是化学的趣味之一,以下是某同学记录的实验现象,其中错误的是A.镁带在空气中燃烧,发出耀眼的白光,生成白色固体B.铜在硝酸银溶液中,有银白色固体产生,溶液由蓝色变为无色C.在氢氧化钠溶液中滴加硫酸铜溶液,产生蓝色沉淀D.将SO2通入紫红色高锰酸钾溶液中,溶液变为无色3.2018年徐州国际马拉松比赛于3月25日举行。下列有关说法错误的是A.最美的马拉松跑道一路“花香醉人”,这是微粒不断运动的结果B.赛道补给品云片糕、小孩酥、麻片、花生糖的主要作用是提供能量C.建设奥体中心体育馆用了钢筋混凝土、玻璃和塑胶等无机材料D.组委会配发的聚酯纤维速干运动服属于合成有机高分子材料4.关于水的说法正确的是A.pH<6.6的降水叫做酸雨B.生活中利用肥皂水将硬水转化成软水C.天然水经过自来水厂净化后得到的是纯净物D.通过电解水实验说明水是由氢氧两种元素组成的5.我校化学兴趣小组欲将粗盐提纯,再用制取的精盐配制7.5%的氯化钠溶液100g。下列说法不正确的是A.配制溶液时要称量7.5g氯化钠,量取92.5mL的水B.本实验多次使用玻璃棒,有三种作用:搅拌、引流、转移C.本实验的主要步骤是溶解、过滤、蒸发和计算、称取、量取、溶解、转移D.本实验提纯的氯化钠可能不纯,导致配制的氯化钠溶液质量分数偏大6.甲和乙在一定条件下反应生成丙和丁。结合微观示意图分析,下列结论正确的是A.发生反应的甲和乙的质量比为22︰3B.甲中碳元素的化合价为+2C.生成的丙和丁的分子个数比为2︰1D.该反应类型为置换反应7.下列对化学知识的总结完全正确的一组是8.右图是甲、乙、丙三种固体物质的溶解度曲线,下列说法错误的是A.A点表示20℃时甲、乙溶解度相等B.30℃时,30g甲物质中加入50g水,充分溶解后得到72.5g溶液C.甲中混有少量丙,可用冷却热饱和溶液的的方法提纯甲D.将30℃时甲、乙、丙三种物质的饱和溶液分别降温到10℃,它们的溶质质量分数都发生改变9.取一定量的过氧化氢溶液于试管中,加入少量二氧化锰,充分反应后,下列图象表示的反应过程与事实一致的是10.要除去下列物质中的少量杂质(括号内物质为杂质),所选试剂不正确的是A.NaOH(Na2CO3):氯化钙溶液B.CO(CO2):氢氧化钠溶液C.O2(H2O):浓硫酸D.Cu(Zn):稀盐酸A①利用侯氏制碱法生产烧碱②中国是现代湿法炼铜的先驱B①硫酸、氢氧化钠和氯化钠溶液都导电②除污方法有溶解、乳化和化学反应等C①服用补铁剂可以预防贫血②缺少维生素C易患夜盲症D①用灼烧的方法鉴别棉线和羊毛线②用加碘盐鉴别食品中是否含有淀粉二、填空与简答题(本题包括3小题,化学方程式每个2分,其余每空1分,共12分)11.(4分)选择相应物质的序号填空:A.小苏打B.氮气C.硝酸钾D.硫酸铵E.纯碱(1)▲用作食品保护气(2)▲属于复合肥(3)▲是发酵粉的主要成分之一(4)▲可用作洗涤剂12.(5分)某同学要探究燃烧的条件和空气中氧气的含量,进行了如下实验。【实验】①检查装置的气密性,气密性良好。②向A瓶中加满80℃热水,将盛有白磷的带孔燃烧匙快速浸没热水中,塞紧瓶塞,白磷不燃烧。③打开K1、K2,从a口向A瓶中鼓入空气,待瓶中的液面低于燃烧匙底部时,关闭K1、K2。此时进入量筒B中水的体积为200mL,观察到A瓶中的白磷燃烧。(1)对比步骤②和③的现象可知,可燃物燃烧的条件之一是▲;白磷燃烧的反应方程式为▲。(2)待装置冷却一段时间后,打开K2,如果观察到▲,说明空气中氧气的体积约占1/5。若实验测得空气中氧气的体积分数小于1/5,原因可能是▲(答一条即可)。13.(3分)图中A...

1、当您付费下载文档后,您只拥有了使用权限,并不意味着购买了版权,文档只能用于自身使用,不得用于其他商业用途(如 [转卖]进行直接盈利或[编辑后售卖]进行间接盈利)。
2、本站所有内容均由合作方或网友上传,本站不对文档的完整性、权威性及其观点立场正确性做任何保证或承诺!文档内容仅供研究参考,付费前请自行鉴别。
3、如文档内容存在违规,或者侵犯商业秘密、侵犯著作权等,请点击“违规举报”。

碎片内容

九年级化学下学期期中(一模)考试试卷

雨丝书吧+ 关注
实名认证
内容提供者

乐于和他人分享知识,从事历史教学,热爱教育,高度负责。

确认删除?
VIP
微信客服
  • 扫码咨询
会员Q群
  • 会员专属群点击这里加入QQ群
客服邮箱
回到顶部