电脑桌面
添加小米粒文库到电脑桌面
安装后可以在桌面快捷访问

表面粗糙度的评定标准及方法VIP免费

表面粗糙度的评定标准及方法_第1页
1/3
表面粗糙度的评定标准及方法_第2页
2/3
表面粗糙度的评定标准及方法_第3页
3/3
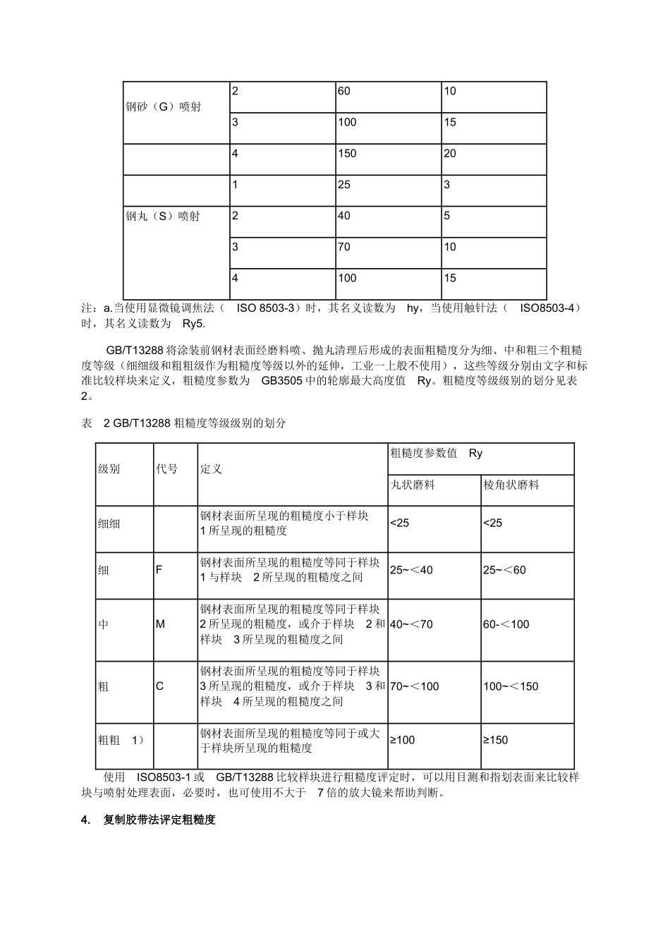
表面粗糙度的评定标准及方法当钢材表面经喷射清理后,就会获得一定的表面粗糙度或表面轮廓。表面粗糙度可以用形状和大小来进行定性。经过喷射清理,钢板表面积会明显增加很多,同时获得了很多的对于涂层系统有利的锚固点。当然,并不是粗糙度越大越好,因为涂料必须能够覆盖住这些粗糙度的波峰。太大的粗糙度要求更多的涂料消耗量。一般的涂料系统要求的粗糙度通常为Rz40~75微米。1.粗糙度的定义对表面粗糙度的定义有以下几种:hy:在取样长度内,波峰到波谷的最大高度,ISO8503-3(显微镜调焦法)Ry:在取样长度内,波峰到波谷的最大高度,ISO8503-4(触针法)Ra:波峰和波谷到虚构的中心线的平均距离,ISO3274Ry5:在取样长度内,五个波峰到波谷最大高度的算术平均值,ISO8503-4(触针法)有关Rz的表述与Ry5其实是相同的,Rz的表述来自于德国标准DIN4768-1。Ra和Rz之间的关系是Rz相当于Ra的4~6倍。2.表面粗糙度的评定标准为了测定钢板表面粗糙度,不同的标准规定了相应的仪器可以使用,测量值以微米(µm)为单位。国际标准分ISO8503成五个部分在来说明表面粗糙度:ISO8503-1:1995表面粗糙度比较样块的技术要求和定义ISO8503-2:1995喷射清理后钢材表面粗糙度分级―样板比较法ISO8503-3:1995ISO基准样块的校验和表面粗糙度的测定方法―显微镜调焦法ISO8503-4:1995ISO基准样块的校验和表面粗糙度的测定方法,触针法ISO8503-5:2004表面轮廓的复制胶带测定法我国的国家标准GB/T13288-91《涂装前钢材表面粗糙度等级的评定(比较板块法)》,参照ISO8503所制订。3.比较样块法评定表面粗糙度在涂装现场较为常用的粗糙度评定方法是比较样块法。常用的粗糙度比较块有英国易高elcometer125,荷兰TQCLD2040、LD2050以及英国PTER2006、R2007等。ISO8503-1比较样块有四部分,分别用钢砂(样块G)和钢丸(样块S)喷射处理过,在比较样块的背面分别帖有标签S和G来进行区分(表1)。表1ISO表面粗糙度度比较样块的名义值和公差粗糙度样块部位名义值a/µm公差/µm1253钢砂(G)喷射260103100154150201253钢丸(S)喷射240537010410015注:a.当使用显微镜调焦法(ISO8503-3)时,其名义读数为hy,当使用触针法(ISO8503-4)时,其名义读数为Ry5.GB/T13288将涂装前钢材表面经磨料喷、抛丸清理后形成的表面粗糙度分为细、中和粗三个粗糙度等级(细细级和粗粗级作为粗糙度等级以外的延伸,工业一上般不使用),这些等级分别由文字和标准比较样块来定义,粗糙度参数为GB3505中的轮廓最大高度值Ry。粗糙度等级级别的划分见表2。表2GB/T13288粗糙度等级级别的划分级别代号定义粗糙度参数值Ry丸状磨料棱角状磨料细细钢材表面所呈现的粗糙度小于样块1所呈现的粗糙度<25<25细F钢材表面所呈现的粗糙度等同于样块1与样块2所呈现的粗糙度之间25~<4025~<60中M钢材表面所呈现的粗糙度等同于样块2所呈现的粗糙度,或介于样块2和样块3所呈现的粗糙度之间40~<7060-<100粗C钢材表面所呈现的粗糙度等同于样块3所呈现的粗糙度,或介于样块3和样块4所呈现的粗糙度之间70~<100100~<150粗粗1)钢材表面所呈现的粗糙度等同于或大于样块所呈现的粗糙度≥100≥150使用ISO8503-1或GB/T13288比较样块进行粗糙度评定时,可以用目测和指划表面来比较样块与喷射处理表面,必要时,也可使用不大于7倍的放大镜来帮助判断。4.复制胶带法评定粗糙度ISOISO8503-5:2004《表面轮廓的复制胶带测定法》,NACERP0287《磨料喷射清理钢板表面轮廓现场测量--复制胶带》,以及ASTMD4417方法C,可以有效地测量出表面粗糙度的具体数值,表面粗糙度可用复制胶带进行测量,复制胶带是由Testex公司生产的专利产品。通常使用二种类型的胶带:粗级,用于测量0.8mils至2.0mils(20µm至50µm)的表面粗糙度;特粗级,用于测量1.5mils至4.5mils(38µm至114µm)的表面粗糙度。通常在一定的区域内要测量三点,这样可以看出粗糙度是否均匀,以及求得其平均值。检测程序:(1)待测量表面清除灰尘和喷砂用磨料等杂质;(2)选择合适带有一块不可压缩聚酯薄膜(Mylar)和可压缩泡沫塑料小方块的复制胶带,黏贴在喷砂清理过的表面上,暗的一面朝下,掀起...

1、当您付费下载文档后,您只拥有了使用权限,并不意味着购买了版权,文档只能用于自身使用,不得用于其他商业用途(如 [转卖]进行直接盈利或[编辑后售卖]进行间接盈利)。
2、本站所有内容均由合作方或网友上传,本站不对文档的完整性、权威性及其观点立场正确性做任何保证或承诺!文档内容仅供研究参考,付费前请自行鉴别。
3、如文档内容存在违规,或者侵犯商业秘密、侵犯著作权等,请点击“违规举报”。

碎片内容

表面粗糙度的评定标准及方法

您可能关注的文档

学海无涯书城+ 关注
实名认证
内容提供者

热爱教育事业,爱好互联网行业

相关文档

确认删除?
VIP
微信客服
  • 扫码咨询
会员Q群
  • 会员专属群点击这里加入QQ群
客服邮箱
回到顶部