电脑桌面
添加小米粒文库到电脑桌面
安装后可以在桌面快捷访问

工程施工2018(08)月报表VIP免费

工程施工2018(08)月报表_第1页
1/11
工程施工2018(08)月报表_第2页
2/11
工程施工2018(08)月报表_第3页
3/11
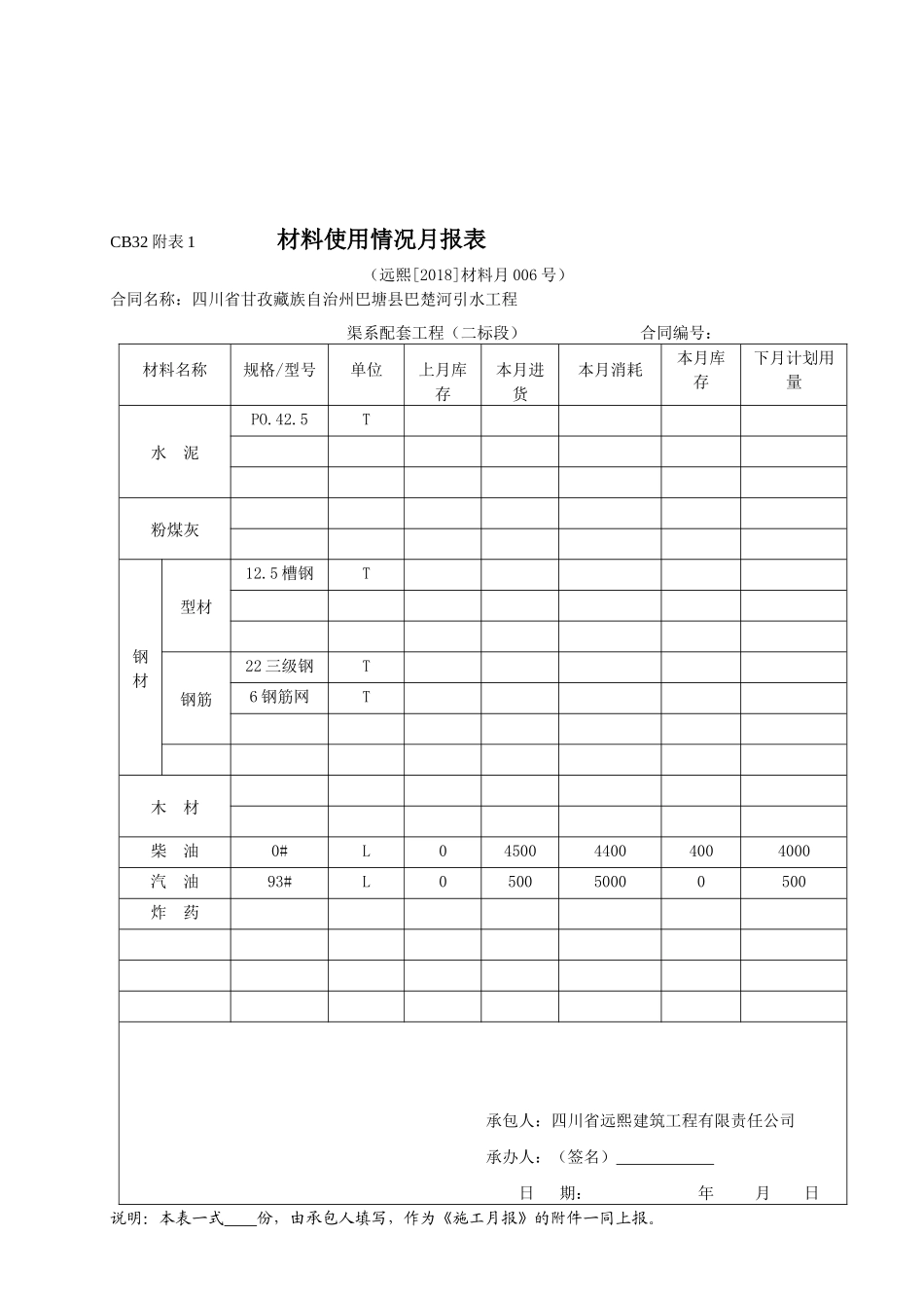
CB32施工月报表(2018年08月)(远熙[2018]月报006号)合同名称:四川省甘孜藏族自治州巴塘县巴楚河引水工程渠系配套工程(二标段)合同编号:致:四川眉山华能工程技术咨询设计有限公司(监理机构)现呈报我方编写的2018年08月施工月报,请贵方阅审。随本月报一同上报以下附表:1.材料使用情况月报表。2.主要施工机械设备情况月报表。3.现场施工人员情况月报表。4.施工质量检验月汇总表。5.工程事故月报表。6.完成工程量月汇总表。7.施工实际进度月报表。承包人:四川省远熙建筑工程有限责任公司项目经理:(签名)日期:年月日今已收到四川省远熙建筑工程有限责任公司(承包人全称)所报年月的施工月报及附件共份。监理机构:(名称及盖章)签收人:(签名)日期:年月日注:1.施工月报表一式份,由承包人填写。每月28前报监理机构。监理机构签收后,承包人、监理机构、发包人各1份。2.施工月报内容应包括:本合同段工程总体形象,在建各分部工程进展情况和主要施工内容、施工进度、施工质量、完成施工工作量、合同履约情况、施工大事记、本月存在问题及建议等内容。CB32施工月报(远熙[2018]月报006号)2018年第006期2018年07月26日至2018年08月25日工程名称:四川省甘孜藏族自治州巴塘县巴楚河引水工程渠系配套工程(二标段)合同编号:承包人:四川省远熙建筑工程有限责任公司项目经理:王黎明日期:2018年08月25日CB32附表1材料使用情况月报表(远熙[2018]材料月006号)合同名称:四川省甘孜藏族自治州巴塘县巴楚河引水工程渠系配套工程(二标段)合同编号:材料名称规格/型号单位上月库存本月进货本月消耗本月库存下月计划用量水泥PO.42.5T粉煤灰钢材型材12.5槽钢T钢筋22三级钢T6钢筋网T木材柴油0#L0450044004004000汽油93#L050050000500炸药承包人:四川省远熙建筑工程有限责任公司承办人:(签名)日期:年月日说明:本表一式份,由承包人填写,作为《施工月报》的附件一同上报。CB32附表2主要施工机械设备情况月报表(远熙[2018设备月006号)合同名称:四川省甘孜藏族自治州巴塘县巴楚河引水工程渠系配套工程(二标段)合同编号:序号机械设备本月工作台时完好率(%)利用率(%)名称型号/规格数量(台)1挖掘机日立ZAIS60360098952推土机TY220360099953装载机Z50120099854运输车580090955678910(填报说明)承包人:四川省远熙建筑工程有限责任公司承办人:(签名)日期:年月日说明:本表一式份,由承包人填写,作为《施工月报》的附件一同上报。CB32附表3现场施工人员情况月报表(远熙[2018]人员月006号)合同名称:四川省甘孜藏族自治州巴塘县巴楚河引水工程渠系配套工程(二标段)合同编号:序号部门或工程部位人员数量(人)合计建筑安装检验运输管理辅助1561023456789合计(填报说明)承包人:四川省远熙建筑工程有限责任公司承办人:(签名)日期:年月日说明:本表一式份,由承包人填写,作为《施工月报》的附件一同上报。CB32附表4施工质量检验月汇总表(远熙[2018]质检月006号)合同名称:四川省甘孜藏族自治州巴塘县巴楚河引水工程渠系配套工程(二标段)合同编号:序号检验部位检验项目检验人检验日期检测结果检验负责人(填报说明)本月无质量检验承包人:四川省远熙建筑工程有限责任公司承办人:(签名)日期:年月日说明:本表一式份,由承包人填写,作为《施工月报》的附件一同上报。CB32附表5工程事故月报表(远熙[2018]事故月006号)合同名称:四川省甘孜藏族自治州巴塘县巴楚河引水工程渠系配套工程(二标段)合同编号:序号发生事故时间事故地点工程名称事故等级直接损失金额(元)人员伤亡(人)死亡重伤事故综述:本月无安全事故承包人:四川省远熙建筑工程有限责任公司承办人:(签名)日期:年月日说明:本表一式份,由承包人填写,作为《施工月报》的附件一同上报。CB32附表6完成工程量月汇总表(远熙[2018]量总月006号)合同名称:四川省甘孜藏族自治州巴塘县巴楚河引水工程渠系配套工程(二标段)合同编号:序号分部工程名称分部工程编码单位工程量本月完成工程量至本月已累计完成工程量1平台开挖M³102681.6400097151.842石方开挖M...

1、当您付费下载文档后,您只拥有了使用权限,并不意味着购买了版权,文档只能用于自身使用,不得用于其他商业用途(如 [转卖]进行直接盈利或[编辑后售卖]进行间接盈利)。
2、本站所有内容均由合作方或网友上传,本站不对文档的完整性、权威性及其观点立场正确性做任何保证或承诺!文档内容仅供研究参考,付费前请自行鉴别。
3、如文档内容存在违规,或者侵犯商业秘密、侵犯著作权等,请点击“违规举报”。

碎片内容

工程施工2018(08)月报表

慧源书苑+ 关注
实名认证
内容提供者

热爱教育事业,爱好互联网行业

确认删除?
VIP
微信客服
  • 扫码咨询
会员Q群
  • 会员专属群点击这里加入QQ群
客服邮箱
回到顶部