电脑桌面
添加小米粒文库到电脑桌面
安装后可以在桌面快捷访问

建筑灭火器配置设计规范(GB50140-2005)VIP免费

建筑灭火器配置设计规范(GB50140-2005)_第1页
1/16
建筑灭火器配置设计规范(GB50140-2005)_第2页
2/16
建筑灭火器配置设计规范(GB50140-2005)_第3页
3/16
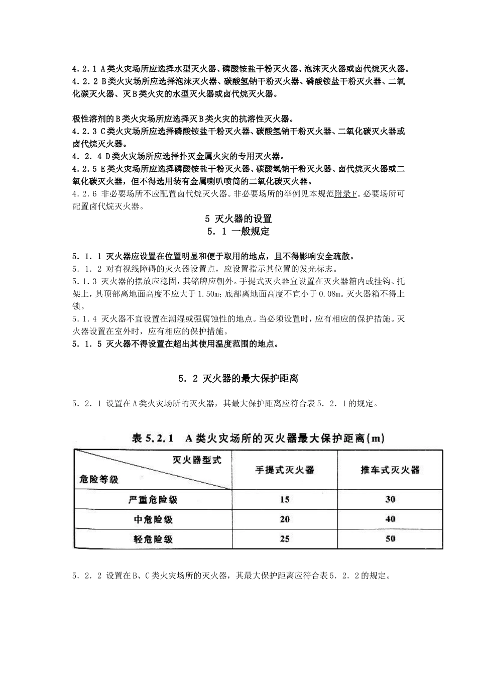
建筑灭火器配置设计规范GB50140-2005自2005年10月1日起实施1总则1.0.1为了合理配置建筑灭火器(以下简称灭火器),有效地扑救工业与民用建筑初起火灾,减少火灾损失,保护人身和财产的安全,制定本规范。1.0.2本规范适用于生产、使用或储存可燃物的新建、改建、扩建的工业与民用建筑工程。本规范不适用于生产或储存炸药、弹药、火工品、花炮的厂房或库房。1.0.3灭火器的配置类型、规格、数量及其设置位置应作为建筑消防工程设计的内容,并应在工程设计图上标明。1.0.4灭火器的配置,除执行本规范外,尚应符合国家现行有关标准、规范的规定。2术语和符号2.1术语2.1.1灭火器配置场所distributionplaceoffireextinguisher存在可燃的气体、液体、固体等物质,需要配置灭火器的场所。2.1.2计算单元calculationunit灭火器配置的计算区域。2.1.3保护距离traveldistance灭火器配置场所内,灭火器设置点到最不利点的直线行走距离。2.1.4灭火级别firerating表示灭火器能够扑灭不同种类火灾的效能。由表示灭火效能的数字和灭火种类的字母组成。建筑灭火器配置类型、规格和灭火级别基本参数举例见本规范附录A。2.2符号2.2.1灭火器配置设计计算符号:Q-计算单元的最小需配灭火级别(A或B);S-计算单元的保护面积(m2);U-A类或B类火灾场所单位灭火级别最大保护面积(m2/A或m2/B);K-修正系数;Qe-计算单元中每个灭火器设置点的最小灭火级别(A或B);N-计算单元中的灭火器设置点数(个)2.2.2灭火器配置设计图例见本规范附录B3灭火器配置场所的火灾种类和危险等级3.1火灾种类3.1.1灭火器配置场所的火灾种类应根据该场所内的物质及其燃烧特性进行分类。3.1.2灭火器配置场所的火灾种类可划分为以下五类:1A类火灾:固体物质火灾。2B类火灾:液体火灾或可熔化固体物质火灾。3C类火灾:气体火灾。4D类火灾:金属火灾。5E类火灾(带电火灾):物体带电燃烧的火灾。3.2危险等级3.2.1工业建筑灭火器配置场所的危险等级,应根据其生产、使用、储存物品的火灾危险性,可燃物数量,火灾蔓延速度,扑救难易程度等因素,划分为以下三级:1严重危险级:火灾危险性大,可燃物多,起火后蔓延迅速,扑救困难,容易造成重大财产损失的场所;2中危险级:火灾危险性较大,可燃物较多,起火后蔓延较迅速,扑救较难的场所;3轻危险级:火灾危险性较小,可燃物较少,起火后蔓延较缓慢,扑救较易的场所。工业建筑灭火器配置场所的危险等级举例见本规范附录C。3.2.2民用建筑灭火器配置场所的危险等级,应根据其使用性质,人员密集程度,用电用火情况,可燃物数量,火灾蔓延速度,扑救难易程度等因素,划分为以下三级:1严重危险级:使用性质重要,人员密集,用电用火多,可燃物多,起火后蔓延迅速,扑救困难,容易造成重大财产损失或人员群死群伤的场所;2中危险级:使用性质较重要,人员较密集,用电用火较多,可燃物较多,起火后蔓延较迅速,扑救较难的场所;3轻危险级:使用性质一般,人员不密集,用电用火较少,可燃物较少,起火后蔓延较缓慢,扑救较易的场所。民用建筑灭火器配置场所的危险等级举例见本规范附录D4灭火器的选择4.1一般规定4.1.1灭火器的选择应考虑下列因素:1灭火器配置场所的火灾种类;2灭火器配置场所的危险等级;3灭火器的灭火效能和通用性;4灭火剂对保护物品的污损程度;5灭火器设置点的环境温度;6使用灭火器人员的体能。4.1.2在同一灭火器配置场所,宜选用相同类型和操作方法的灭火器。当同一灭火器配置场所存在不同火灾种类时,应选用通用型灭火器。4.1.3在同一灭火器配置场所,当选用两种或两种以上类型灭火器时,应采用灭火剂相容的灭火器。4.1.4不相容的灭火剂举例见规范附录E的规定。4.2灭火器的类型选择4.2.1A类火灾场所应选择水型灭火器、磷酸铵盐干粉灭火器、泡沫灭火器或卤代烷灭火器。4.2.2B类火灾场所应选择泡沫灭火器、碳酸氢钠干粉灭火器、磷酸铵盐干粉灭火器、二氧化碳灭火器、灭B类火灾的水型灭火器或卤代烷灭火器。极性溶剂的B类火灾场所应选择灭B类火灾的抗溶性灭火器。4.2.3C类火灾场所应选择磷酸铵盐干粉灭火器、碳酸氢钠干粉灭火器...

1、当您付费下载文档后,您只拥有了使用权限,并不意味着购买了版权,文档只能用于自身使用,不得用于其他商业用途(如 [转卖]进行直接盈利或[编辑后售卖]进行间接盈利)。
2、本站所有内容均由合作方或网友上传,本站不对文档的完整性、权威性及其观点立场正确性做任何保证或承诺!文档内容仅供研究参考,付费前请自行鉴别。
3、如文档内容存在违规,或者侵犯商业秘密、侵犯著作权等,请点击“违规举报”。

碎片内容

建筑灭火器配置设计规范(GB50140-2005)

您可能关注的文档

确认删除?
VIP
微信客服
  • 扫码咨询
会员Q群
  • 会员专属群点击这里加入QQ群
客服邮箱
回到顶部