电脑桌面
添加小米粒文库到电脑桌面
安装后可以在桌面快捷访问

屋面节能工程隐蔽验收记录VIP免费

屋面节能工程隐蔽验收记录_第1页
1/8
屋面节能工程隐蔽验收记录_第2页
2/8
屋面节能工程隐蔽验收记录_第3页
3/8
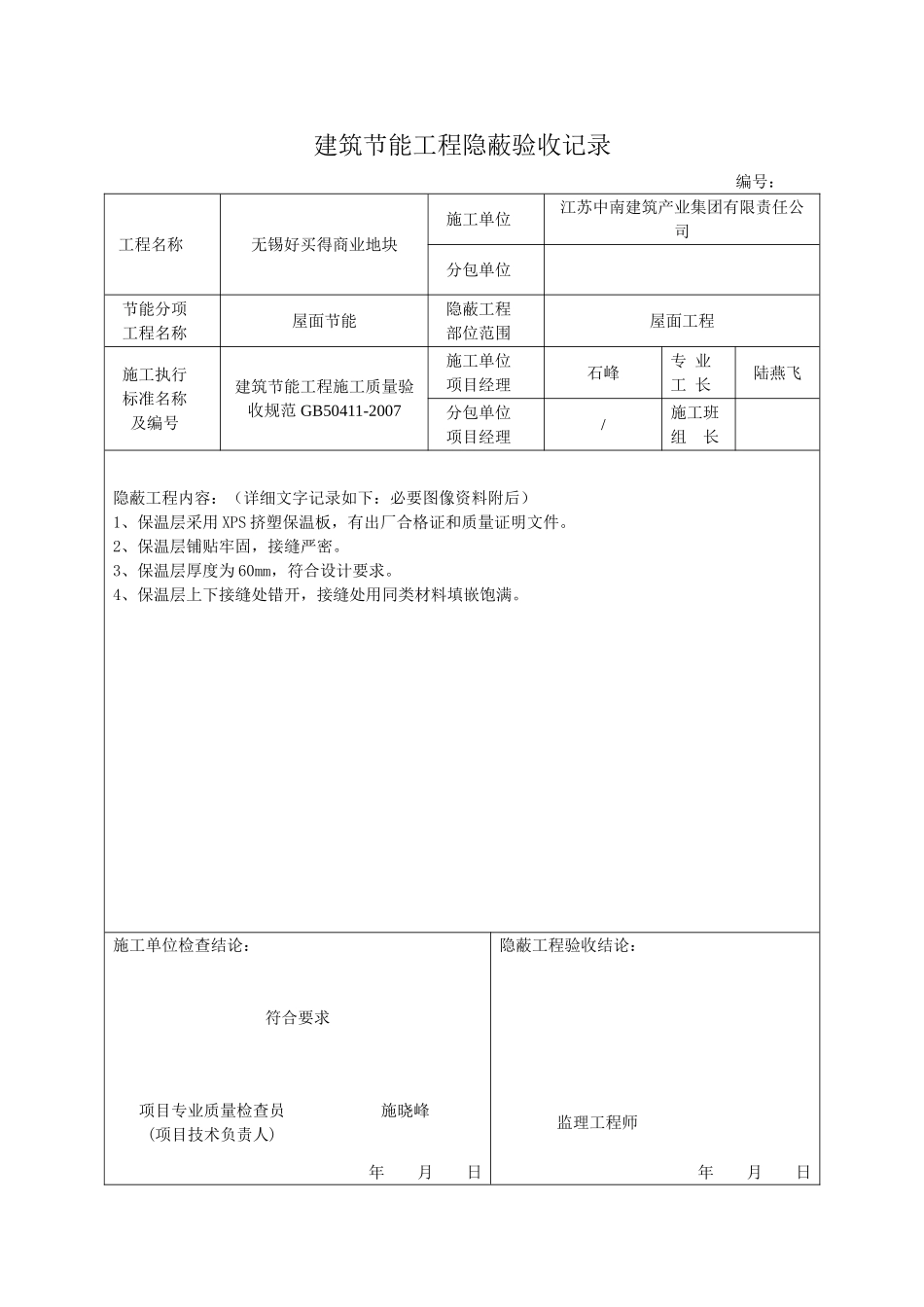
建筑节能工程隐蔽验收记录编号:工程名称无锡好买得商业地块施工单位江苏中南建筑产业集团有限责任公司分包单位节能分项工程名称屋面节能隐蔽工程部位范围屋面工程施工执行标准名称及编号建筑节能工程施工质量验收规范GB50411-2007施工单位项目经理石峰专业工长陆燕飞分包单位项目经理/施工班组长隐蔽工程内容:(详细文字记录如下:必要图像资料附后)1、保温层采用XPS挤塑保温板,有出厂合格证和质量证明文件。2、保温层铺贴牢固,接缝严密。3、保温层厚度为60mm,符合设计要求。4、保温层上下接缝处错开,接缝处用同类材料填嵌饱满。施工单位检查结论:符合要求隐蔽工程验收结论:项目专业质量检查员(项目技术负责人)施晓峰监理工程师年月日年月日建筑节能工程隐蔽验收记录编号:工程名称原平市范亭文体广场—纪念馆施工单位山西省第二建筑工程公司分包单位/节能分项工程名称屋面节能隐蔽工程部位范围屋面工程施工执行标准名称及编号建筑节能工程施工质量验收规范GB50411-2007施工单位项目经理陈耀东专业工长成晓乾分包单位项目经理/施工班组长田永军隐蔽工程内容:(详细文字记录如下:必要图像资料附后)1、保温层采用酚醛保温板,有出厂合格证和质量证明文件。2、保温层铺贴牢固,接缝严密。3、保温层厚度为50mm,符合设计要求。4、保温层上下接缝处错开,接缝处用同类材料填嵌饱满。施工单位检查结论:隐蔽工程验收结论:项目专业质量检查员(项目技术负责人)监理工程师年月日年月日建筑节能工程隐蔽验收记录编号:工程名称原平市范亭文体广场-图书馆施工单位山西省第二建筑工程公司分包单位/节能分项工程名称屋面节能隐蔽工程部位范围屋面工程施工执行标准名称及编号建筑节能工程施工质量验收规范GB50411-2007施工单位项目经理陈耀东专业工长成晓乾分包单位项目经理/施工班组长田永军隐蔽工程内容:(详细文字记录如下:必要图像资料附后)1、保温层采用酚醛保温板,有出厂合格证和质量证明文件。2、保温层铺贴牢固,接缝严密。3、保温层厚度为50mm,符合设计要求。4、保温层上下接缝处错开,接缝处用同类材料填嵌饱满。施工单位检查结论:隐蔽工程验收结论:项目专业质量检查员(项目技术负责人)监理工程师年月日年月日建筑节能工程隐蔽验收记录编号:工程名称原平市范亭文体广场—青少年活动中心施工单位山西省第二建筑工程公司分包单位/节能分项工程名称屋面节能隐蔽工程部位范围屋面工程施工执行标准名称及编号建筑节能工程施工质量验收规范GB50411-2007施工单位项目经理陈耀东专业工长张琳程分包单位项目经理/施工班组长田义青隐蔽工程内容:(详细文字记录如下:必要图像资料附后)1、保温层采用酚醛保温板,有出厂合格证和质量证明文件。2、保温层铺贴牢固,接缝严密。3、保温层厚度为60mm,符合设计要求。4、保温层上下接缝处错开,接缝处用同类材料填嵌饱满。施工单位检查结论:隐蔽工程验收结论:项目专业质量检查员(项目技术负责人)监理工程师年月日年月日建筑节能工程隐蔽验收记录编号:工程名称原平市范亭文体广场—训练馆施工单位山西省第二建筑工程公司分包单位/节能分项工程名称屋面节能隐蔽工程部位范围屋面工程施工执行标准名称及编号建筑节能工程施工质量验收规范GB50411-2007施工单位项目经理陈耀东专业工长张琳程分包单位项目经理/施工班组长田义青隐蔽工程内容:(详细文字记录如下:必要图像资料附后)1、保温层采用酚醛保温板,有出厂合格证和质量证明文件。2、保温层铺贴牢固,接缝严密。3、保温层厚度为55mm,符合设计要求。4、保温层上下接缝处错开,接缝处用同类材料填嵌饱满。施工单位检查结论:隐蔽工程验收结论:项目专业质量检查员(项目技术负责人)监理工程师年月日年月日建筑节能工程隐蔽验收记录编号:工程名称原平市范亭文体广场—礼堂施工单位山西省第二建筑工程公司分包单位/节能分项工程名称屋面节能隐蔽工程部位范围屋面工程施工执行标准名称及编号建筑节能工程施工质量验收规范GB50411-2007施工单位项目经理陈耀东专业工长王团分包单位项目经理/施工班组长张凯隐蔽工程内容:(详细文字记录如下:必要图像资料附后)1、保温层采用酚...

1、当您付费下载文档后,您只拥有了使用权限,并不意味着购买了版权,文档只能用于自身使用,不得用于其他商业用途(如 [转卖]进行直接盈利或[编辑后售卖]进行间接盈利)。
2、本站所有内容均由合作方或网友上传,本站不对文档的完整性、权威性及其观点立场正确性做任何保证或承诺!文档内容仅供研究参考,付费前请自行鉴别。
3、如文档内容存在违规,或者侵犯商业秘密、侵犯著作权等,请点击“违规举报”。

碎片内容

屋面节能工程隐蔽验收记录

确认删除?
VIP
微信客服
  • 扫码咨询
会员Q群
  • 会员专属群点击这里加入QQ群
客服邮箱
回到顶部