电脑桌面
添加小米粒文库到电脑桌面
安装后可以在桌面快捷访问

北京市顺义区届九年级物理上学期期末考试试卷VIP免费

北京市顺义区届九年级物理上学期期末考试试卷_第1页
1/13
北京市顺义区届九年级物理上学期期末考试试卷_第2页
2/13
北京市顺义区届九年级物理上学期期末考试试卷_第3页
3/13
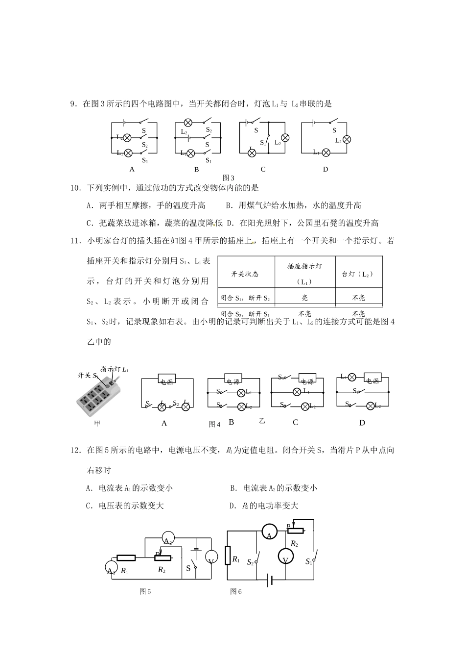
北京市顺义区2014届九年级物理上学期期末考试试题考生须知1.本试卷分为试题卷和答题卡两部分。请同学把答案和解题过程写在答题纸上,其中写在试题卷上的答案无效。2.本试卷满分100分,考试时间120分钟。3.在试卷与答题卡密封线内准确填写学校、姓名和准考证号。4.考试结束,将本试卷和答题卡一并交回。一、单项选择题(下列各小题均有四个选项,其中只有一个选项符合题意。共28分,每小题2分)1.在国际单位制中,电功的单位是A.安培B.伏特C.焦耳D.瓦特2.下列物品中,通常情况下属于导体的是A.不锈钢尺B.橡胶手套C.塑料笔杆D.陶瓷碗3.下列用电器中,利用电流热效应工作的是A.微波炉B.电热杯C.电视机D.电风扇4.下面是汽油机工作的四个冲程,其中将内能转化为机械能的是A.吸气冲程B.压缩冲程C.做功冲程D.排气冲程5.磁场的基本性质是指A.能使放入其中的小磁针发生偏转B.能够吸引铁、钴、镍等磁性材料的性质C.能够产生磁感线D.能够对放入其中的磁体产生磁力的作用6.小明做实验时把甲乙两只灯泡串联后通过开关接在电源上。闭合开关后,甲灯发光,乙灯不发光,乙灯不发光的原因是A.它的电阻太小C.流过乙灯的电流比甲灯小B.它的电阻太大D.乙灯的灯丝断了7.在图1所示的四个电路中,开关S闭合后,电源被短路的电路是8.如图2所示,当滑片向右移动时,变阻器连入电路的阻值变大的是图1ABDSCSSSABCD图29.在图3所示的四个电路图中,当开关都闭合时,灯泡L1与L2串联的是10.下列实例中,通过做功的方式改变物体内能的是A.两手相互摩擦,手的温度升高B.用煤气炉给水加热,水的温度升高C.把蔬菜放进冰箱,蔬菜的温度降低D.在阳光照射下,公园里石凳的温度升高11.小明家台灯的插头插在如图4甲所示的插座上,插座上有一个开关和一个指示灯。若插座开关和指示灯分别用S1、L1表示,台灯的开关和灯泡分别用S2、L2表示。小明断开或闭合S1、S2时,记录现象如右表。由小明的记录可判断出关于L1、L2的连接方式可能是图4乙中的12.在图5所示的电路中,电源电压不变,R1为定值电阻。闭合开关S,当滑片P从中点向右移时A.电流表A1的示数变小B.电流表A2的示数变小C.电压表的示数变大D.R2的电功率变大乙指示灯L1开关S1甲图4BACDL2电源L1S1S2L2电源L1S1S2L2电源L1S1S2L2电源L1S1S2开关状态插座指示灯(L1)台灯(L2)闭合S1,断开S2亮不亮闭合S2,断开S1不亮不亮图3S1S2SL1L2AS1SS2L1L2BS1SL1L2CSL1L2D图5图6A1A2VSR2R1PPR1R2VAS1S213.在图6所示的电路中,电源两端的电压一定,开关S1、S2均闭合。如果使电压表和电流表的示数均减小,则下列操作一定可行的是A.滑动变阻器的滑片P向右移B.滑动变阻器的滑片P不动,断开开关S2C.滑动变阻器的滑片P向左移D.滑动变阻器的滑片P不动,断开开关S114.在图7所示的电路中,电源电压为6V且保持不变。只闭合开关S1,电流表示数为0.4A;再闭合开关S2,电流表示数变化了0.2A;设开关S2闭合前后R1消耗的电功率的变化量为ΔP;则关于R2的阻值及ΔP的值分别为A.R2=5ΩΔP=2WB.R2=10ΩΔP=2WC.R2=5ΩΔP=5WD.R2=15ΩΔP=5W二、多项选择题(本大题共12分,每小题3分。每小题全选对的得3分,选对但不全的得2分,有错选的不得分)15.下列说法中正确的是A.只要电路中有电源存在,电路中就一定有电流B.电路中负电荷发生定向移动时,电路中一定有电流C.金属导体中自由电子定向移动的方向一定与电流方向相同D.在有电流通过的电路中,电流在电源外部沿“正极→用电器→负极”的方向流动16.关于电磁现象,下列说法中正确的是A.发电机的原理是电磁感应现象B.大头针被磁铁吸引的同时也被磁化成小磁体C.电动机工作时,主要的能量转化是将电能转化为机械能D.导体在磁场中做切割磁感线运动时,导体中一定产生感应电流17.小明根据下表所提供的几种物质的比热容得出以下结论,其中正确的是A.固体物质的比热容一定小于液体物质的比热容B.同种物质的比热容会因物质的状态不同而改变C.质量相等的水和酒精,吸收相等的热量后(均未沸腾),酒精的温度变化较大图7R1S1R2S2D.质量相等的铝块和铜块吸收相等的热量后,铜块的温度一定较高18...

1、当您付费下载文档后,您只拥有了使用权限,并不意味着购买了版权,文档只能用于自身使用,不得用于其他商业用途(如 [转卖]进行直接盈利或[编辑后售卖]进行间接盈利)。
2、本站所有内容均由合作方或网友上传,本站不对文档的完整性、权威性及其观点立场正确性做任何保证或承诺!文档内容仅供研究参考,付费前请自行鉴别。
3、如文档内容存在违规,或者侵犯商业秘密、侵犯著作权等,请点击“违规举报”。

碎片内容

北京市顺义区届九年级物理上学期期末考试试卷

;绿洲书城+ 关注
实名认证
内容提供者

从事历史教学,热爱教育,高度负责。

确认删除?
VIP
微信客服
  • 扫码咨询
会员Q群
  • 会员专属群点击这里加入QQ群
客服邮箱
回到顶部