电脑桌面
添加小米粒文库到电脑桌面
安装后可以在桌面快捷访问

九年级化学下学期形成性测试试卷 苏教版试卷VIP免费

九年级化学下学期形成性测试试卷 苏教版试卷_第1页
1/5
九年级化学下学期形成性测试试卷 苏教版试卷_第2页
2/5
九年级化学下学期形成性测试试卷 苏教版试卷_第3页
3/5
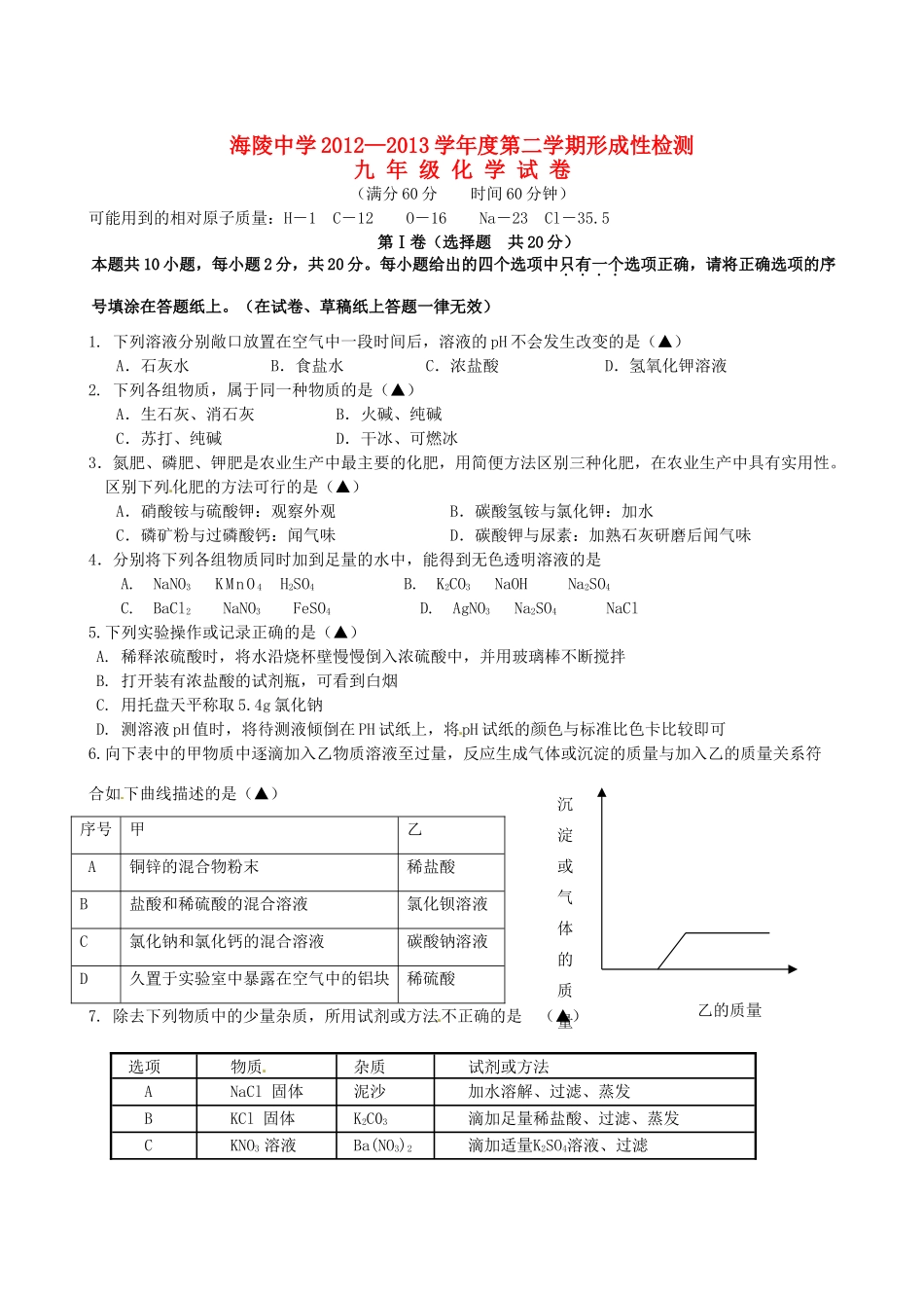
海陵中学2012—2013学年度第二学期形成性检测九年级化学试卷(满分60分时间60分钟)可能用到的相对原子质量:H-1C-12O-16Na-23Cl-35.5第Ⅰ卷(选择题共20分)本题共10小题,每小题2分,共20分。每小题给出的四个选项中只有一个选项正确,请将正确选项的序号填涂在答题纸上。(在试卷、草稿纸上答题一律无效)1.下列溶液分别敞口放置在空气中一段时间后,溶液的pH不会发生改变的是(▲)A.石灰水B.食盐水C.浓盐酸D.氢氧化钾溶液2.下列各组物质,属于同一种物质的是(▲)A.生石灰、消石灰B.火碱、纯碱C.苏打、纯碱D.干冰、可燃冰3.氮肥、磷肥、钾肥是农业生产中最主要的化肥,用简便方法区别三种化肥,在农业生产中具有实用性。区别下列化肥的方法可行的是(▲)A.硝酸铵与硫酸钾:观察外观B.碳酸氢铵与氯化钾:加水C.磷矿粉与过磷酸钙:闻气味D.碳酸钾与尿素:加熟石灰研磨后闻气味4.分别将下列各组物质同时加到足量的水中,能得到无色透明溶液的是A.NaNO3KMnO4H2SO4B.K2CO3NaOHNa2SO4C.BaCl2NaNO3FeSO4D.AgNO3Na2SO4NaCl5.下列实验操作或记录正确的是(▲)A.稀释浓硫酸时,将水沿烧杯壁慢慢倒入浓硫酸中,并用玻璃棒不断搅拌B.打开装有浓盐酸的试剂瓶,可看到白烟C.用托盘天平称取5.4g氯化钠D.测溶液pH值时,将待测液倾倒在PH试纸上,将pH试纸的颜色与标准比色卡比较即可6.向下表中的甲物质中逐滴加入乙物质溶液至过量,反应生成气体或沉淀的质量与加入乙的质量关系符合如下曲线描述的是(▲)序号甲乙A铜锌的混合物粉末稀盐酸B盐酸和稀硫酸的混合溶液氯化钡溶液C氯化钠和氯化钙的混合溶液碳酸钠溶液D久置于实验室中暴露在空气中的铝块稀硫酸7.除去下列物质中的少量杂质,所用试剂或方法不正确的是(▲)选项物质杂质试剂或方法ANaCl固体泥沙加水溶解、过滤、蒸发BKCl固体K2C03滴加足量稀盐酸、过滤、蒸发CKNO3溶液Ba(NO3)2滴加适量K2SO4溶液、过滤沉淀或气体的质量乙的质量DBaSO4固体BaCO3滴加足量稀盐酸、过滤、洗涤、干燥8.以下推理正确的是(▲)A.由金属离子和酸根离子构成的化合物是盐,所以盐中一定含有金属元素B.碱性溶液能使酚酞试液变红,所以能使酚酞试液变红的溶液一定呈碱性C.中和反应生成盐和水,所以生成盐和水的反应一定是中和反应D.碳酸盐与盐酸反应放出气体,所以与盐酸反应放出气体的物质一定是碳酸盐9.下列图像能正确反应其对应操作中各量变化关系的是(▲)①②③④A.①向稀盐酸中不断加水B.②等质量的稀硫酸分别与足量的镁、铁、锌三种金属反应C.③向一定温度下的饱和氢氧化钙溶液中加入氧化钙固体D.④分别向等质量的铝和铁中加入溶质质量分数相同的稀盐酸至过量10.下列各组溶液不用其他试剂就无法鉴别出来的是(▲)A.石蕊溶液、盐酸、氢氧化钠溶液、氢氧化钙溶液、碳酸钠溶液B.氯化铁溶液、稀硝酸、硫酸钠溶液、氢氧化钡溶液C.氯化铜溶液、稀硝酸、氯化钠溶液、氢氧化钠溶液D.盐酸、碳酸钾溶液、氢氧化钠溶液、氯化钾溶液第Ⅱ卷(非选择题共40分)第Ⅱ卷共5小题。答案请按要求填涂在答题纸上。(在试卷、草稿纸上答题一律无效)11.(8分)化学用语是化学学科的专用语言.是我们学习化学的重要工具。+10-2+5+1(1)请你从给定化合价的K、Cu、O、N、H五种元素中,选择适当的元素,按要求写出相应物质的化学式(每空只填一种物质):碱▲;酸▲;可作为复合肥料的盐▲。单质▲;金属氧化物▲;(2)生活中常见的盐有很多用途,用化学式填写下列空白:①用作建筑材料的盐是▲②工业上用于生产玻璃的盐是▲③焙制糕点所用的发酵粉的主要成分之一的盐是▲12.(3分)化学和我们的日常生活息息相关,化学科学的发展促进了人类社会文明的进步,提高了人们的生活质量。通过化学学习,我们已经认识了很多化学反应,请你用化学方程式解释下列问题:(1)不用铁桶盛放波尔多液的原因▲(2)用石灰乳粉刷墙壁能形成坚硬的墙面▲(3)用盐酸除去铁制品表面的铁锈▲13.(4分)生活中蕴科学,留心处皆学问。现有以下常见的物质:①CH3COOH、②C2H5OH、③NaCl、④SO2请选择合适物质的序号填空:(1)可用作酒精灯燃料的是▲(2)用于食品防腐的是▲(3)...

1、当您付费下载文档后,您只拥有了使用权限,并不意味着购买了版权,文档只能用于自身使用,不得用于其他商业用途(如 [转卖]进行直接盈利或[编辑后售卖]进行间接盈利)。
2、本站所有内容均由合作方或网友上传,本站不对文档的完整性、权威性及其观点立场正确性做任何保证或承诺!文档内容仅供研究参考,付费前请自行鉴别。
3、如文档内容存在违规,或者侵犯商业秘密、侵犯著作权等,请点击“违规举报”。

碎片内容

九年级化学下学期形成性测试试卷 苏教版试卷

确认删除?
VIP
微信客服
  • 扫码咨询
会员Q群
  • 会员专属群点击这里加入QQ群
客服邮箱
回到顶部