电脑桌面
添加小米粒文库到电脑桌面
安装后可以在桌面快捷访问

应急预案备案申请表范文-(1)VIP免费

应急预案备案申请表范文-(1)_第1页
1/29
应急预案备案申请表范文-(1)_第2页
2/29
应急预案备案申请表范文-(1)_第3页
3/29
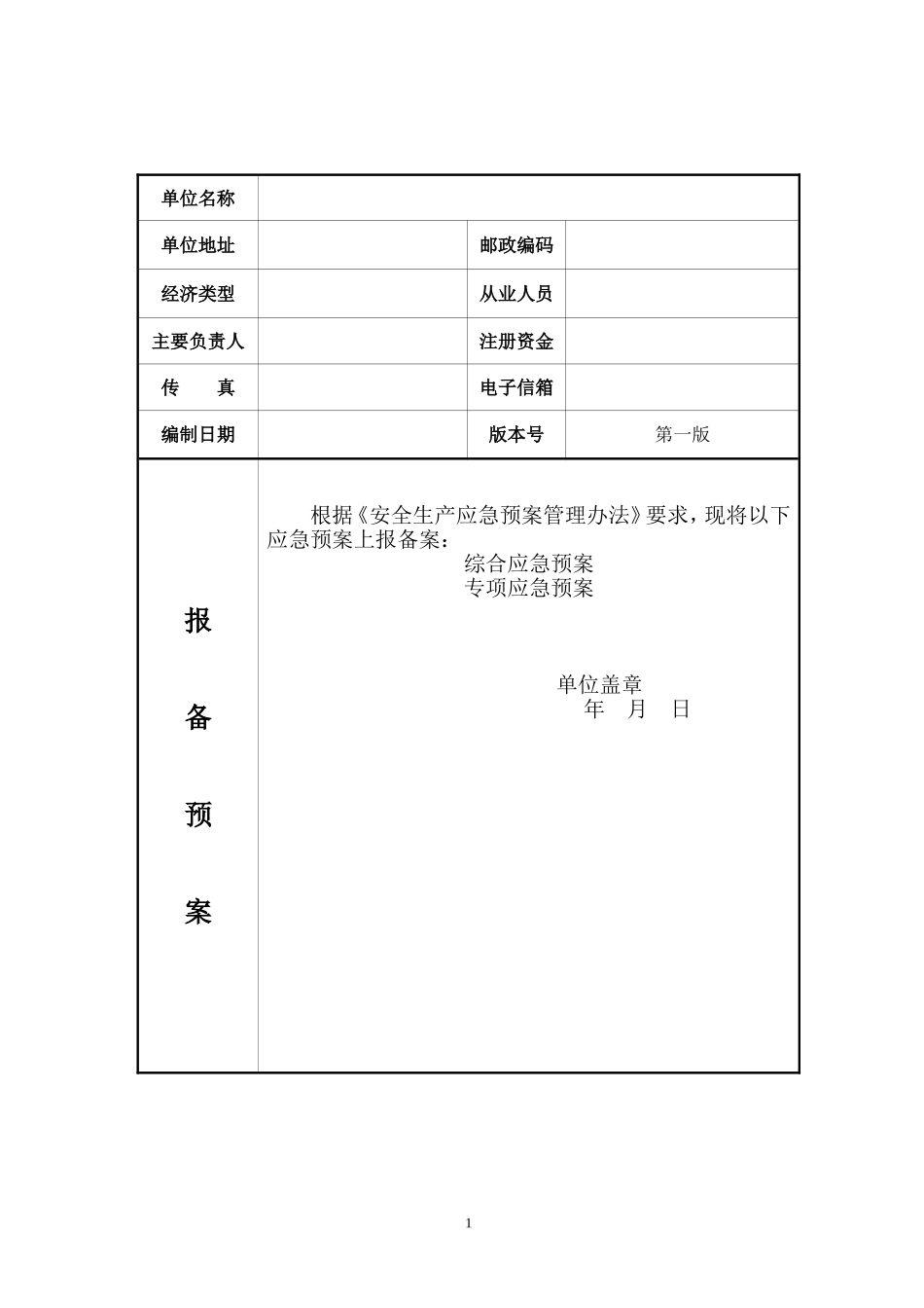
备案编号:提交日期:生产经营单位安全生产应急预案备案申请表单位名称:**市**公司经办人:***联系电话:***********填写日期:****年**月**日国家安全生产监督管理总局制生产经营单位安全生产应急预案备案申请表单位名称单位地址邮政编码经济类型从业人员主要负责人注册资金传真电子信箱编制日期版本号第一版报备预案根据《安全生产应急预案管理办法》要求,现将以下应急预案上报备案:综合应急预案专项应急预案单位盖章年月日1目录1.综合应急预案·································32.高空坠落专项应急预案························113.触电专项应急预案····························144.机械伤害专项应急预案························175.烫伤专项应急预案····························206.高温中暑专项应急预案························237.交通事故专项应急预案························278.沟槽塌方事故专项应急预案····················30综合应急救援预案为了保证公司、社会及职工生命财产安全,在安全事故、事件发生时,能迅速做出响应,并能在事故发生后迅速有效控制、处理,最大限度地减少对人生伤害的程度或降低可能造成的经济损失,本着“预防为主、自救为主、统一指挥、分工负责”的原则,结合《生产经营单位安全生产应急预案》制订本预案。一、综合应急救援组织机构:1、综合应急救援指挥部1.1组长:21.2副组长:1.3成员:1.4综合应急救援通讯:综合应急救援指挥部:日常管理办公室电话:市急救中心电话:市医院急救电话:火警电话:1192、综合应急救援指挥部各成员职责组长:﹙公司经理,第一负责人﹚负责紧急情况处理的指挥工作。副组长:﹙主管安全副经理,第一执行人﹚负责紧急情况处理的具体实施和组织工作。副组长:﹙副经理﹚负责善后处理工作。技术科科长:是高处坠落事故、电焊伤害事故应急小组负责人,负责相应事故抢救组织工作的配合工作和事故调查的配合工作安全科科长:是触电事故、车辆火灾事故、交通事故、火灾及爆炸事故、机械伤害事故应急负责人,负责相应事故抢救组织工作的配合工作和事故调查的配合工作3、下设机构及职责3.1抢险组:组长由副经理担任,成员由安全科长、技术科科长、工程队队长和各项目部负责人等人组成。主要职责是:组织实施抢险行动方案,协调有关部门的抢险行动;及时向指挥部报告抢险进展情况。3.2安全保卫组:组长由科长担任,成员由办公室、稽查队组成。主要职责是负责事故现场的警戒,阻止非抢险救援人员进入现场,负责现场车辆疏通,维持治安秩序,负责保护抢险人员的人身安全。3.3后勤保障部:组长由办公室副主任担任,成员由财务科、办公室、供应科组成。主要职责是:负责调集抢险器材、设备;负责解决全体参加抢救工作人员的食宿问题。3.4医疗救护组:组长由***担任,成员由组成。主要职责是:负责现场伤员的救护等工作。3.5善后处理组:组长由副经理担任,成员由公司领导班子组成。主要职责是:负责做好对遇难者家属的安抚工作,协调落实遇难者家属抚恤金和受伤人员住院费问题;做好其他善后事宜。3.6事故调查组:组长由副经理、公司责任部门领导担任,成员有公司安全科及相关部门,公司有关技术专家组成。3.7技术科、安全科负责对事故现场的保护和图纸的测绘,查明事故原因,3确定事件的性质,提出应对措施,编制事故报告,提出对事故责任人的处理意见。3.8综合应急救援指挥部办公室设在办公室,有办公室主任担任综合应急救援指挥部办公室主任,值班人员24小时在岗在位,以便及时联系,抢险车辆、人员配备要服从调度指挥;3.9工程队黄太平负责救援现场抢险车辆的安排工作。3.10指挥部各成员手机应24小时畅通,协助指挥长工作,根据事故地点、性质、状态,协调组织安排有关部门和人员对事故实施紧急抢救、抢修,并积极参与调查事故原因、损失,及时上报有关部门,直至事故处理工作全部结束。二、...

1、当您付费下载文档后,您只拥有了使用权限,并不意味着购买了版权,文档只能用于自身使用,不得用于其他商业用途(如 [转卖]进行直接盈利或[编辑后售卖]进行间接盈利)。
2、本站所有内容均由合作方或网友上传,本站不对文档的完整性、权威性及其观点立场正确性做任何保证或承诺!文档内容仅供研究参考,付费前请自行鉴别。
3、如文档内容存在违规,或者侵犯商业秘密、侵犯著作权等,请点击“违规举报”。

碎片内容

应急预案备案申请表范文-(1)

您可能关注的文档

确认删除?
VIP
微信客服
  • 扫码咨询
会员Q群
  • 会员专属群点击这里加入QQ群
客服邮箱
回到顶部